电脑桌面
添加小米粒文库到电脑桌面
安装后可以在桌面快捷访问

雨水泵站施工组织设计VIP专享

雨水泵站施工组织设计_第1页
1/50
雨水泵站施工组织设计_第2页
2/50
雨水泵站施工组织设计_第3页
3/50
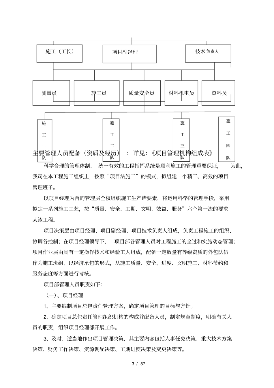
1 / 57 泵站工程第一章:编制依据及工程概况一、编制依据及原则(一)、编制依据1、依据:雨水泵站工程招标文件及图纸。2、报价填报说明3、依据该工程招投标答疑文件4、我单位对施工现场踏勘和调查的情况5、根据国家、地方有关施工验收规范、标准及施工管理制度。注:以上规范如有最新版本,按最新规范执行。(二)、编制原则1、认真研究工程设计说明,进行详细的图纸查阅取得第一手资料。2、坚持“高起点、高标准、严要求”的原则。3、贯彻执行国家、省、市有关部门以及公司的各种制度、规定、标准。4、保证重点、统筹安排、合理组织,按施工计划完成施工任务。5、科学合理地安排施工计划、组织连续、均衡而紧凑地施工,确保工期。6、确保施工质量和施工安全。7、加强经济核算制度,贯彻增产节约的方针。二、工程概况本工程位于 ######新区。包括格栅区、进水池、出水池、冷却水池、泵房及配电室等内容。格栅区、进水池、出水池、冷却水池为地下钢筋混凝土结构;配电室为一层砖混结构,筏板基础,建筑面积317 平方米,檐口标高4.5 米;泵房为一层框架结构,建在进水池上,泵房建筑面积481 平方米。第二章:施工部署一、管理目标充分发挥我司的整体优势,科学组织、精心施工。采用先进、成熟、适用的施工技术,推广应用科技成果,以有力的技术手段,促进施工顺利进行,严格履行合同,确保实现如下目标:(一)、质量目标2 / 57 本工程质量保证达到合格标准。(二)、工期目标总日历天数为 215 天。(三)、安全目标安全目标为:“四无一杜绝”和“一创建”(四)、我单位对本工程施工目标1、我单位在本工程中的质量目标是:全部施工项目符合招标技术规范和设计要求,确保合格。2、我单位在本工程中的工期目标是:总工期215 天,完成全部工程;各分项工程的施工进度满足业主的节点要求。3、我单位在本工程中的安全目标是:本工程的安全管理目标为 “四无一杜绝” 和“一创建”。“四无”即:无轻重伤事故、无交通事故、无火灾洪灾事故、无行车事故;“一杜绝”即:杜绝死亡事故。施工贯彻“安全第一,预防为主”的方针,并创建安全文明标准工地。4、我单位在本工程中的环境保护目标是:不造成水质污染、不造成空气污染、不造成噪音污染。二、部署原则满足业主招标文件中关于工程安全、质量、环保及文明施工的要求,选取配经验丰富的管理和技术人员,安排专业施工队伍进行施工,配备先进完好的机械设备,合理安排施工组织。针对工程特...

1、当您付费下载文档后,您只拥有了使用权限,并不意味着购买了版权,文档只能用于自身使用,不得用于其他商业用途(如 [转卖]进行直接盈利或[编辑后售卖]进行间接盈利)。
2、本站所有内容均由合作方或网友上传,本站不对文档的完整性、权威性及其观点立场正确性做任何保证或承诺!文档内容仅供研究参考,付费前请自行鉴别。
3、如文档内容存在违规,或者侵犯商业秘密、侵犯著作权等,请点击“违规举报”。

碎片内容

雨水泵站施工组织设计

确认删除?
VIP
微信客服
  • 扫码咨询
会员Q群
  • 会员专属群点击这里加入QQ群
客服邮箱
回到顶部