电脑桌面
添加小米粒文库到电脑桌面
安装后可以在桌面快捷访问

静压式液位传感器及液位显示控制仪

静压式液位传感器及液位显示控制仪_第1页
1/5
静压式液位传感器及液位显示控制仪_第2页
2/5
静压式液位传感器及液位显示控制仪_第3页
3/5
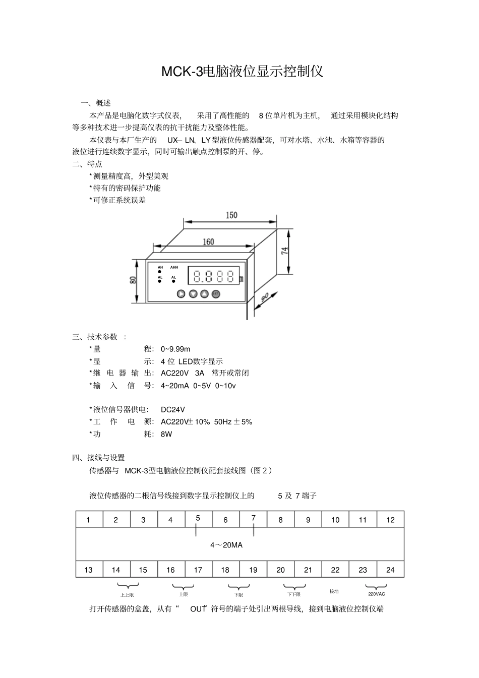
UX静压式液位传感器一、 概述:UXI— LY型投入式液位传感器是采用进口高品质隔离膜片的敏感组件,如放大电路,可输出 4~20mA二线制标准信号,封装不锈钢外壳中,外壳采用密封结构,引出线为防水通气电缆,机械防护IP68 。与本厂生产的MCK-3型液位显示控制仪配套,可对水塔、水池,油箱、水箱等容器的液位进行连续数字显示。二、 特点:*量程 1~70m *精度 0.3%FS *精度的温度补偿*带 316 不锈钢隔离膜片*防水密封 IP68 *防水通气电缆*输出 4~20mA二线制( 24VDC供电)*温度范围: -10 ~40℃*外形尺寸: φ 30×170 或φ 38×170 三、 外形尺寸(见图一)四、 负载特性(见图二)五、 安装和使用 :把传感器直接投入水池或其它液体中,电缆线引出水面至显示仪表、二次仪表或控制室。注意地面上的电缆部分需加以保护或架高。被测液体底部若有沉淀物,传感器应提高或加以过滤保护, 以免传感器被堵塞。若在动水中使用,传感器应加以固定,当与变频器或大功率液泵配套使用时,建议信号进行隔离或滤波处理,在订货时应注明。MCK-3电脑液位显示控制仪一、概述本产品是电脑化数字式仪表,采用了高性能的8 位单片机为主机, 通过采用模块化结构等多种技术进一步提高仪表的抗干扰能力及整体性能。本仪表与本厂生产的UX— LN、LY 型液位传感器配套,可对水塔、水池、水箱等容器的液位进行连续数字显示,同时可输出触点控制泵的开、停。二、特点*测量精度高,外型美观*特有的密码保护功能*可修正系统误差三、技术参数 :*量程: 0~9.99m *显示: 4 位 LED数字显示*继 电 器 输 出: AC220V 3A 常开或常闭*输入信号: 4~20mA 0~5V 0~10v *液位信号器供电:DC24V *工作电源: AC220V±10% 50Hz ±5% *功耗: 8W 四、接线与设置传感器与 MCK-3型电脑液位控制仪配套接线图(图2)液位传感器的二根信号线接到数字显示控制仪上的5 及 7 端子打开传感器的盒盖,从有“OUT”符号的端子处引出两根导线,接到电脑液位控制仪端1 2 3 4 5 6 7 8 9 10 11 12 4~20MA 13 14 15 16 17 18 19 20 21 22 23 24 AH AHH ●AL AL ●●SET 上上限上限下限下下限220VAC 接地子上的 5 及 7 即可。仪表设置接通电源长按SET键 3 秒后,显示器显示“AH”表示上限,此时再按一下“SET”键,显示器显示 “0.00 ”表示上限要设定的值,此时通过按△键或▽键及◢位移键,将要设定的上...

1、当您付费下载文档后,您只拥有了使用权限,并不意味着购买了版权,文档只能用于自身使用,不得用于其他商业用途(如 [转卖]进行直接盈利或[编辑后售卖]进行间接盈利)。
2、本站所有内容均由合作方或网友上传,本站不对文档的完整性、权威性及其观点立场正确性做任何保证或承诺!文档内容仅供研究参考,付费前请自行鉴别。
3、如文档内容存在违规,或者侵犯商业秘密、侵犯著作权等,请点击“违规举报”。

碎片内容

静压式液位传感器及液位显示控制仪

您可能关注的文档

爱的疯狂+ 关注
实名认证
内容提供者

该用户很懒,什么也没介绍

确认删除?
VIP
微信客服
  • 扫码咨询
会员Q群
  • 会员专属群点击这里加入QQ群
客服邮箱
回到顶部