电脑桌面
添加小米粒文库到电脑桌面
安装后可以在桌面快捷访问

预埋件安装施工技术交底

预埋件安装施工技术交底_第1页
1/7
预埋件安装施工技术交底_第2页
2/7
预埋件安装施工技术交底_第3页
3/7
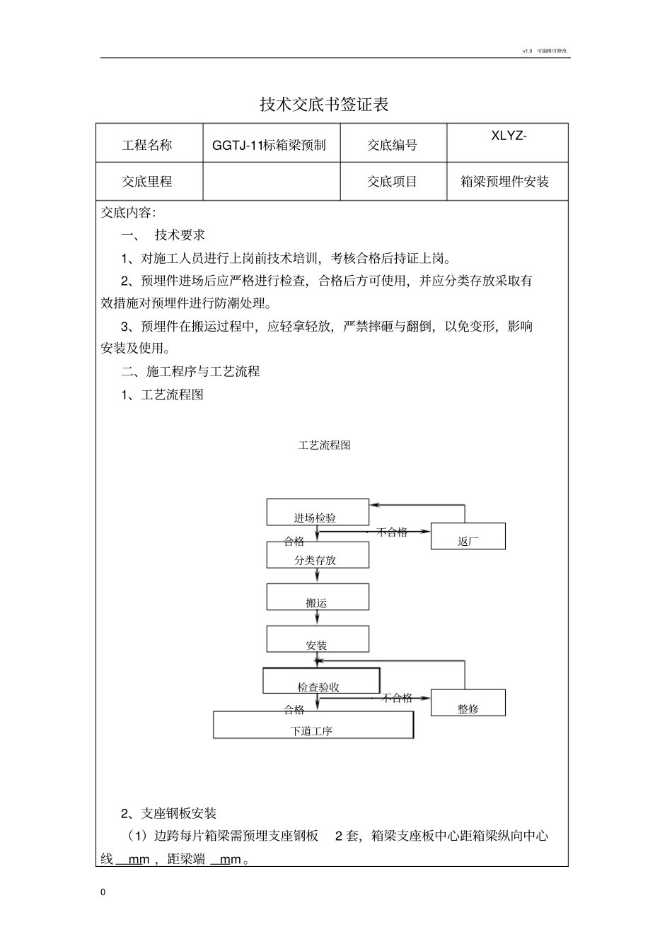
v1.0 可编辑可修改0 技术交底书签证表工程名称GGTJ-11标箱梁预制交底编号XLYZ-交底里程交底项目箱梁预埋件安装交底内容:一、 技术要求1、对施工人员进行上岗前技术培训,考核合格后持证上岗。2、预埋件进场后应严格进行检查,合格后方可使用,并应分类存放采取有效措施对预埋件进行防潮处理。3、预埋件在搬运过程中,应轻拿轻放,严禁摔砸与翻倒,以免变形,影响安装及使用。二、施工程序与工艺流程1、工艺流程图工艺流程图2、支座钢板安装(1)边跨每片箱梁需预埋支座钢板2 套,箱梁支座板中心距箱梁纵向中心线 mm ,距梁端 mm 。进场检验检查验收合格下道工序分类存放搬运安装合格返厂· 不合格整修· 不合格v1.0 可编辑可修改1 技术交底书签证表工程名称GGTJ-11标箱梁预制交底编号XLYZ-交底里程交底项目箱梁预埋件安装(2) 安装前预先在底模对应支座板锚固筋部位利用磁力钻钻孔,孔径的大小必须与锚固筋直径相一致,偏差控制在0.5mm以内。安装时用螺栓通过磁力钻孔与支座板连接,使支座板与底模紧密固定,以确保支座板位置不偏移。(3)在支座板与底模板的接触周边利用玻璃胶进行密封处理,确保砼浇筑时周围不漏浆,不渗水。砼浇筑完成后要及时把固定的螺栓全部拆除。3、防落梁预埋钢板每片箱梁用防落梁预埋钢板4 套,32m、24m防落梁钢板中心距箱梁纵向中心线分别为 1487mm、1491mm,距梁端 550mm。防落梁挡块预埋钢板检验、安装要求同条支座钢板 。支座预埋钢板进场检验和安装检验标准项次项目允许偏差检验方法备注1边缘高差≤1mm1m水平尺、塞尺进场检验2支座板平整度≤1mm1m水平尺、塞尺3四周边缘顺直,无飞边目测4螺栓中心位置偏差(对角线、长度、宽度)≤2mm用大量程游标卡尺5螺栓孔垂直度≤1mm用直角尺靠量6梁两端支座板相对高差≤2mm电子水准仪安装检验7支座板中心线偏离设计位置≤2mm用直角尺靠量4 、挡砟墙与竖墙预埋钢筋(1)防撞墙与竖墙预埋钢筋绑扎时,在胎具上依据桥面中心线及标高拉线定出其位置,然后用通长钢筋对防撞墙及竖墙预埋钢筋进行绑扎加固。(2)待桥面钢筋骨架吊装后,要对防撞墙与竖墙预埋钢筋进行调整,确保v1.0 可编辑可修改2 技术交底书签证表工程名称GGTJ-11标箱梁预制交底编号XLYZ-交底里程交底项目箱梁预埋件安装其位置正确、线形顺直。(3) 砼振捣时要避开钢筋, 以免预埋钢筋移位。 砼完成后要及时对预埋钢筋进行复位调整,确保预埋钢筋位置正确、竖直、间距均匀、线形顺直。(...

1、当您付费下载文档后,您只拥有了使用权限,并不意味着购买了版权,文档只能用于自身使用,不得用于其他商业用途(如 [转卖]进行直接盈利或[编辑后售卖]进行间接盈利)。
2、本站所有内容均由合作方或网友上传,本站不对文档的完整性、权威性及其观点立场正确性做任何保证或承诺!文档内容仅供研究参考,付费前请自行鉴别。
3、如文档内容存在违规,或者侵犯商业秘密、侵犯著作权等,请点击“违规举报”。

碎片内容

预埋件安装施工技术交底

确认删除?
VIP
微信客服
  • 扫码咨询
会员Q群
  • 会员专属群点击这里加入QQ群
客服邮箱
回到顶部