电脑桌面
添加小米粒文库到电脑桌面
安装后可以在桌面快捷访问

预留、预埋专项施工方案VIP专享

预留、预埋专项施工方案_第1页
1/7
预留、预埋专项施工方案_第2页
2/7
预留、预埋专项施工方案_第3页
3/7
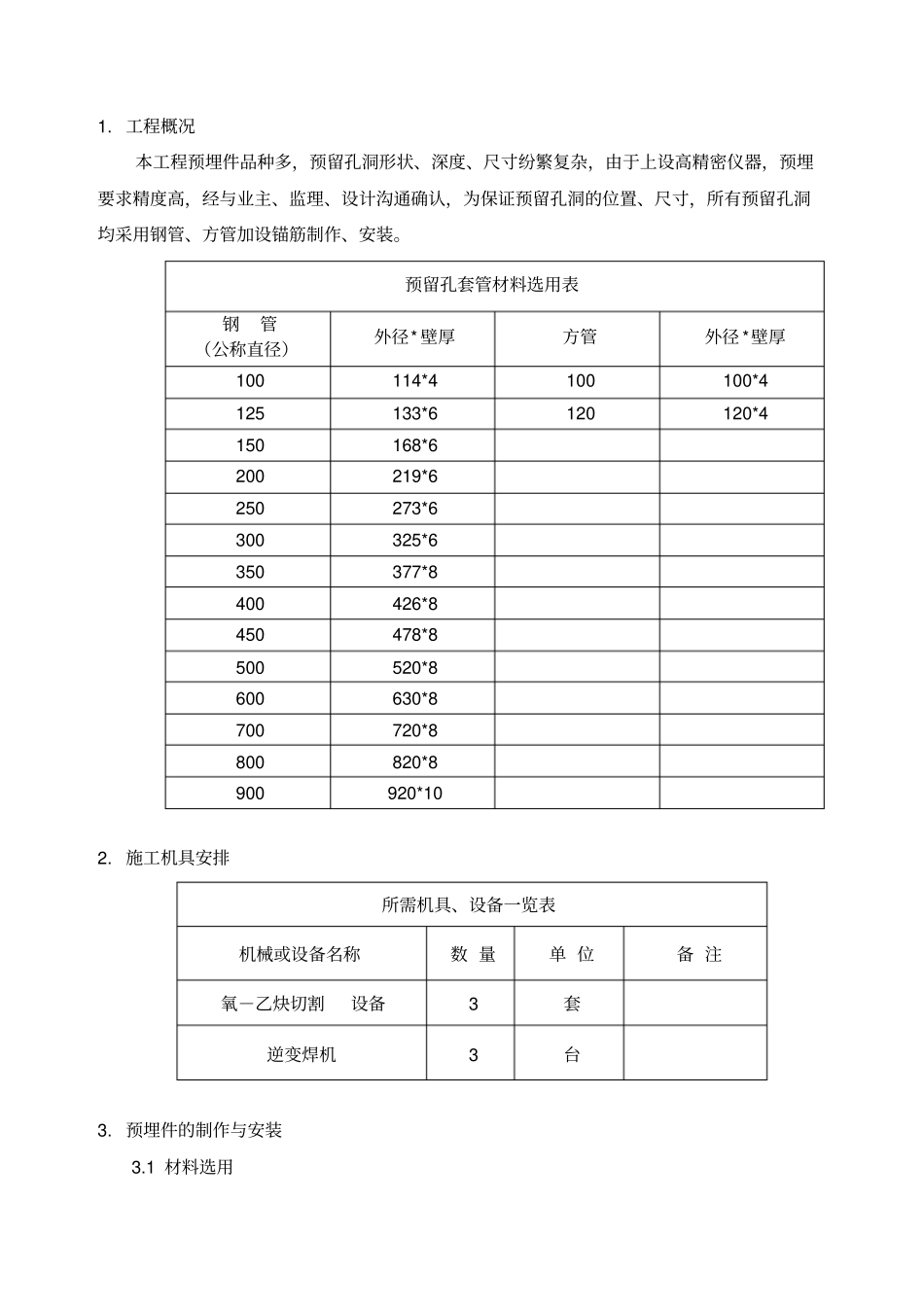
银川市城市生活垃圾预处理系统扩建及一机一炉改造预埋套管施工专项方案编制单位:浙江锦鑫建设工程有限公司编 制 人:审 批 人:编制日期:二〇一七年八月十二日1. 工程概况本工程预埋件品种多,预留孔洞形状、深度、尺寸纷繁复杂,由于上设高精密仪器,预埋要求精度高,经与业主、监理、设计沟通确认,为保证预留孔洞的位置、尺寸,所有预留孔洞均采用钢管、方管加设锚筋制作、安装。预留孔套管材料选用表钢管(公称直径)外径* 壁厚方管外径 *壁厚100 114*4 100 100*4 125 133*6 120 120*4 150 168*6 200 219*6 250 273*6 300 325*6 350 377*8 400 426*8 450 478*8 500 520*8 600 630*8 700 720*8 800 820*8 900 920*10 2. 施工机具安排所需机具、设备一览表机械或设备名称数 量单 位备 注氧-乙炔切割设备3 套逆变焊机3 台3. 预埋件的制作与安装3.1 材料选用3.1.1 预埋件的锚筋不得采用冷加工钢筋,一般采用 III级或 IV 级钢筋, 受力预埋件的钢筋宜采用 III级钢筋;3.1.2 钢板和型钢采用 Q235-B级,锚筋采用 HPB335级,焊条采用 E4315型。3.2 加工单编制:技术人员根据图纸及预埋件图集提出预埋件加工单,经审核后发放到焊接车间进行加工制作;3.3 预埋件、预留孔洞制作预留孔套管安照图纸要求预留深度下料制作,楼板预留孔套管按照楼板厚度下料制作(见详图),套管长度小于 200 的至少焊一层锚筋。按照图纸定位,中心偏移不得2cm,套管锚筋与楼层上下板筋焊接固定。预埋件制作必须严格按照预埋件加工单进行放样下料,制作好后表面均涂红丹一度,用油漆枪喷绘出埋件规格和型号(为白色字体)。具体要求如下:3.3.1 预埋件下料时,保证其外形尺寸,并合理下料,提高原材料的利用率;3.3.2 确保边排锚筋的位置,避免埋件安装时锚筋放在保护层内;3.3.3保证埋件能够按照图纸要求的平面位置正确布置,不能因为锚筋与主钢筋发生冲突而影响埋件的位置;3.3.4预埋铁件制作裁板下料,应采用机械或自动气割机;焊接变形采用千斤顶校正;验收合格后刷防锈漆保护并喷刷埋件型号、编号,以防用错;3.3.5 直锚筋与锚板宜用T 形焊,锚筋直径小于或等于20mm时,应优先采用压力埋弧焊;锚筋直径大于20mm时,宜采用穿孔塞焊,若因施工条件限制必须采用手工焊时,必须严格保证焊接质量。焊接高度hf 应大于 6mm及 0.5d( 对 HPB235级钢筋 ) 或 0.6d( 对 HRB335级钢筋 ) ;3.3.6 当...

1、当您付费下载文档后,您只拥有了使用权限,并不意味着购买了版权,文档只能用于自身使用,不得用于其他商业用途(如 [转卖]进行直接盈利或[编辑后售卖]进行间接盈利)。
2、本站所有内容均由合作方或网友上传,本站不对文档的完整性、权威性及其观点立场正确性做任何保证或承诺!文档内容仅供研究参考,付费前请自行鉴别。
3、如文档内容存在违规,或者侵犯商业秘密、侵犯著作权等,请点击“违规举报”。

碎片内容

预留、预埋专项施工方案

文库当当响+ 关注
实名认证
内容提供者

该用户很懒,什么也没介绍

确认删除?
VIP
微信客服
  • 扫码咨询
会员Q群
  • 会员专属群点击这里加入QQ群
客服邮箱
回到顶部