电脑桌面
添加小米粒文库到电脑桌面
安装后可以在桌面快捷访问

食品质量管理体系文件手册VIP专享

食品质量管理体系文件手册_第1页
1/50
食品质量管理体系文件手册_第2页
2/50
食品质量管理体系文件手册_第3页
3/50
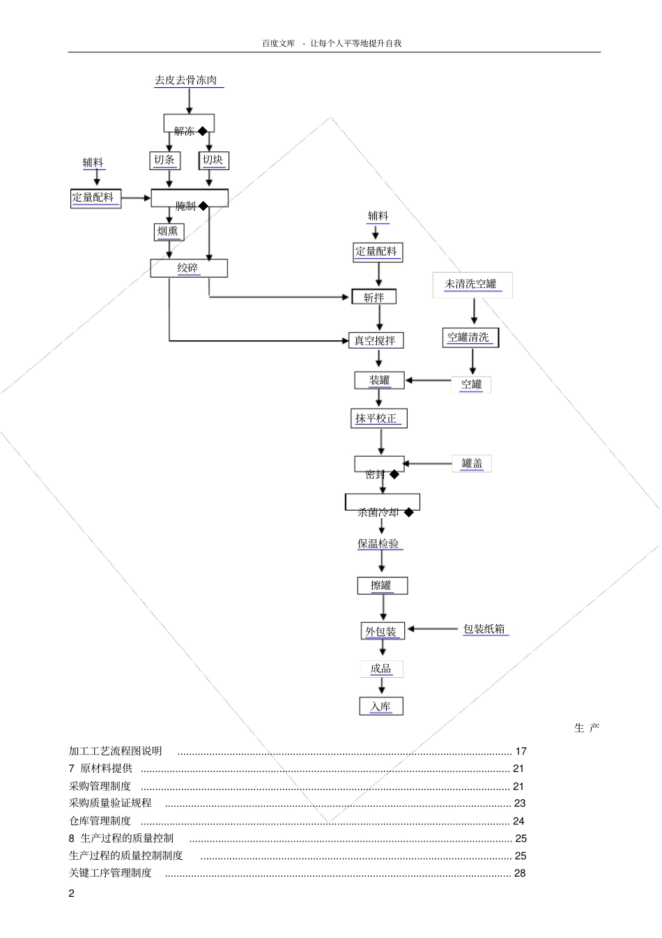
百度文库- 让每个人平等地提升自我1 火腿午餐肉质量管理体系文件手册根据食品质量安全市场准入审查通则&罐头食品生产许可证审查细则编制Q/ 目录1 质量方针、质量目标 ................................................................................................................... 52 质量负责人(管理者代表)任命书 .......................................................................................... 53 企业组织结构.............................................................................................................................. 64 岗 位 职 责 ................................................................................................................................ 7总经理职责 ...................................................................................................................................... 7质量负责人质量职责 ...................................................................................................................... 7总经办质量职责.............................................................................................................................. 7品控部门质量职责 .......................................................................................................................... 7制造部质量职责.............................................................................................................................. 8采购部质量职责.............................................................................................................................. 9财务科质量职责.............................................................................................................................. 9关键岗位质量职责 .......................................................................................................................... 9部门负责人质量职责 .................................................................................................................... 10采购员质...

1、当您付费下载文档后,您只拥有了使用权限,并不意味着购买了版权,文档只能用于自身使用,不得用于其他商业用途(如 [转卖]进行直接盈利或[编辑后售卖]进行间接盈利)。
2、本站所有内容均由合作方或网友上传,本站不对文档的完整性、权威性及其观点立场正确性做任何保证或承诺!文档内容仅供研究参考,付费前请自行鉴别。
3、如文档内容存在违规,或者侵犯商业秘密、侵犯著作权等,请点击“违规举报”。

碎片内容

食品质量管理体系文件手册

确认删除?
VIP
微信客服
  • 扫码咨询
会员Q群
  • 会员专属群点击这里加入QQ群
客服邮箱
回到顶部