电脑桌面
添加小米粒文库到电脑桌面
安装后可以在桌面快捷访问

01施工放样记录表VIP专享

01施工放样记录表_第1页
1/54
01施工放样记录表_第2页
2/54
01施工放样记录表_第3页
3/54
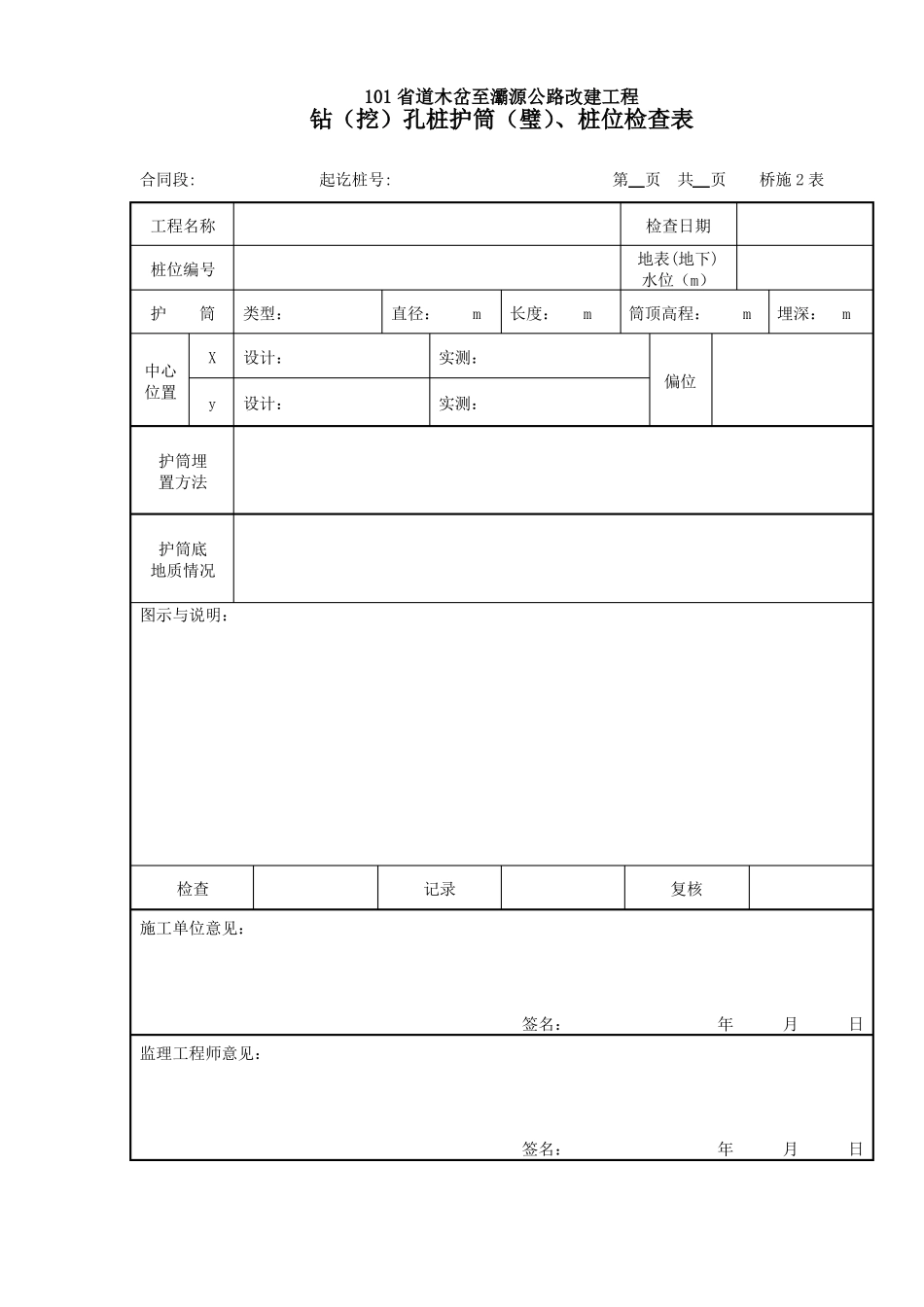
101 省道木岔至灞源公路改建工程施 工 放 样 检 查 表合同段: N16起讫桩号:第页共页桥施 1 表工程名称施工部位横轴纵轴长几何尺寸(mm)宽直径1#档块左端前端设计设计设计左前左后1230860351.33中心点358.24右后84实测实测实测XK125+050-XK130+110 伍竹园特大桥检查日期右端后端1233863右前2009.04.1867轴线偏位(mm)地面高程(m)图示备注检查结论:经检查符合设计,满足 JTG/T F50-2011《公路桥涵施工技术规范》要求2009年 4 月 18日检查记录复核施工单位意见:经检查符合设计,满足 JTG/T F50-2011《公路桥涵施工技术规范》要求签名: 2009年 4 月 18日监理工程师意见:经检查符合设计,满足 JTG/T F50-2011《公路桥涵施工技术规范》要求签名: 2009年 4月 18日101 省道木岔至灞源公路改建工程钻(挖)孔桩护筒(璧)、桩位检查表合同段:起讫桩号:第页共页桥施 2 表工程名称桩位编号护筒Xy类型:设计:设计:直径: m实测:偏位实测:长度: m检查日期地表(地下)水位(m)筒顶高程: m埋深: m中心位置护筒埋置方法护筒底地质情况图示与说明:检查施工单位意见:记录复核签名:年月日监理工程师意见:签名:年月日101 省道木岔至灞源公路改建工程挖孔桩挖孔记录表合同段:起讫桩号:第页共页桥施 3 表工程名称应挖深度(m)挖 进 时 间起检查施工单位意见:签名:年月日监理工程师意见:签名:年月日止设计孔底高程(m)挖进深度(m)地质情况本次累计记录桩位护壁顶高程(m)竖直度复核施工起止时间孔径护壁情况孔底高程(m)101 省道木岔至灞源公路改建工程钻孔桩钻孔记录表合同段:起讫桩号:第页共页桥施 4 表工程名称桩径(cm)应钻深度(m)钻机型式起止时间起事故处理:检查施工单位意见:签名:年月日监理工程师意见:签名:年月日记录复核止共计h工作项目地面高程实钻深度(m)钻头直径(m)冲程(m)冲击次数(次/分)护筒长度(m)钻进深度(m)本次累计桩位施工起止日期护筒埋置深度(m)泥浆比重 孔底高程3(g/cm )(m)设计桩底高程(m)护筒顶高程(m)钻头重量(kg)地质情况101 省道木岔至灞源公路改建工程桩 基 成 孔 检 查 表合同段:起讫桩号:第页共页桥施 5 表工程名称桩位设计桩尖高程(m)孔底实际高程(m)实钻深度(m)检孔器说明:检查日期应钻深度(m)成孔直径(m)测设工具护筒顶高程(m)设计桩径(m)倾斜度(mm)成孔及地质示意图:检孔器检测情况:检查施工单位意见:记录复...

1、当您付费下载文档后,您只拥有了使用权限,并不意味着购买了版权,文档只能用于自身使用,不得用于其他商业用途(如 [转卖]进行直接盈利或[编辑后售卖]进行间接盈利)。
2、本站所有内容均由合作方或网友上传,本站不对文档的完整性、权威性及其观点立场正确性做任何保证或承诺!文档内容仅供研究参考,付费前请自行鉴别。
3、如文档内容存在违规,或者侵犯商业秘密、侵犯著作权等,请点击“违规举报”。

碎片内容

01施工放样记录表

确认删除?
VIP
微信客服
  • 扫码咨询
会员Q群
  • 会员专属群点击这里加入QQ群
客服邮箱
回到顶部