电脑桌面
添加小米粒文库到电脑桌面
安装后可以在桌面快捷访问

GEL高效送风口的安装及操作手册

GEL高效送风口的安装及操作手册_第1页
1/6
GEL高效送风口的安装及操作手册_第2页
2/6
GEL高效送风口的安装及操作手册_第3页
3/6
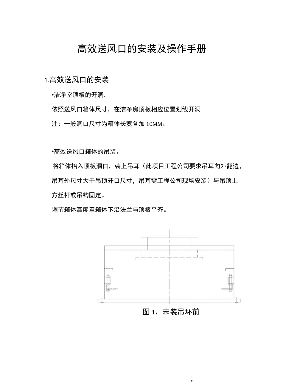
.c高效送风口的安装及操作手册1.高效送风口的安装•洁净室顶板的开洞.依照送风口箱体尺寸,在洁净房顶板相应位置划线开洞注:一般洞口尺寸为箱体长宽各加 10MM。•髙效送风口箱体的吊装。将箱体抬入顶板洞口,装上吊耳(此项目工程公司要求吊耳向外翻边,吊耳外尺寸大于吊顶开口尺寸,吊耳需工程公司现场安装)与吊顶上方丝杆或吊钩固定。调节箱体髙度至箱体下沿法兰与顶板平齐。图 1,未装吊环前.cI甯封胶(观场打吊吊图 2,装入吊顶洞口,并装上吊环图 3,装上吊装丝杆,并打胶•箱体与顶板的密封。箱体下沿法兰与净房顶板结合部位需打密封胶,以保证净房气体不外泄。•箱体保温。如箱体外保温至顶板上方,则贴保温棉前箱体与顶板隔洞间的缝隙需加入填充料,避免箱体结露。£:保温棉、;密封胶〔现场打胶H楹封胶 I 现场打>4吊装趙杆-、图 4,加贴保温棉后.c•风管与箱体接口的连接。将风管与箱体进风接口相连。使用方形外法兰接口时,需在箱体进风口外法兰沿上钻孔,并用螺栓螺母与风管法兰连接,并在连接部位填充密封材料。使用圆形进风接口时,需用圆箍将软风管与箱体接口收紧,注意圆箍位置应在箱体进风接口防滑凸起沿。如箱体进风接口为侧接时,需要先将进风接口与箱体用自攻螺栓或铆钉连接固定。•风量调节阀的安装。如订购单包括风量调节阀,需在连接风管与高效送风口箱体前安装好风量调节阀。用自攻螺栓或铆钉将风量调节阀与箱体进风洞口相连,并在连接部位填充密封材料,最后在四周打胶。注意:安装时阀体洞口与箱体洞口应保持位置一致。此项目风口不含调节阀,风阀可安装于主风管与支风管接口处。.c•箱体保温。如箱体外保温至顶板上方,则箱体与顶板隔洞间的缝隙需加入填充料,避免箱体结露。•过滤器的安装。由于高效过滤器使用玻纤滤纸,滤料容易折断损坏而造成泄漏。故搬运,拆包装,安装过程中不得摔倒或碰撞过滤器,严禁作业人员手指或其他物体接触过滤器滤料。a)高效过滤器安装前需对箱体进行清洁及预吹处理,避免粉尘污染过滤器,降低使用寿命。b)将箱体过滤器压块旋转至平行于对应边框角度(如安装示意图),将过滤器居中装入箱体(密封垫片面应朝上与箱体接触)。c)将箱体过滤器压块拉下至箱体丝杆末端,并旋转至垂直于对应边框角度(如安装示意图),并将四周压块分别拧紧。d)检查每个压块螺母扭矩是否接近,如有明显松紧需进行调整,避免过滤器边框泄漏。b1.c•散流孔板的安装。将散流孔板盖住箱体,并用扁头螺栓...

1、当您付费下载文档后,您只拥有了使用权限,并不意味着购买了版权,文档只能用于自身使用,不得用于其他商业用途(如 [转卖]进行直接盈利或[编辑后售卖]进行间接盈利)。
2、本站所有内容均由合作方或网友上传,本站不对文档的完整性、权威性及其观点立场正确性做任何保证或承诺!文档内容仅供研究参考,付费前请自行鉴别。
3、如文档内容存在违规,或者侵犯商业秘密、侵犯著作权等,请点击“违规举报”。

碎片内容

GEL高效送风口的安装及操作手册

确认删除?
VIP
微信客服
  • 扫码咨询
会员Q群
  • 会员专属群点击这里加入QQ群
客服邮箱
回到顶部