电脑桌面
添加小米粒文库到电脑桌面
安装后可以在桌面快捷访问

消防的自动喷淋系统的施工技术交底

消防的自动喷淋系统的施工技术交底_第1页
1/6
消防的自动喷淋系统的施工技术交底_第2页
2/6
消防的自动喷淋系统的施工技术交底_第3页
3/6
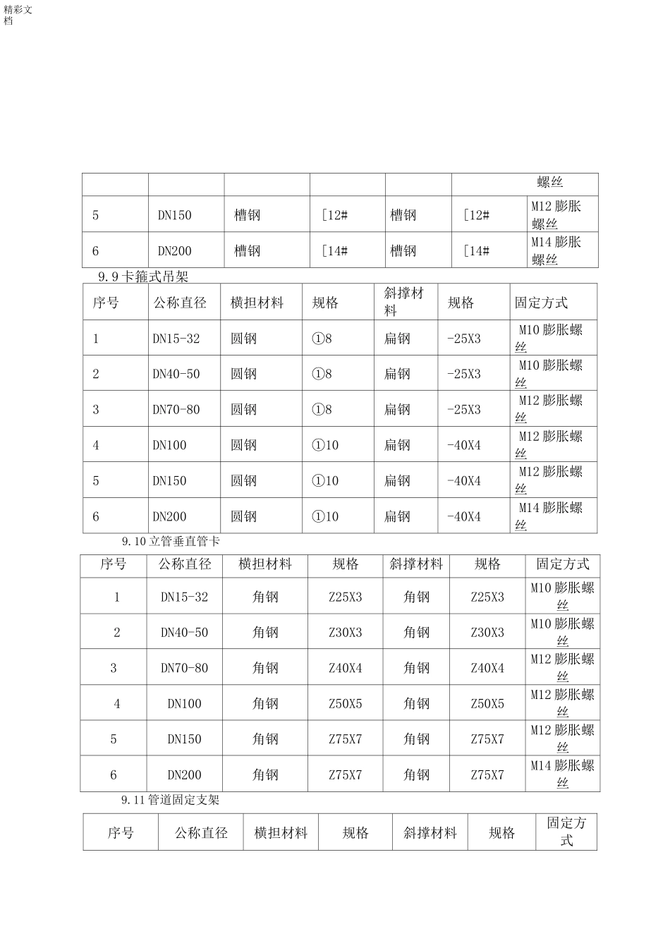
精彩文档交底内容:一、管材1、消防系统管道的管材材质必须按照图纸要求。2、各种管道及其配件的等材料必须认真检查其外观质量,确认完好无损后方可入库。3、各种管道及其配件的等材料在运送、储存及安装期间,应采取正确的保护措施,以确保管材在任何情况下不受破损和锈蚀。二、质量要求1、喷淋系统水压试验结果及使用的管材品种、规格、尺寸必须符合设计要求和施工规范规定。2、水泵的规格型号必须符合设计要求,水泵试运转的轴承温升必须符合规定。3、自动喷洒喷头位置,间距和方向必须符合设计要求和施工规范规定。4、镀锌管道螺纹连接应牢固,接口处无漏油漏麻且防腐良好。5、卡箍连接应对接平行、紧密且与管中心线垂直,螺杆露出螺母长度不大于螺杆直径的 1/2。6、现场用的支架材料,进场必须报验,现场防腐刷漆必须经过验收后才能使用,管道的弯头和三通处需要架设支吊架。7、水平管道安装坡度在 0.002〜0.005 之间。8、吊架与喷头的距离不应小于 300mm,距末端喷头的距离不大于 750mm。9、吊架应设在相邻喷头间的管段上,当相邻喷头间距不大于 3.6m,可设 1 个。小于1.8m,允许隔段设置。管道支架设置原则:9.1 管道不允许由因介质通过发生作用而产生位移的部分,应设置固定支架,固定支架要牢固地固定在可靠的结构上。9.2 在管道无垂直位移或垂直位移很小的地方,可装设活动支架或钢性支架。9.3 喷淋、喷雾系统的分支管道设置吊架,主管的每条分支管道设置一个防晃支架。9.4 管道支架设置间距:直径(mm)253240506580100125150200距离(mm)3.54.04.55.05.56.06.07.08.08.59.5 墙柱三角支撑精彩文档序号公称直径横担材料规格斜撑材料规格固定方式1DN15-32角钢Z25X3角钢Z25X3M10 膨胀螺丝2DN40-50角钢Z30X3角钢Z25X3M10 膨胀螺丝3DN70-80角钢Z40X4角钢Z25X3M12 膨胀螺丝4DN100角钢Z50X5角钢Z25X3M12 膨胀螺丝5DN150角钢Z75X7角钢Z25X3M12 膨胀螺丝6DN200角钢Z75X7角钢Z25X3M14 膨胀螺丝9.6 地上水平管支架序号公称直径横担材料规格斜撑材料规格固定方式1DN15-32角钢Z25X3角钢Z25X3M10 膨胀螺丝2DN40-50角钢Z30X3角钢Z25X3M10 膨胀螺丝3DN70-80角钢Z40X4角钢Z25X3M12 膨胀螺丝4DN100槽钢[10#槽钢[10#M12 膨胀螺丝5DN150槽钢[12#槽钢[12#M12 膨胀螺丝6DN200槽钢[14#槽钢[14#M14 膨胀螺丝9.8 地上水平管排支架序号公称直径横担材料规格斜撑材料规格固定方式1DN15-32角钢Z25X3角钢Z25X3M10 膨胀螺丝2DN40-50角钢Z30X3角钢Z2...

1、当您付费下载文档后,您只拥有了使用权限,并不意味着购买了版权,文档只能用于自身使用,不得用于其他商业用途(如 [转卖]进行直接盈利或[编辑后售卖]进行间接盈利)。
2、本站所有内容均由合作方或网友上传,本站不对文档的完整性、权威性及其观点立场正确性做任何保证或承诺!文档内容仅供研究参考,付费前请自行鉴别。
3、如文档内容存在违规,或者侵犯商业秘密、侵犯著作权等,请点击“违规举报”。

碎片内容

消防的自动喷淋系统的施工技术交底

您可能关注的文档

确认删除?
VIP
微信客服
  • 扫码咨询
会员Q群
  • 会员专属群点击这里加入QQ群
客服邮箱
回到顶部