电脑桌面
添加小米粒文库到电脑桌面
安装后可以在桌面快捷访问

塔式起重机检查表..VIP专享

塔式起重机检查表.._第1页
1/19
塔式起重机检查表.._第2页
2/19
塔式起重机检查表.._第3页
3/19
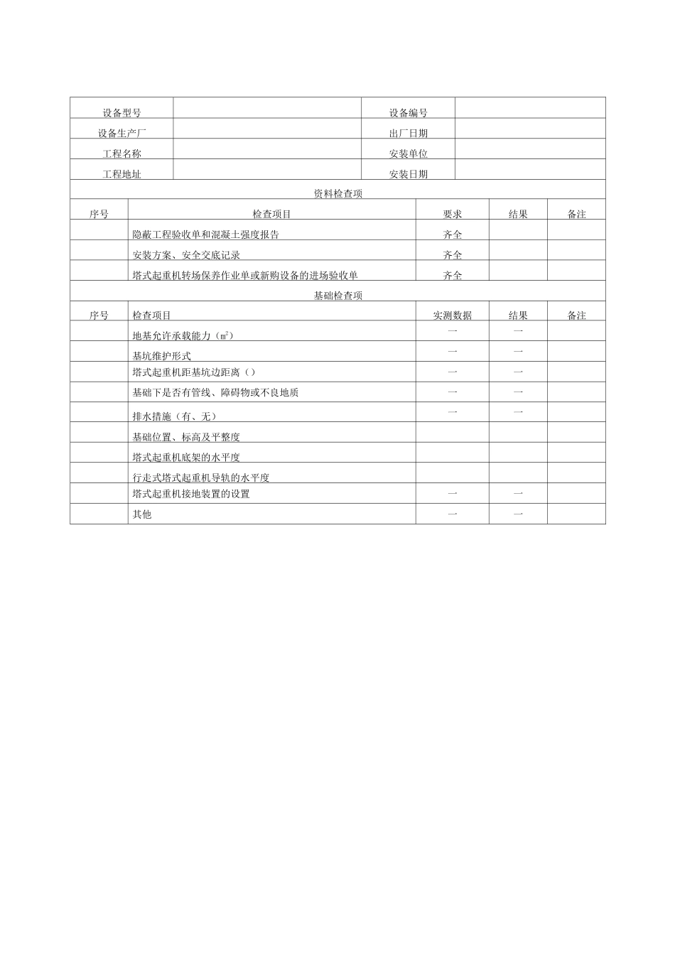
塔式起重机出租前检查表制造单位型号检查日期出厂编号出厂日期备案编号检查项目检查内容检查结果金属结构及配件部件、附件是否齐全无缺损,各联接螺栓联结是否牢固螺栓、销轴等联结件是否有裂纹、变形、锈蚀严重等现象主要受力构件是否有塑性变形和裂纹金属结构的连接焊缝是否有明显可见的焊接缺陷,结构是否有变形、疲劳裂纹爬梯、平台、走道是否无变形、脱焊、锈蚀严重等现象且符合规范要求配重是否无质量缺陷,数量、重量是否达到原厂说明书要求安全装置力矩、重量限制器是否齐全完好起升、变幅、回转、大车行走等行程限位装置是否齐全完好所有滑轮防脱槽装置、卷筒上防钢丝绳脱出装置是否齐全完好变幅钢丝绳防断绳装置,小车防断轴装置是否齐全完好吊钩防钢丝绳脱钩的保险装置是否齐全完好起重臂上是否设置了前后止挡;各缓冲装置是否齐全完好安全装置起重机上外露的有伤人可能的活动零部件是否装设了防护罩,电气设备是否装设了防雨罩绳轮系统钢丝绳是否无扭结、压扁、弯折、断股、笼状畸变、断芯等变形现象,钢丝绳直径减小量是否不大于公称直径的,断丝数是否符合规范要求。滑轮是否转动良好、无裂纹、无轮缘破损等损伤钢丝绳的缺陷轮槽壁厚、轮槽底部磨损是否不超过规范要求工作机构各机构是否固定牢固,无缺件,各部件性能是否符合规范要求各机构刹车装置是否无缺件,制动器调整是否适宜,制动是否平稳可靠。制动轮、刹车片是否符合规范要求卷筒壁是否有裂纹或过度磨损电气系统电缆是否符合塔机使用要求,是否无破损、老化等现象碳刷、接触器、继电器触点是否良好仪表、照明、报警系统是否完好、可靠控制、操纵装置是否动作灵活、可靠电气各种安全保护装置是否齐全、可靠电气系统对塔吊金属部分的绝缘电阻是否不小于 Q吊钩吊钩是否无裂纹、剥裂等缺陷(不得焊补,不允许使用铸造吊钩)吊钩危险断面磨损量、开口度增加量是否符合规范要求续表检查项目检查内容检查结果油质是否良好、充足各油管及管接头状况是否良好,平衡阀与油缸之间是否为硬管连接检查结论技术负责人:(签名)检查人:(签名)整改结论整改人:(签名)复查人:(签名)产权单位:(章)检查单位:(章)注:此表为塔式起重机出租前的整机完好性检查表,目的是查看产权单位提供的设备符合相关技术要求,进入现场前天内有效。该表由该设备的安装单位或取得设备维修改造资质的单位负责填写。并对检查结果负责。未取得相应资质的单位填写无效。设备产权单位在签订设备租赁...

1、当您付费下载文档后,您只拥有了使用权限,并不意味着购买了版权,文档只能用于自身使用,不得用于其他商业用途(如 [转卖]进行直接盈利或[编辑后售卖]进行间接盈利)。
2、本站所有内容均由合作方或网友上传,本站不对文档的完整性、权威性及其观点立场正确性做任何保证或承诺!文档内容仅供研究参考,付费前请自行鉴别。
3、如文档内容存在违规,或者侵犯商业秘密、侵犯著作权等,请点击“违规举报”。

碎片内容

塔式起重机检查表..

确认删除?
VIP
微信客服
  • 扫码咨询
会员Q群
  • 会员专属群点击这里加入QQ群
客服邮箱
回到顶部