电脑桌面
添加小米粒文库到电脑桌面
安装后可以在桌面快捷访问

P16户外全彩LED显示屏工程方案

P16户外全彩LED显示屏工程方案_第1页
1/16
P16户外全彩LED显示屏工程方案_第2页
2/16
P16户外全彩LED显示屏工程方案_第3页
3/16
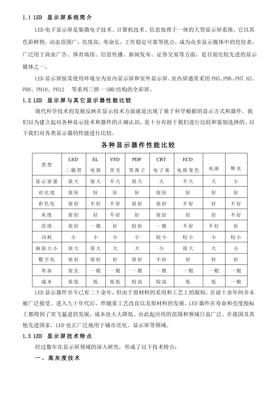
深圳 XX 科技有限公司LEDP16 户外全彩显示屏方案目第一章系统概述1.1 LED 电 子 显 示 屏 系 统 简 介1.2 LED 显 示 屏 与 其 它 显 示 器 性 能 比 较1.3 LED 显 示 屏 技 术 特 点录第二章用户显示屏方案设计及技术参数2.1 用 户 显 示 屏 系 统 设 计2.2 显 示 屏 系 统 概 述2.3Ф5 单色半户外显 示 屏 参 数 设 计第三章设备清单及价格组成3.1 主体系统设备清单及价格组成3.2 推 荐 方 案 工 程 总 价第四章工程施工方案及工期4.1 工 程 施 工 时 间 表4.2 工 程 实 施 方 案第五章工程验收5.15.25.35.45.55.6屏 体 验 收应 用 软 件 功 能 验 收模 拟 系 统 验 收框 架 结 构 质 量 验 收系 统 最 终 验 收系 统 验 收 标 准第六章培训6.1 基 础 培 训6.2 现 场 培 训第七章售后服务7.17.27.37.47.5免 费 提 供 的 设 备 保 修 服 务热 线 服 务 和 快 捷 服 务备 品 备 件 供 应定 期 检 修 保 养 服 务优 惠 的 后 续 支 持 服 务第一章系统概述1.1 LED显 示 屏 系 统 简 介LED 电子显示屏是集微电子技术、计算机技术、信息处理于一体的大型显示屏系统。它以其色彩鲜艳,动态范围广,亮度高,寿命长,工作稳定可靠等优点,成为众多显示媒体中的佼佼者,广泛用于商业广告、体育场馆、信息传播、新闻发布、证券交易等方面,是目前比较先进的显示媒体之一。LED 显示屏按其使用环境分为室内显示屏和室外显示屏。室内屏通常采用 PH5、PH6、PH7.62、PH8、PH10、PH12等系列三拼一 SMD 结构的全彩屏。1.2 LED显 示 屏 与 其 它 显 示 器 性 能 比 较现代科学技术的发展反映在显示技术方面就是出现了基于科学根据的显示方式和器件。我们以为建立起对各种显示技术和器件的正确认识,是十分有助于我们进行比较和鉴别选择的。以下我们对各类显示器的性能进行比较。各种显示器件性能比较LED类 型二 极 管显 示 容 量对 比 度彩 色 化灰 度亮 度功 耗画 面 大 小数 字 化寿 命成 本很 大很 好很 好很 好很 好小很 大很 好很 长很 低电 致很 大好不 好好一 般小很 大很 好一 般低荧 光不 大好不 好不 好好小大好一 般很 低等 离 子很 大好很 好好较 好小大很 好一 般较 高电 子 束大很 好很 好很 好...

1、当您付费下载文档后,您只拥有了使用权限,并不意味着购买了版权,文档只能用于自身使用,不得用于其他商业用途(如 [转卖]进行直接盈利或[编辑后售卖]进行间接盈利)。
2、本站所有内容均由合作方或网友上传,本站不对文档的完整性、权威性及其观点立场正确性做任何保证或承诺!文档内容仅供研究参考,付费前请自行鉴别。
3、如文档内容存在违规,或者侵犯商业秘密、侵犯著作权等,请点击“违规举报”。

碎片内容

P16户外全彩LED显示屏工程方案

您可能关注的文档

确认删除?
VIP
微信客服
  • 扫码咨询
会员Q群
  • 会员专属群点击这里加入QQ群
客服邮箱
回到顶部