电脑桌面
添加小米粒文库到电脑桌面
安装后可以在桌面快捷访问

SF6气体监测标准化作业指导书

SF6气体监测标准化作业指导书_第1页
1/8
SF6气体监测标准化作业指导书_第2页
2/8
SF6气体监测标准化作业指导书_第3页
3/8
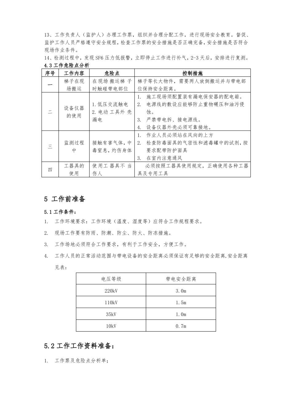
SF6 气体状态监测标准化作业指导书北京电力变电公司1 适用范围本指导书适用于绝缘介质为 SF6 的断路器及 GIS 设备的气体状态监测工作。2 作业条件不停电。3 引用文件下列标准及技术资料所包含的条文,通过在本作业指导书中引用,而构成为本作业指导书的条文。DL 408-1991 电业安全工作规程DL 5009.3-1997 电力建设安全工作规程GBJ 147-1990 电气装置安装工程:高压电器施工及验收规范北京市电力公司电力安全工作规程北京市电力公司电力设备预防性试验规程DMT-262 精密露点仪厂家使用手册PH 型 SF6 纯度分析仪厂家使用手册JH-2000 型 SF6 电气设备故障检测仪厂家使用手册4 安全工作要求及工期4.1 作业人员、工期标准及作业人员责任工作人数:3 人工期标准:1 天工作人员:必须经过培训考试合格后并持证上岗。作业人员应熟悉触电急救法。工作负责人(监护人):办理工作票,组织并合理分配工作,进行现场安全教育。督促、监护工作人员严格遵守安全规程,检查是否符合现场作业条件。4.2 安全注意事项1、工作人员应与带电部分保持安全距离。2、认真执行安全规程及工作票所列安全措施。3、进入现场必须穿戴好工作服、安全帽,工作负责人穿好红马甲,高处作业必须系好安全带。4、工作现场保持清洁,不准吸烟并准备好消防工具。5、必要时采取防静电感应的措施。6、作业现场搬运梯子等较长物品时,应放到两人搬运。7、使用梯子时,梯子应与地面成 60°角,梯子上只能一人工作并且有专人扶梯。8、在连接使用工作电源时,应检查漏电保安器动作是否正确。连接电源时应由两人完成,其中一人操作,一人监护。9、设备仪器外壳必须接地。10、严格执行工作票制度,工作负责人详细审查工作票的内容是否完备、全面;认真向工作人员交代工作内容及现场安全措施,带电部位及有关注意事项;工作人员必须认真听取工作票,清楚工作内容及带电部位和安全措施。12、工作人员必须经过安全及本专业技术培训考试合格后并持证上岗。作业人员应熟悉触电急救方法。13、工作负责人(监护人)办理工作票,组织并合理分配工作,进行现场安全教育。督促、监护工作人员严格遵守安全规程,检查工作票的安全措施是否正确完备,安全措施是否符合现场作业条件。14、检测过程中,发现 SF6 压力低报警,立即停止工作进行补气,2-3 天后,安排进行复测。4.3 工作危险点分析序号一工作内容梯子在现场搬运危险点在现场 搬运梯 子时触碰带电部位1.低压交流触电2....

1、当您付费下载文档后,您只拥有了使用权限,并不意味着购买了版权,文档只能用于自身使用,不得用于其他商业用途(如 [转卖]进行直接盈利或[编辑后售卖]进行间接盈利)。
2、本站所有内容均由合作方或网友上传,本站不对文档的完整性、权威性及其观点立场正确性做任何保证或承诺!文档内容仅供研究参考,付费前请自行鉴别。
3、如文档内容存在违规,或者侵犯商业秘密、侵犯著作权等,请点击“违规举报”。

碎片内容

SF6气体监测标准化作业指导书

您可能关注的文档

文库响当当+ 关注
实名认证
内容提供者

该用户很懒,什么也没介绍

确认删除?
VIP
微信客服
  • 扫码咨询
会员Q群
  • 会员专属群点击这里加入QQ群
客服邮箱
回到顶部