电脑桌面
添加小米粒文库到电脑桌面
安装后可以在桌面快捷访问

Z304050×16A型摇臂钻床使用说明书

Z304050×16A型摇臂钻床使用说明书_第1页
1/11
Z304050×16A型摇臂钻床使用说明书_第2页
2/11
Z304050×16A型摇臂钻床使用说明书_第3页
3/11
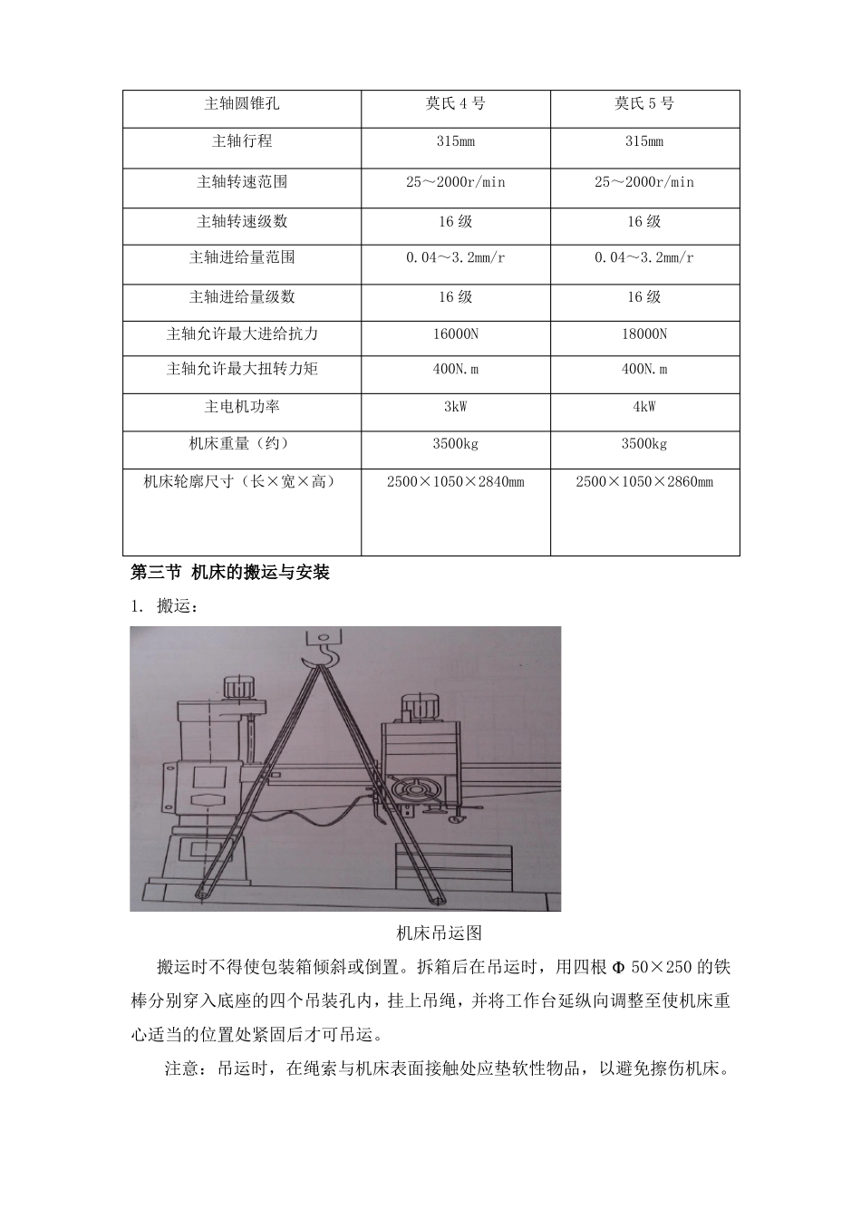
Z3040(50)×16A 型摇臂钻床使用说明书第一节 用途、环境及机床要求1. 主要用途及适用范围:Z3040(50)×16A 型 摇臂钻床广泛适用于机械加工各部门,对各类零件进行钻孔、扩孔、铰孔、锪平面等加工。2. 环境要求:适合本机床工作的条件:温度 5℃~40℃;相对湿度 30%~85%;当最高温度为 40℃时,相对湿度小于 50%;大气压强 86-106kpa;粉尘浓度不得大于 10 ㎎/m3;不得含酸、碱、腐蚀和有毒气体、液体;不得有导电尘埃;厂房内不得有雨雪侵袭;地面平整、清洁;过道通畅,无阻碍物存在;室内光线充足(或照明条件良好)。机床安装要远离振源、热源和热流。3. 电源要求:机床输入的动力电源为三相四线 3~380V,50Hz 交流电源。根据特殊订货,也可使用其它电源和频率的三相交流电源。机床所需电源的稳态电压值为 0.9~1.1 倍额定电压,频率为 0.99~1.01倍额定频率。当工厂电源不符合上述要求时,用户必须增加稳压装置以达到要求,否则,将会造成机床动作的不可靠和造成意外的危险。机床必须有良好的保护接地装置,在连接机床动力线之前,必须将保护接地线连接在机床引入线配电板 PE 接地铜排上。第二节 技术参数1. 基本参数:主要规格与参数最大钻孔直径主轴中心线至立柱母线距离最大最小主轴端面至底座工作面距离最大最小Z3040×16A40mm1600mm350mm1250mm380mmZ3050×16A50mm1600mm350mm1220mm350mm主轴圆锥孔主轴行程主轴转速范围主轴转速级数主轴进给量范围主轴进给量级数主轴允许最大进给抗力主轴允许最大扭转力矩主电机功率机床重量(约)机床轮廓尺寸(长×宽×高)莫氏 4 号315mm25~2000r/min16 级0.04~3.2mm/r16 级16000N400N.m3kW3500kg2500×1050×2840mm莫氏 5 号315mm25~2000r/min16 级0.04~3.2mm/r16 级18000N400N.m4kW3500kg2500×1050×2860mm第三节 机床的搬运与安装1. 搬运:机床吊运图搬运时不得使包装箱倾斜或倒置。拆箱后在吊运时,用四根Φ 50×250 的铁棒分别穿入底座的四个吊装孔内,挂上吊绳,并将工作台延纵向调整至使机床重心适当的位置处紧固后才可吊运。注意:吊运时,在绳索与机床表面接触处应垫软性物品,以避免擦伤机床。2. 机床安装及精度调整(1)机床安装时所需的占地面积:(2)机床安装:为方便运输,本机床在装箱时卸下了升降电机组件放于附件箱内。在机床安装前请将升降电机组件装在升降传动箱上,并接通升降电机电路,再将图主轴箱夹紧机构图中 A 处夹紧接头...

1、当您付费下载文档后,您只拥有了使用权限,并不意味着购买了版权,文档只能用于自身使用,不得用于其他商业用途(如 [转卖]进行直接盈利或[编辑后售卖]进行间接盈利)。
2、本站所有内容均由合作方或网友上传,本站不对文档的完整性、权威性及其观点立场正确性做任何保证或承诺!文档内容仅供研究参考,付费前请自行鉴别。
3、如文档内容存在违规,或者侵犯商业秘密、侵犯著作权等,请点击“违规举报”。

碎片内容

Z304050×16A型摇臂钻床使用说明书

您可能关注的文档

确认删除?
VIP
微信客服
  • 扫码咨询
会员Q群
  • 会员专属群点击这里加入QQ群
客服邮箱
回到顶部