电脑桌面
添加小米粒文库到电脑桌面
安装后可以在桌面快捷访问

焊接件通用技术规范

焊接件通用技术规范_第1页
1/14
焊接件通用技术规范_第2页
2/14
焊接件通用技术规范_第3页
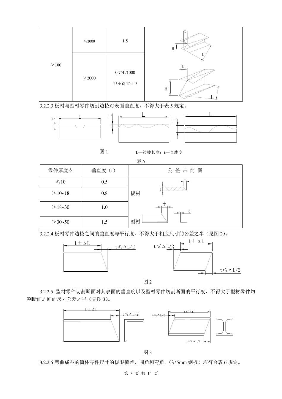
3/14
第 1 页 共 14 页 焊接件通用技术规范 1 . 目的 为统一普通钢结构焊接件在工厂全过程的基本要求,特制订本规范。 2 . 范围 如顾客未对焊接件产品的加工及检验要求做出明确规定(含规范和图纸)、或已给出的规定不全时,在技术文件编制、加工制作、性能试验、检验规则以及标识、包装、运输、贮存和检验等环节须执行本规范的要求。 3 . 一般要求 3.1 焊接件的制造应符合经规定程序批准的产品图样、技术文件和本标准的规定。 3.2 焊接件材料和焊接材料 3.2.1 用于焊接件材料的钢号、规格、尺寸应符合产品图样的要求。 3.2.2 用于焊接件的材料(钢板型钢等)和焊接材料(焊条、焊丝、焊剂等),进厂时应按照材料标准规定,验收合格后方准使用。 3.2.3 对于无牌号和无合格证书的焊接件材料和焊接材料须进行检验和鉴定,确认合格后方准使用。 3.2.4 原材料下料前的形状偏差应符合有关标准规定,否则应予以矫正或另作他用(矫正可下料前校正,也可下料后校正),使之达到要求。矫正后,钢材表面不应留有明显的损伤。 3.3 焊接零件未注公差尺寸的形位公差 3.3.1 零件尺寸的极限偏差 手工气割的板材、型钢(角钢、工字钢、槽钢)零件尺寸的极限偏差应符合表1 规定。 表1 基本尺寸 板材厚度 型材厚度 板材厚度 型材厚度 板材厚度 型材厚度 板材厚度 型材厚度 ≤10 ≤100 >10~ 20 >100~ 200 >20~ 30 >200~ 300 >30 >300 ≤500 ±1.5 ±1.5 ±2.0 ±2.0 >500~ 1000 ±2.0 ±2.5 ±3.0 ±3.5 >1000~ 2500 ±2.5 ±3.0 ±3.5 ±4.0 >2500~ 4000 ±3.0 ±3.5 ±4.0 ±4.5 >4000~ 6300 ±3.5 ±4.0 ±4.5 ±5.0 >6300~ 10000 ±4.0 ±4.5 ±5.0 ±5.5 >10000 ±4.5 ±5.0 ±5.5 ±6.0 3.2.2 零件形位公差 3.2.2.1 板材零件表面的直线度和平面度公差应符合表2 规定,直线度应在被测面的全长上测量。 表2 mm 板厚 直 线 度(t) 平 面 度(t) 公 差 带 简 图 被测面长度 L 任 1000 长度内 ≤1000 >1000 第 2 页 共 14 页 ≤4 2.0 2L/1000 但不得大于 5.0 2.0 直线度 平面度 >4~ 12 1.5 1.5L/1000 但不得大于 5.0 1.5 >12 1.0 L/1000 但不得大于 5.0 1.0 3.2.2.2 型材零件的直线度、平面度、垂直度公差应符合表 3 的规定,歪扭误差应符合表 4 的规定。 表 3 mm 项目 公 差(t) 公 ...

1、当您付费下载文档后,您只拥有了使用权限,并不意味着购买了版权,文档只能用于自身使用,不得用于其他商业用途(如 [转卖]进行直接盈利或[编辑后售卖]进行间接盈利)。
2、本站所有内容均由合作方或网友上传,本站不对文档的完整性、权威性及其观点立场正确性做任何保证或承诺!文档内容仅供研究参考,付费前请自行鉴别。
3、如文档内容存在违规,或者侵犯商业秘密、侵犯著作权等,请点击“违规举报”。

碎片内容

焊接件通用技术规范

小辰7+ 关注
实名认证
内容提供者

出售各种资料和文档

确认删除?
VIP
微信客服
  • 扫码咨询
会员Q群
  • 会员专属群点击这里加入QQ群
客服邮箱
回到顶部