电脑桌面
添加小米粒文库到电脑桌面
安装后可以在桌面快捷访问

焊接工艺规程

焊接工艺规程_第1页
1/30
焊接工艺规程_第2页
2/30
焊接工艺规程_第3页
3/30
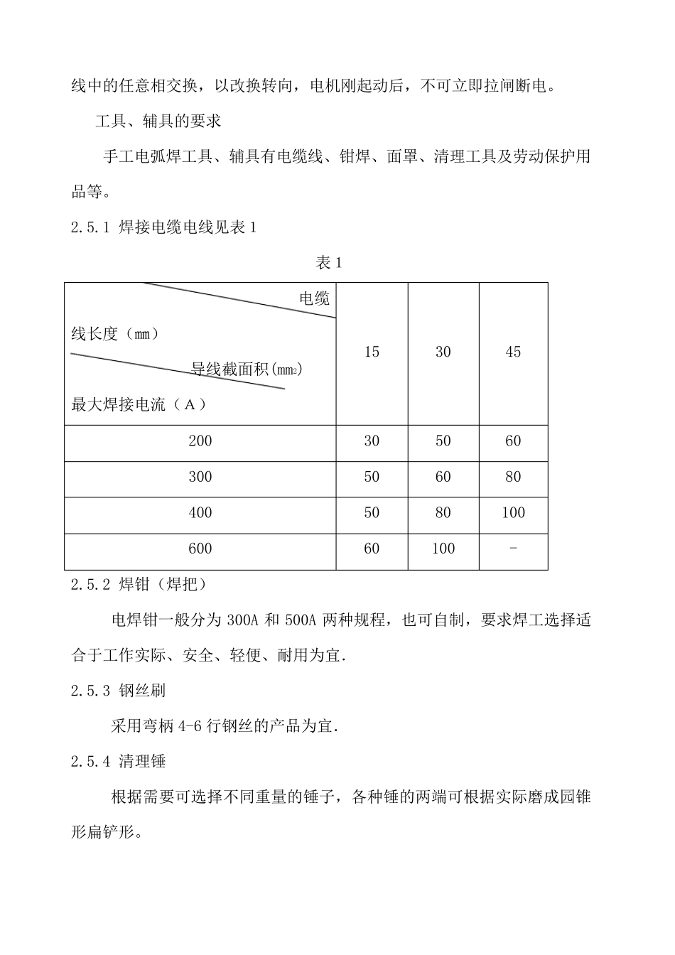
手工电弧焊焊接工艺规程 ——编号 HG—0001 目 录 1、用途及说明 2、焊接设备及工辅具 3、焊接材料 4、焊工 5、焊接工艺 6、焊接质量检验 手工电弧焊工艺规程 (焊接说明书) 1 用途及说明 本工艺规程适合用于专业厂、生产车间生产的手工电弧焊总成,同时也是技术科、检查科、生产车间进行工艺设计、焊接质量检查及产品验收的依据。 2 焊接设备及工辅具 手工电弧焊电源种类 2.1.1 交流弧焊机 常用型号:BX-500、BX1-300、BX3-300 等。 2.1.2 旋转式直流弧焊发电机 常用型号:AX1-500、AX3-300 等。 2.1.3 弧焊整流器 常用型号:ZXG1-250、ZXG1-400 等。 2.1.4 逆变弧焊整流器 常用型号:ZX7-250、ZX7-315 等。 对设备的性能要求 2.2.1 要求弧焊电源具有良好的动特性及徒降的外特性。 2.2.2 应有较高的空载电压,使焊接过程中电弧燃烧稳定。 2.2.3 按 GB8118-87 规定要求,应具有一定的焊接电流可调范围。 设备的选择依据 2.3.1 选择设备时要以产品图作为依据,根据焊接金属材质、焊条类型、焊接结构来选择弧焊电源的类型。 2.3.1.1 使用酸性焊条焊低碳钢时,应优先考虑用交流焊机。 2.3.1.2 使用碱性焊条焊接重要结构或合金钢、铸铁时,需选用弧焊整流器、弧焊发电机等直流电源。 2.3.1.3 在弧焊电源数量有限,而焊接材料的类型又较多时,可选用通用性较强的交直流两用电源。 2.3.2 根据焊接结构所用材料、板厚范围、结构形式等因素确立所需弧焊电源的容量,然后参照弧焊电源技术数据,选用相应的设备。 设备使用要求 2.4.1 使用新焊机或者用已长期停用的焊机时,应仔细观察焊机有无损坏处,在使用前必须按产品说明书进行检验。 2.4.2 焊机的供电回路,焊接回路的接头应可靠合格。 2.4.3 直流电焊机试车时的转向,如 与 标 记 方 向相反 ,应将 电动机三 相进入线中的任意相交换,以改换转向,电机刚起动后,不可立即拉闸断电。 工具、辅具的要求 手工电弧焊工具、辅具有电缆线、钳焊、面罩、清理工具及劳动保护用品等。 2.5.1 焊接电缆电线见表1 表1 电缆线长度(㎜) 导线截面积(mm2) 最大焊接电流(A) 15 30 45 200 30 50 60 300 50 60 80 400 50 80 100 600 60 100 - 2.5.2 焊钳(焊把) 电焊钳一般分为 300A 和 500A 两种规程,也可自制,要求焊工选择适合于工作实际、安全、轻便、耐用为宜. 2.5.3 钢丝刷 采用弯柄 4-6 ...

1、当您付费下载文档后,您只拥有了使用权限,并不意味着购买了版权,文档只能用于自身使用,不得用于其他商业用途(如 [转卖]进行直接盈利或[编辑后售卖]进行间接盈利)。
2、本站所有内容均由合作方或网友上传,本站不对文档的完整性、权威性及其观点立场正确性做任何保证或承诺!文档内容仅供研究参考,付费前请自行鉴别。
3、如文档内容存在违规,或者侵犯商业秘密、侵犯著作权等,请点击“违规举报”。

碎片内容

焊接工艺规程

您可能关注的文档

确认删除?
VIP
微信客服
  • 扫码咨询
会员Q群
  • 会员专属群点击这里加入QQ群
客服邮箱
回到顶部