电脑桌面
添加小米粒文库到电脑桌面
安装后可以在桌面快捷访问

焊缝超声波探伤自查报告

焊缝超声波探伤自查报告_第1页
1/21
焊缝超声波探伤自查报告_第2页
2/21
焊缝超声波探伤自查报告_第3页
3/21
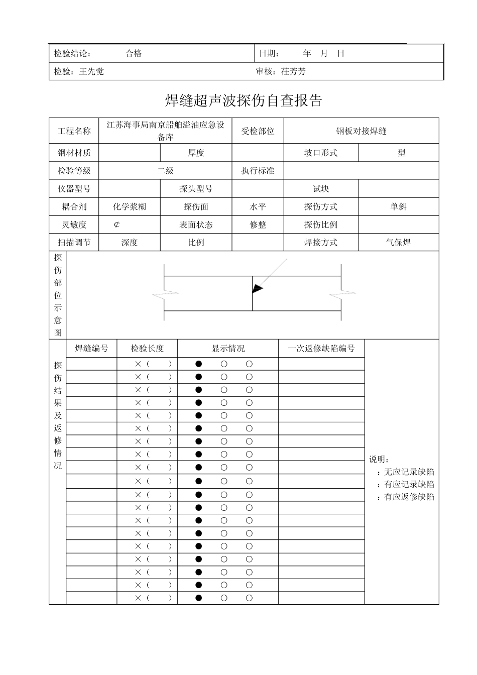
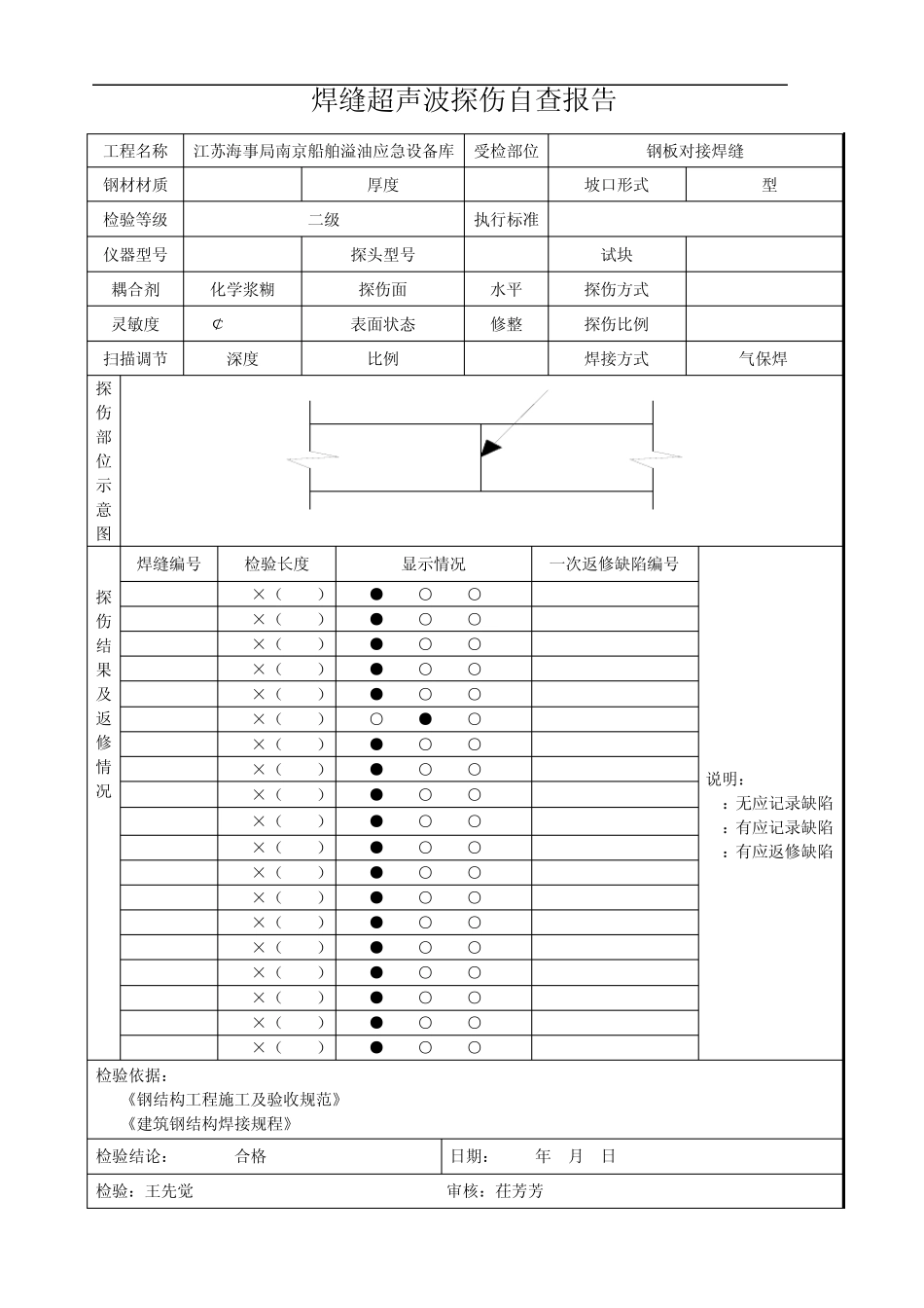
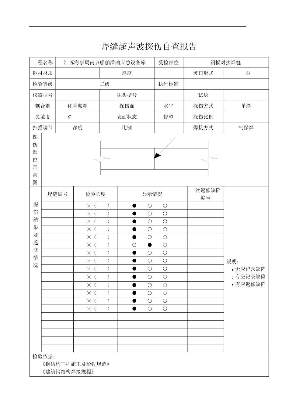
焊缝超声波探伤自查报告 工程名称 江苏海事局南京船舶溢油应急设备库 受检部位 钢板对接焊缝 钢材材质 Q345B 厚度 8-14mm 坡口形式 V型 检验等级 二级 执行标准 GB50205-2001 仪器型号 CTS-26B 探头型号 K2.5 试块 CSK-IA 耦合剂 化学浆糊 探伤面 水平 探伤方式 灵敏度 ¢3-10dB 表面状态 修整 探伤比例 100% 扫描调节 深度 比例 1:1 焊接方式 气保焊 探 伤 部 位 示 意 图 探 伤 结 果 及 返 修 情 况 焊缝编号 检验长度 显示情况 一次返修缺陷编号 说明: NI:无应记录缺陷 RI:有应记录缺陷 UI:有应返修缺陷 GZA-1-1 300×(8-14) ●NI ○RI ○UI GZA-1-2 300×(8-14) ●NI ○RI ○UI GZA-1-3 500×(8-14) ●NI ○RI ○UI GZA-2-1 300×(8-14) ●NI ○RI ○UI GZA-2-2 300×(8-14) ●NI ○RI ○UI GZA-2-3 500×(8-14) ○NI ●RI ○UI GZA-3-1 300×(8-14) ●NI ○RI ○UI GZA-3-2 300×(8-14) ●NI ○RI ○UI GZA-3-3 500×(8-14) ●NI ○RI ○UI GZA-4-1 300×(8-14) ●NI ○RI ○UI GZA-4-2 300×(8-14) ●NI ○RI ○UI GZA-4-3 500×(8-14) ●NI ○RI ○UI GZA-5-1 300×(8-14) ●NI ○RI ○UI GZA-5-2 300×(8-14) ●NI ○RI ○UI GZA-5-3 500×(8-14) ●NI ○RI ○UI GZA-6-1 300×(8-14) ●NI ○RI ○UI GZA-6-2 300×(8-14) ●NI ○RI ○UI GZA-6-3 500×(8-14) ●NI ○RI ○UI GZA-7-1 300×(8-14) ●NI ○RI ○UI 检验依据: 1.《钢结构工程施工及验收规范》GB50205-2001 2.《建筑钢结构焊接规程》JGJ81-91 检验结论: 合格 日期:2011年 5月 2日 检验:王先觉 审核:茌芳芳 焊缝超声波探伤自查报告 工程名称 江苏海事局南京船舶溢油应急设备库 受检部位 钢板对接焊缝 钢材材质 Q345B 厚度 8-14mm 坡口形式 V型 检验等级 二级 执行标准 GB50205-2001 仪器型号 CTS-26B 探头型号 K2.5 试块 CSK-IA 耦合剂 化学浆糊 探伤面 水平 探伤方式 单斜 灵敏度 ¢3-10dB 表面状态 修整 探伤比例 100% 扫描调节 深度 比例 1:1 焊接方式 气保焊 探 伤 部 位 示 意 图 探 伤 结 果 及 返 修 情 况 焊缝编号 检验长度 显示情况 一次返修缺陷编号 说明: NI:无应记...

1、当您付费下载文档后,您只拥有了使用权限,并不意味着购买了版权,文档只能用于自身使用,不得用于其他商业用途(如 [转卖]进行直接盈利或[编辑后售卖]进行间接盈利)。
2、本站所有内容均由合作方或网友上传,本站不对文档的完整性、权威性及其观点立场正确性做任何保证或承诺!文档内容仅供研究参考,付费前请自行鉴别。
3、如文档内容存在违规,或者侵犯商业秘密、侵犯著作权等,请点击“违规举报”。

碎片内容

焊缝超声波探伤自查报告

确认删除?
VIP
微信客服
  • 扫码咨询
会员Q群
  • 会员专属群点击这里加入QQ群
客服邮箱
回到顶部