电脑桌面
添加小米粒文库到电脑桌面
安装后可以在桌面快捷访问

燃气PE管施工方案VIP专享

燃气PE管施工方案_第1页
1/15
燃气PE管施工方案_第2页
2/15
燃气PE管施工方案_第3页
3/15
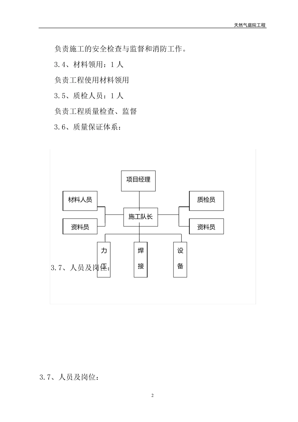
XXXXXX 天然气利用工程 编制: 审核: 审批: 建设单位: 监理单位: 施工单位: 编制时间:xxx 年 9 月 10 日 天然气庭院工程 1 一、 工程概况及特点 该工程为 XXXXXX 气利用工程,工程位置:XXXX。工程起止:北起南城十六路,南至哈南万达地块;设计范围:哈南工业园区南城十一天然气管道工程中压配管;设计管径:De110、长度约 2050 米。该工程计划开竣工日期为 XXXXXXX。 二、编制依据 2.1、甲方下达的施工任务书要求(编号:9028QC3)。 2.2、甲方提供的 XXXXXXXXX 图纸一份。 2.3、技术及安全交底记录。 2.4、设计交底及图纸会审纪要。 2.5、《燃气用埋地聚乙烯管件》(GB15558.2-2005) 2.6、《燃气用埋地聚乙烯管材》(GB15558.1-2003) 2.7、《城镇燃气输配工程施工及验收规范》(CJJ33-2005) 2.8、《聚乙烯燃气管道工程技术规范》(CJJ63-2008) 2.9、《城镇燃气设计规范》(GB50028-2006) 三、施工组织 3.1、项目经理:1 人 负责施工组织、进度控制、质量控制、安全监督、工作协调实施工作。 3.2、施工队长:1 人 负责组织安排施工人员、设备、机具和现场的安全管理工作。 3.3、安全、消防小组:2 人 天然气庭院工程 2 负责施工的安全检查与监督和消防工作。 3.4、材料领用:1 人 负责工程使用材料领用 3.5、质检人员:1 人 负责工程质量检查、监督 3.6、质量保证体系: 3.7、人员及岗位: 3.7、人员及岗位: 项 目 经 理 施 工 队 长 质 检 员 材 料 人员 力工焊接设备资料 员 资料 员 天然气庭院工程 3 3.8、施工机械设备: 四、施工前准备 4.1、项目经理袁素洁负责联系设计人员、监理、施工人员进行技术交底。 4.2、施工队长 组织落实施工人员,设备、机具、安全防护用品配备到位,保证关键岗位人员具有资质和设备的正常运转。 4.3、施工用水、电及临时材料仓库由杨春朋协调并已落实。 4.4、袁素洁负责工程材料的领用,确保材料领用齐全及时供应。 岗 位 人数(人) 岗 位 人数(人) 项目经理 1 工 长 1 质 检 员 1 PE 管焊工 2 安 全 员 2 材 料 员 1 消 防 员 1 力 工 8 机 械 名 称 数 量 型 号 电熔焊机 1 台 DH-II 电焊机 1 台 BX6-200 空压机 1 台 2F-0.3/8 电夯 1 台 RSH90L-2 空心水钻 2 台 100 型 冲击电锤 2 台 IC-KP01-38 全自动热熔焊机 2 台 AFN-250 ...

1、当您付费下载文档后,您只拥有了使用权限,并不意味着购买了版权,文档只能用于自身使用,不得用于其他商业用途(如 [转卖]进行直接盈利或[编辑后售卖]进行间接盈利)。
2、本站所有内容均由合作方或网友上传,本站不对文档的完整性、权威性及其观点立场正确性做任何保证或承诺!文档内容仅供研究参考,付费前请自行鉴别。
3、如文档内容存在违规,或者侵犯商业秘密、侵犯著作权等,请点击“违规举报”。

碎片内容

燃气PE管施工方案

确认删除?
VIP
微信客服
  • 扫码咨询
会员Q群
  • 会员专属群点击这里加入QQ群
客服邮箱
回到顶部