电脑桌面
添加小米粒文库到电脑桌面
安装后可以在桌面快捷访问

特别管控危险化学品目录2020第一版VIP专享

特别管控危险化学品目录2020第一版_第1页
1/6
特别管控危险化学品目录2020第一版_第2页
2/6
特别管控危险化学品目录2020第一版_第3页
3/6
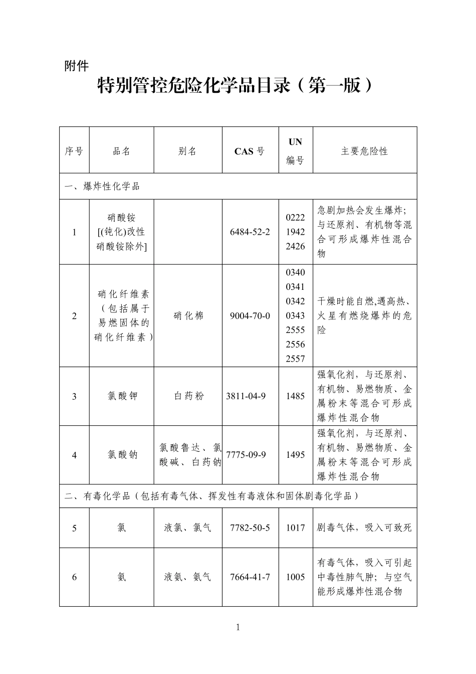
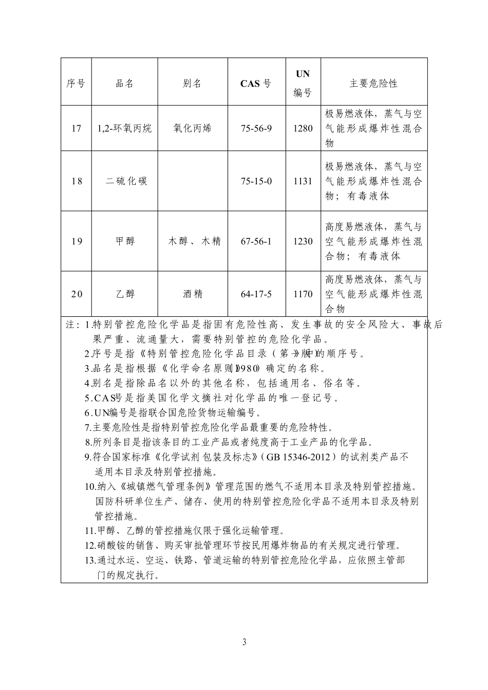
1 附件 特别管控危险化学品目录(第一版) 序号 品名 别名 CAS 号 U N 编号 主要危险性 一、爆炸性化学品 1 硝酸铵 [(钝化)改性硝酸铵除外] 6484-52-2 0222 1942 2426 急剧加热会发生爆炸;与还原剂、有机物等混合可形成爆炸性混合物 2 硝化纤维素 (包括属于易燃固体的硝化纤维素) 硝化棉 9004-70-0 0340 0341 0342 0343 2555 2556 2557 干燥时能自燃,遇高热、火星有燃烧爆炸的危险 3 氯酸钾 白药粉 3811-04-9 1485 强氧化剂,与还原剂、有机物、易燃物质、金属粉末等混合可形成爆炸性混合物 4 氯酸钠 氯酸鲁达、氯酸碱、白药钠 7775-09-9 1495 强氧化剂,与还原剂、有机物、易燃物质、金属粉末等混合可形成爆炸性混合物 二、有毒化学品(包括有毒气体、挥发性有毒液体和固体剧毒化学品) 5 氯 液氯、氯气 7782-50-5 1017 剧毒气体,吸入可致死 6 氨 液氨、氨气 7664-41-7 1005 有毒气体,吸入可引起中毒性肺气肿;与空气能形成爆炸性混合物 2 序号 品名 别名 CAS 号 U N 编号 主要危险性 7 异氰酸甲酯 甲基异氰酸酯 624-83-9 2480 剧毒液体,吸入蒸气可致死;高度易燃液体,蒸气与空气能形成爆炸性混合物 8 硫酸二甲酯 硫酸甲酯 77-78-1 1595 有毒液体,吸入蒸气可致死;可燃 9 氰化钠 山奈、山奈钠 143-33-9 1689 3414 剧毒;遇酸产生剧毒、易燃的氰化氢气体 10 氰化钾 山奈钾 151-50-8 1680 3413 剧毒;遇酸产生剧毒、易燃的氰化氢气体 三、易燃气体 11 液化石油气 LPG 68476-85-7 1075 易燃气体,与空气能形成爆炸性混合物 12 液化天然气 LNG 8006-14-2 1972 易燃气体,与空气能形成爆炸性混合物 13 环氧乙烷 氧化乙烯 75-21-8 1040 易燃气体,与空气能形成爆炸性混合物,加热时剧烈分解,有着火和爆炸危险 14 氯乙烯 乙烯基氯 75-01-4 1086 易燃气体,与空气能形成爆炸性混合物;火场温度下易发生危险的聚合反应 15 二甲醚 甲醚 115-10-6 1033 易燃气体,与空气能形成爆炸性混合物 四、易燃液体 16 汽油 (包括甲醇汽油、乙醇汽油) 86290-81-5 1203 3475 极易燃液体,蒸气与空气能形成爆炸性混合物 3 序号 品名 别名 CAS 号 U N 编号 主要危险性 17 1,2-环氧丙烷 氧化丙烯 75-56-9 1280 极易燃液体,蒸气与空气能形成爆炸性混合物 18 二硫化碳 75-15-0 1131 极易燃液体,蒸...

1、当您付费下载文档后,您只拥有了使用权限,并不意味着购买了版权,文档只能用于自身使用,不得用于其他商业用途(如 [转卖]进行直接盈利或[编辑后售卖]进行间接盈利)。
2、本站所有内容均由合作方或网友上传,本站不对文档的完整性、权威性及其观点立场正确性做任何保证或承诺!文档内容仅供研究参考,付费前请自行鉴别。
3、如文档内容存在违规,或者侵犯商业秘密、侵犯著作权等,请点击“违规举报”。

碎片内容

特别管控危险化学品目录2020第一版

确认删除?
VIP
微信客服
  • 扫码咨询
会员Q群
  • 会员专属群点击这里加入QQ群
客服邮箱
回到顶部