电脑桌面
添加小米粒文库到电脑桌面
安装后可以在桌面快捷访问

特种设备安装拆卸安全专项施工方案

特种设备安装拆卸安全专项施工方案_第1页
1/19
特种设备安装拆卸安全专项施工方案_第2页
2/19
特种设备安装拆卸安全专项施工方案_第3页
3/19
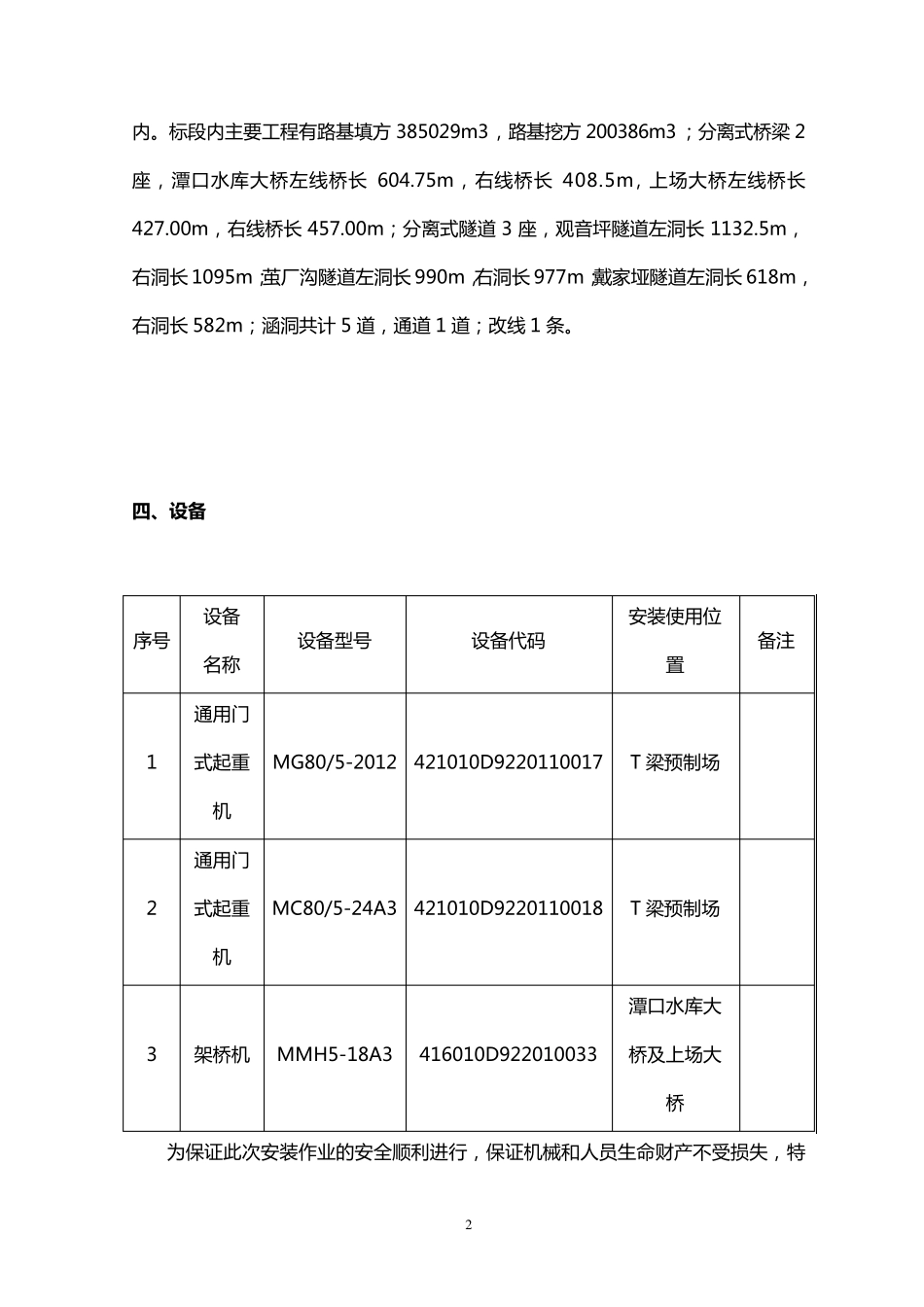
1 特种设备安装、拆卸安全专项施工方案 一 、 编制依据 《 中 华 人 民 共 和 国 安 全 生 产 法 》、《 中 华 人 民 共 和 国 建筑法 》、《 中 华 人 民 共 和 国 劳动法 》 等有关法 律 《 起重机设计规范》 GB3811-1983 《 起重机设备安 装工程施工及验收规范》 GB50278-1998 《 通用桥式起重机可靠性评定试验规范》 JB/T50103-1998 《 起重设备安 装工程施工及验收规范》 JBJ31-1996 《 桥式和 门式起重机制造及轨道公差》 GB10183-1988 《 起重机安 全 规程》 GB6067-1985 《 施工现场临时用电安 全 技术规范》 JGJ46-2005 《 架桥机使用说明书》 《 起重机用钢丝绳检验和 报废实用规范》 GB/T5972-2006 架桥机安 全 操作规程和 管理条例 二、编制目的 根据现场施工条件,为了满足 T 梁预制场模板安 装、拆卸、梁体运输、架设,需安 装 80T 龙门吊 2 座,架桥机 1 座。为了保证施工期间龙门吊、架桥机施工的安全 、质量,合理的安 排施工工期,编制本安 全 专项方案。 三、工程概况 我单位承建谷竹高速公路 GZTJ-03 合同段,本标段起讫桩号为 K13+850.097~YK18+586(左线 ZK18+611),线路全 长 4.736km,标段所在地位于谷城县石花镇境 2 内 。标段内 主要工程有路基填方 385029m3,路基挖方 200386m3 ;分离式桥梁 2座,潭口水库大桥左线桥长 604.75m,右线桥长 408.5m,上场大桥左线桥长427.00m,右线桥长 457.00m;分离式隧道 3 座,观音坪隧道左洞长 1132.5m,右洞长 1095m;茧厂沟隧道左洞长 990m,右洞长 977m;戴家垭隧道左洞长 618m,右洞长 582m;涵洞共计 5 道,通道 1 道;改线 1 条。 四 、设备 序号 设备 名称 设备型号 设备代码 安装使用位置 备注 1 通用门式起重机 MG80/5-2012 421010D9220110017 T 梁预制场 2 通用门式起重机 MC80/5-24A3 421010D9220110018 T 梁预制场 3 架桥机 MMH5-18A3 416010D922010033 潭口水库大桥及上场大桥 为保证此次安装作业的安全顺利进行,保证机械和人员生命财产不受损失,特 3 编 制 本 安 装 拆 除 方 案 。 五 、施工总体部署 5.1 人员组织、分工及有关人员的资格要求 人员组织与分工 序 号 本 工 程 职 务 职 责 分 工 1 总 指 挥 全 面 负 责 设 备 的 安 装 工 作 并 技 术 ...

1、当您付费下载文档后,您只拥有了使用权限,并不意味着购买了版权,文档只能用于自身使用,不得用于其他商业用途(如 [转卖]进行直接盈利或[编辑后售卖]进行间接盈利)。
2、本站所有内容均由合作方或网友上传,本站不对文档的完整性、权威性及其观点立场正确性做任何保证或承诺!文档内容仅供研究参考,付费前请自行鉴别。
3、如文档内容存在违规,或者侵犯商业秘密、侵犯著作权等,请点击“违规举报”。

碎片内容

特种设备安装拆卸安全专项施工方案

您可能关注的文档

确认删除?
VIP
微信客服
  • 扫码咨询
会员Q群
  • 会员专属群点击这里加入QQ群
客服邮箱
回到顶部