电脑桌面
添加小米粒文库到电脑桌面
安装后可以在桌面快捷访问

通风工程技术交底VIP专享

通风工程技术交底_第1页
1/5
通风工程技术交底_第2页
2/5
通风工程技术交底_第3页
3/5
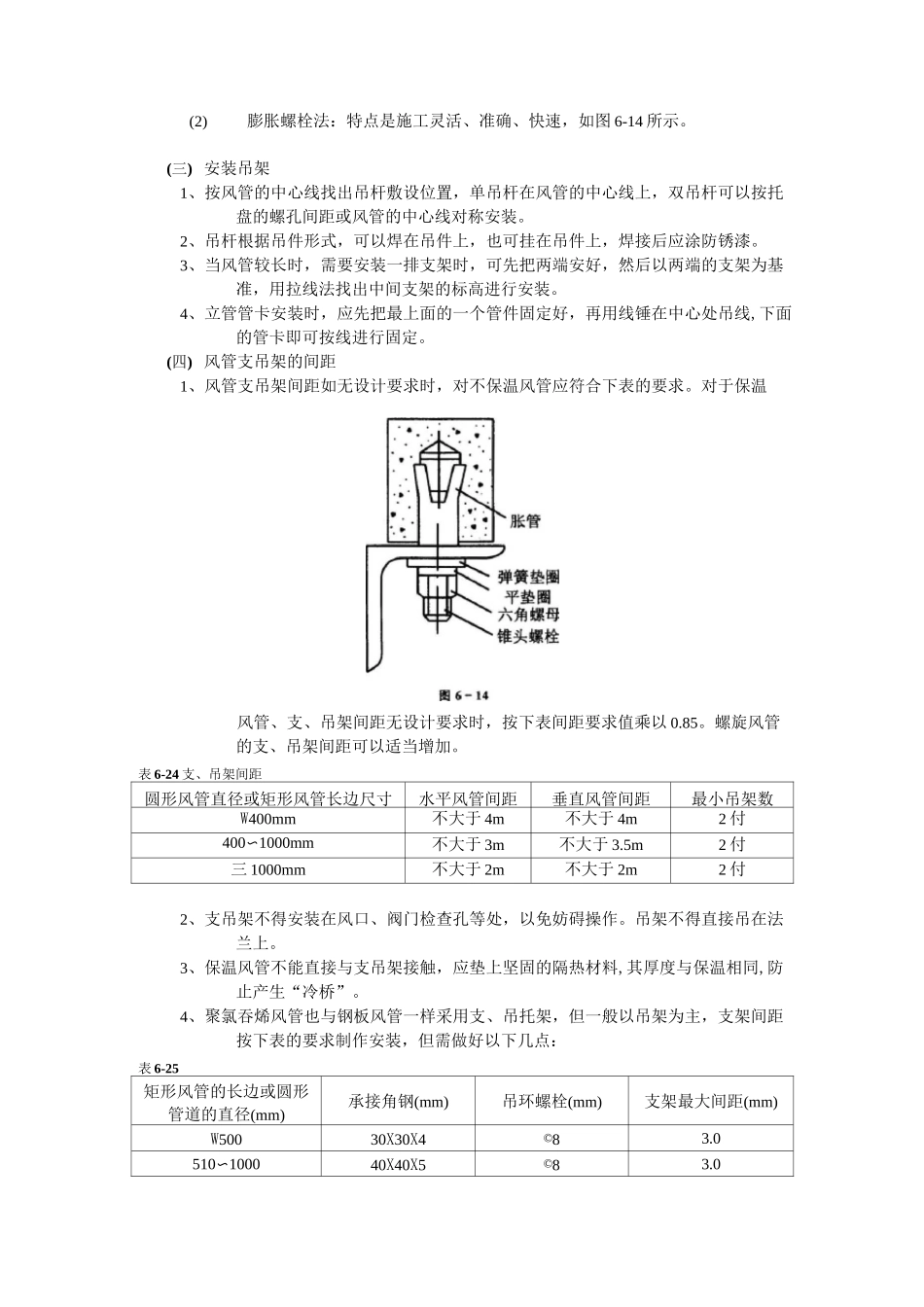
通风工程技术交底工艺流程二、操作工艺(一)按设计要求并参照土建基准线找出风管标高(二)制作吊架及高吊点1、标高确定后,按照风管系统所在的空间位置,确定风管支、吊架形式。2、风管支、吊架的制作图参照《建筑设备施工安装图集》(91SB6)的用料规格和做法制作。3、吊点的设置:(1)预埋件法:①前期预埋:一般由预留人员将预埋件按图纸坐标位置和支、吊架间距,牢固固定在土建结构钢筋上。②后期预埋:在砖墙上埋设支架:根据风管的标高算出支架型钢上的表面离地距离,找到正确的安装位置,打出 80mmx80mm 的方洞。洞的内外大小应一致,深度比支架埋进墙的深度大 30〜50mm。打好洞后,用水把墙洞浇湿,并冲出洞内的砖屑。然后在墙洞内先填塞一部分 1:2 水泥砂浆,把支架埋入,埋入深度一般为 150〜200mm。用水平尺校平支架,调整埋入深度,继续填塞砂浆,适当填塞一些浸过水的石块和碎砖,便于固定支架。填入水泥砂浆时,应稍低于墙面,以便土建工种进行墙面装修。在楼板下埋设吊件:确定吊卡位置后用冲击钻在楼板上打一透眼,然后在地面剔一个300mm 长、深 20mm 的槽。将吊件嵌入槽中,用水泥砂浆将槽填平(如图 6-13)。+—1W——i(2)膨胀螺栓法:特点是施工灵活、准确、快速,如图 6-14 所示。(三) 安装吊架1、按风管的中心线找出吊杆敷设位置,单吊杆在风管的中心线上,双吊杆可以按托盘的螺孔间距或风管的中心线对称安装。2、吊杆根据吊件形式,可以焊在吊件上,也可挂在吊件上,焊接后应涂防锈漆。3、当风管较长时,需要安装一排支架时,可先把两端安好,然后以两端的支架为基准,用拉线法找出中间支架的标高进行安装。4、立管管卡安装时,应先把最上面的一个管件固定好,再用线锤在中心处吊线,下面的管卡即可按线进行固定。(四) 风管支吊架的间距1、风管支吊架间距如无设计要求时,对不保温风管应符合下表的要求。对于保温风管、支、吊架间距无设计要求时,按下表间距要求值乘以 0.85。螺旋风管的支、吊架间距可以适当增加。表 6-24 支、吊架间距圆形风管直径或矩形风管长边尺寸水平风管间距垂直风管间距最小吊架数W400mm不大于 4m不大于 4m2 付400〜1000mm不大于 3m不大于 3.5m2 付三 1000mm不大于 2m不大于 2m2 付2、支吊架不得安装在风口、阀门检查孔等处,以免妨碍操作。吊架不得直接吊在法兰上。3、保温风管不能直接与支吊架接触,应垫上坚固的隔热材料,其厚度与保温相同,防止产生“冷桥”。4、聚氯...

1、当您付费下载文档后,您只拥有了使用权限,并不意味着购买了版权,文档只能用于自身使用,不得用于其他商业用途(如 [转卖]进行直接盈利或[编辑后售卖]进行间接盈利)。
2、本站所有内容均由合作方或网友上传,本站不对文档的完整性、权威性及其观点立场正确性做任何保证或承诺!文档内容仅供研究参考,付费前请自行鉴别。
3、如文档内容存在违规,或者侵犯商业秘密、侵犯著作权等,请点击“违规举报”。

碎片内容

通风工程技术交底

确认删除?
VIP
微信客服
  • 扫码咨询
会员Q群
  • 会员专属群点击这里加入QQ群
客服邮箱
回到顶部