电脑桌面
添加小米粒文库到电脑桌面
安装后可以在桌面快捷访问

剧毒化学品防盗抢系统故障应急处置预案

剧毒化学品防盗抢系统故障应急处置预案_第1页
1/7
剧毒化学品防盗抢系统故障应急处置预案_第2页
2/7
剧毒化学品防盗抢系统故障应急处置预案_第3页
3/7
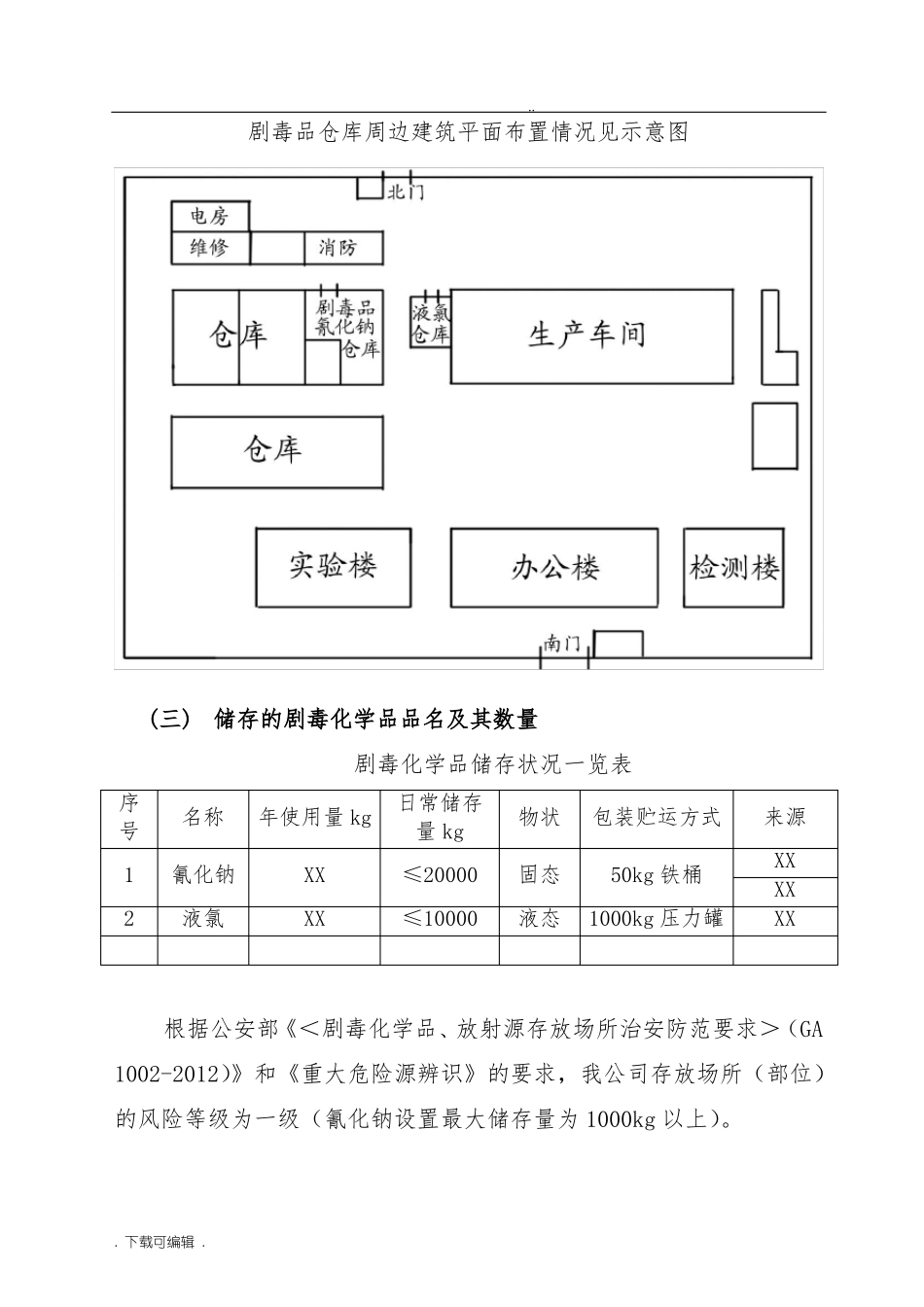
XXXX 股份有限公司剧毒化学品防盗、防抢、防破坏及技术防范系统故障应急处置预案为确保本单位剧毒化学品“三防”(防盗、防抢、防破坏)工作顺利开展,以及有关技术防范系统发生故障灯时,能及时、有效和有序地实施应急处置,防止造成人员伤亡和财产损失,根据《危险化学品安全管理条例》和公安部《<剧毒化学品、放射源存放场所治安防范要求>(GA 1002-2012)》等法律、法规,结合本单位实际,特制定本预案。一、XXXX 有限公司概况(一)公司基本概况XXX 股份有限公司创建于 2010 年 6 月,位于 XX 化学工业园 XX,西面与 XXXX、北面与 XXXX 毗邻,东面有零散居民建筑(最近距离 300m)。公司现有职工 XX 人,其中:管理人员 XX 人、专(兼)职治安保卫人员 XX 人、有条件接触剧毒化学品人员 11 人。主要使用氰化钠、液氯剧毒化学品。(二)剧毒化学品仓库平面布置XXXX 股份有限公司设置剧毒品仓库 2 座,位于车间西部,建筑结构为单层砖混结构库房,建筑面积 160 ㎡...剧毒品仓库周边建筑平面布置情况见示意图(三)储存的剧毒化学品品名及其数量剧毒化学品储存状况一览表序号12名称氰化钠液氯年使用量 kgXXXX日常储存量 kg≤20000≤10000物状包装贮运方式固态50kg 铁桶来源XXXXXX液态1000kg 压力罐根据公安部《<剧毒化学品、放射源存放场所治安防范要求>(GA1002-2012)》和《重大危险源辨识》的要求,我公司存放场所(部位)的风险等级为一级(氰化钠设置最大储存量为 1000kg 以上)。. 下载可编辑 ...二、治安防范设施状况及安全管理措施(一)治安防范设施状况:存放场所的建筑结构、配电设施、通1、2、3、4、(二)1、2、3、4、5、. 下载可编辑 .风设施符合国家有关规范标准的要求。库房出入口、保卫值班室出入口和监控中心出入口设置防盗安全门。存放场所(部位)设置明显的剧毒警告标志。库房、保卫值班室、监控中心的窗口、通风口设置了防盗栅栏。技术防范重点部位和区域设置了视频监控、入侵报警、出入口控制、电子巡查等系统。按照剧毒化学品性能分类、分区存放,并做好贮存、领取、发放情况登记。登记资料至少保存 1 年。安全管理措施要按照国务院、省和市、县(区)人们政府关于加强剧毒物品管理规定的要求,制定完善本单位安全管理办法,落实防范措施。对剧毒化学品仓库及剧毒化学品使用场所等要害部位加强防范。建立健全剧毒化学品储存、运输、使用的各项管理制度,明确负责人和岗位责任人,...

1、当您付费下载文档后,您只拥有了使用权限,并不意味着购买了版权,文档只能用于自身使用,不得用于其他商业用途(如 [转卖]进行直接盈利或[编辑后售卖]进行间接盈利)。
2、本站所有内容均由合作方或网友上传,本站不对文档的完整性、权威性及其观点立场正确性做任何保证或承诺!文档内容仅供研究参考,付费前请自行鉴别。
3、如文档内容存在违规,或者侵犯商业秘密、侵犯著作权等,请点击“违规举报”。

碎片内容

剧毒化学品防盗抢系统故障应急处置预案

爱的疯狂+ 关注
实名认证
内容提供者

该用户很懒,什么也没介绍

确认删除?
VIP
微信客服
  • 扫码咨询
会员Q群
  • 会员专属群点击这里加入QQ群
客服邮箱
回到顶部