电脑桌面
添加小米粒文库到电脑桌面
安装后可以在桌面快捷访问

环境管理体系合规性评价

环境管理体系合规性评价_第1页
1/6
环境管理体系合规性评价_第2页
2/6
环境管理体系合规性评价_第3页
3/6
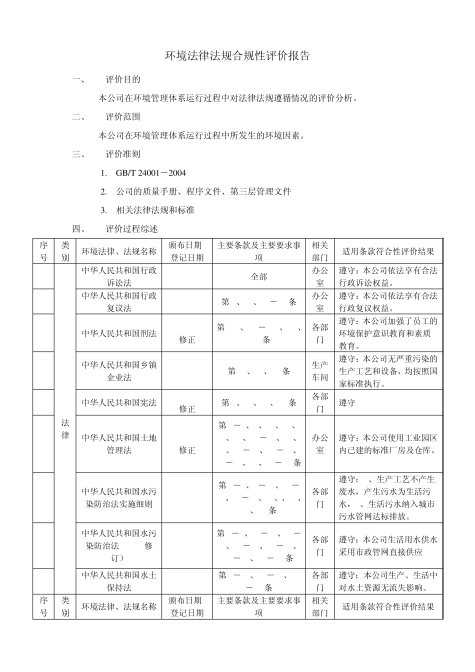
环境法律法规合规性评价报告 一、 评价目的 本公司在环境管理体系运行过程中对法律法规遵循情况的评价分析。 二、 评价范围 本公司在环境管理体系运行过程中所发生的环境因素。 三、 评价准则 1. GB/T 24001-2004 2. 公司的质量手册、程序文件、第三层管理文件 3. 相关法律法规和标准 四、 评价过程综述 序号 类别 环境法律、法规名称 颁布日期/登记日期 主要条款及主要要求事项 相关部门 适用条款符合性评价结果 1 法律 中华人民共和国行政诉讼法 1989.4.4 全部 办公室 遵守:本公司依法享有合法行政诉讼权益。 2 中华人民共和国行政复议法 1999.10.1 第 6、30、34-38条 办公室 遵守:本公司依法享有合法行政复议权益。 3 中华人民共和国刑法 2005.2.28 修正 第 155、338-346、408、410条 各部门 遵守:本公司加强了员工的环境保护意识教育和素质教育。 4 中华人民共和国乡镇企业法 1997.1.1 第 29、35、36条 生产车间 遵守:本公司无严重污染的生产工艺和设备,均按照国家标准执行。 5 中华人民共和国宪法 2004.3.14 修正 第 9、10、22、26条 各部门 遵守 6 中华人民共和国土地管理法 2004.8.28 修正 第 3-7、9、15、17、19、22、27-46、53、57、59-64、66-69、73-77、81、83-84条 办公室 遵守:本公司使用工业园区内已建的标准厂房及仓库。 7 中华人民共和国水污染防治法实施细则 2000.3.20 第 3-6、8-11、13-20、22-38、43、、46、48、49条 各部门 遵守:1、生产工艺不产生废水,产生污水为生活污水,2、生活污水纳入城市污水管网达标排放。 8 中华人民共和国水污染防治法(2008 修订) 2008.2.28 第 3-9、12-18、20-22、24-28、37-39、43-48、50-58条 各部门 遵守:本公司生活用水供水采用市政管网直接供应 9 中华人民共和国水土保持法 1991.6.29 第 5-10、12-32、35-39条 各部门 遵守:本公司生产、生活中对水土资源无流失影响。 序号 类别 环境法律、法规名称 颁布日期/登记日期 主要条款及主要要求事项 相关部门 适用条款符合性评价结果 10 法律 中华人民共和国水法 2002.10.1 修订 第4-6、8、10-17、20-23、25-27、30-36、41、50-52、64条 各部门 遵守:本公司无利用水资源开发项目工程。 11 中华人民共和国全民所有制工业企业法 1988.8.1 第41条 各部门 遵守:本公司对内部环境积极采取...

1、当您付费下载文档后,您只拥有了使用权限,并不意味着购买了版权,文档只能用于自身使用,不得用于其他商业用途(如 [转卖]进行直接盈利或[编辑后售卖]进行间接盈利)。
2、本站所有内容均由合作方或网友上传,本站不对文档的完整性、权威性及其观点立场正确性做任何保证或承诺!文档内容仅供研究参考,付费前请自行鉴别。
3、如文档内容存在违规,或者侵犯商业秘密、侵犯著作权等,请点击“违规举报”。

碎片内容

环境管理体系合规性评价

确认删除?
VIP
微信客服
  • 扫码咨询
会员Q群
  • 会员专属群点击这里加入QQ群
客服邮箱
回到顶部