电脑桌面
添加小米粒文库到电脑桌面
安装后可以在桌面快捷访问

环境风险评价报告

环境风险评价报告_第1页
1/30
环境风险评价报告_第2页
2/30
环境风险评价报告_第3页
3/30
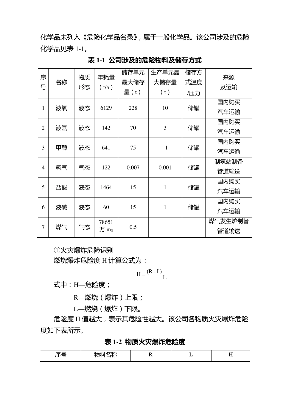
附 件 1 环境风险评价报告 根 据 XXXXXXXXXXXXXXXXXXXXXXX 原 辅 料 理 化 特 性 和 危 险分 析 , 以 及 《 建 设 项 目 环 境 风 险 评 价 技 术 导 则 》( HJ/T169-2004) 的 编 制要 求 , 公 司 的 环 境 风 险 识 别 及 环 境 风 险 评 价 结 果 如 下 。 1 环境风险识别 1 .1 风险识别范围 风 险 识 别 范 围 包 括 全 厂 生 产 设 施 风 险 识 别 和 生 产 过 程 所 涉 及 的 物 质风 险 识 别 。 (1)生 产 设 施 风 险 识 别 范 围 包 括 : 全 厂 主 要 生 产 装 置 、储运系统、公用工程 系统、工程 环 保设 施 及 辅 助生 产 设 施 等; (2)物 质 风 险 识 别 范 围 包 括 : 全 厂 主 要 原 材料 及 辅 助材料 、燃料 、中间产 品、最终产 品以 及 生 产 过 程 排放的 “三废”污染物 等。 1 .2 风险类型 根 据 有毒有害物 质 放散原 因, 分 为火灾、爆炸和 泄漏三种类型。 该公 司 生 产 过 程 和 储存中这三种风 险 类型均会出现, 因此考虑由此造成的 污染物 事故排放, 不考虑自然灾害如 地震、洪水、台风 等引起的事故风 险 。 1 .3 风险识别内容 (1)物 质 危 险 性 识 别 该公 司 所 涉 及 到的 化 学品有: 液氧、氮气、液氩、甲醇、氢气、盐酸、液碱、石灰粉、煤气。 对照《 危 险 化 学品名录》( 2012 版), 该公 司 涉 及 到的 化 学品中属于危 险 化 学品的 有液氧、液氩、甲醇、氢气、盐酸、液碱、煤气。 其余的 化 学 品 未 列 入 《 危 险 化 学 品 名 录 》, 属 于 一 般 化 学 品 。该公司涉及的危 险化 学 品 见表 1-1。 表 1 -1 公 司 涉 及 的 危 险 物 料 及 储存方式 序号 名 称 物质 形态 年耗量 (t/a) 储存单元最大储存量(t) 生产单元最大储存量(t) 储存方式温度/压力 来源 及运输 1 液氧 液态 6129 228 10 储罐 国内购买 汽车运输 2 液氩 液态 142 70 3 储罐 国内购买 汽车运输 3 甲醇 液态 641 75 1 储罐 国内购买 汽车运输 4 氢气 气态 122 0.007 0.001 储罐 制氢站制备 管道输送 5 盐酸 液态 1464 15 1 储罐 国内购买 汽车运输 6 液...

1、当您付费下载文档后,您只拥有了使用权限,并不意味着购买了版权,文档只能用于自身使用,不得用于其他商业用途(如 [转卖]进行直接盈利或[编辑后售卖]进行间接盈利)。
2、本站所有内容均由合作方或网友上传,本站不对文档的完整性、权威性及其观点立场正确性做任何保证或承诺!文档内容仅供研究参考,付费前请自行鉴别。
3、如文档内容存在违规,或者侵犯商业秘密、侵犯著作权等,请点击“违规举报”。

碎片内容

环境风险评价报告

您可能关注的文档

确认删除?
VIP
微信客服
  • 扫码咨询
会员Q群
  • 会员专属群点击这里加入QQ群
客服邮箱
回到顶部