电脑桌面
添加小米粒文库到电脑桌面
安装后可以在桌面快捷访问

生产工艺流程图

生产工艺流程图_第1页
1/7
生产工艺流程图_第2页
2/7
生产工艺流程图_第3页
3/7
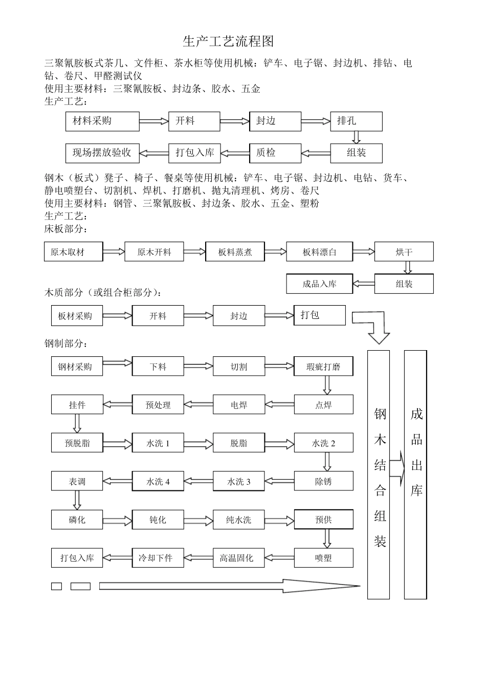
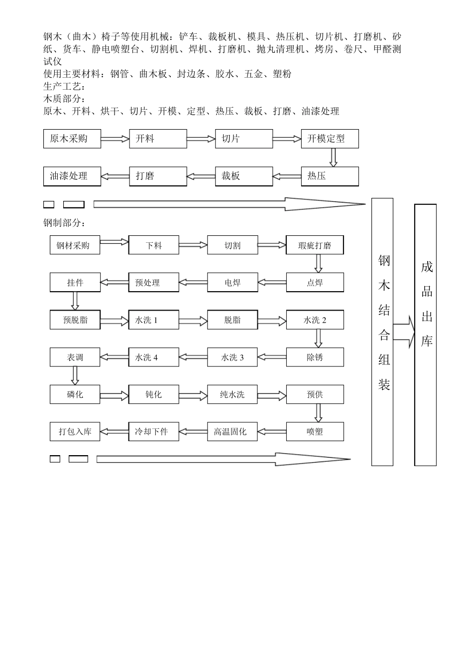
生产工艺流程图 三聚氰胺板式茶几、文件柜、茶水柜等使用机械:铲车、电子锯、封边机、排钻、电钻、卷尺、甲醛测试仪 使用主要材料:三聚氰胺板、封边条、胶水、五金 生产工艺: 钢木(板式)凳子、椅子、餐桌等使用机械:铲车、电子锯、封边机、电钻、货车、静电喷塑台、切割机、焊机、打磨机、抛丸清理机、烤房、卷尺 使用主要材料:钢管、三聚氰胺板、封边条、胶水、五金、塑粉 生产工艺: 床板部分: 木质部分(或组合柜部分): 钢制部分: 材料采购 封边 排孔 开料 组装 质检 打包入库 现场摆放验收 板材采购 开料 封边 点焊 电焊 预处理 挂件 预脱脂 水洗 1 脱脂 水洗 2 除锈 水洗 3 水洗 4 表调 磷化 钝化 纯水洗 预供 喷塑 高温固化 冷却下件 打包入库 钢材采购 下料 切割 瑕疵打磨 打包 钢木结合组装 成品出库 原木取材 原木开料 板料蒸煮 板料漂白 烘干 组装 成品入库 钢木(曲木)椅子等使用机械:铲车、裁板机、模具、热压机、切片机、打磨机、砂纸、货车、静电喷塑台、切割机、焊机、打磨机、抛丸清理机、烤房、卷尺、甲醛测试仪 使用主要材料:钢管、曲木板、封边条、胶水、五金、塑粉 生产工艺: 木质部分: 原木、开料、烘干、切片、开模、定型、热压、裁板、打磨、油漆处理 钢制部分: 点焊 电焊 预处理 挂件 预脱脂 水洗 1 脱脂 水洗 2 除锈 水洗 3 水洗 4 表调 磷化 钝化 纯水洗 预供 喷塑 高温固化 冷却下件 打包入库 原木采购 开料 切片 开模定型 热压 裁板 打磨 油漆处理 钢材采购 下料 切割 瑕疵打磨 钢木结合组装 成品出库 油漆家具(茶几、会议桌、班台、文件柜等油漆家具)使用机械:电子开料锯、裁刀、电熨斗、螺旋机、冷压机、打磨机、电钻、U V 设备、码钉枪、砂光机、卷尺、空气压缩机、喷枪、甲醛测试仪 使用主要材料:密度板、胶水、胡桃木皮、码钉、五金件 生产工艺: 原材料采购 锯料 冷压 修边 检验 锣边锣线 打孔 贴皮 实木封边 白胚试组装 检验 白胚砂光 底漆一次 油性补灰 底漆二次 油性补土 底漆砂光 底漆三次 底漆砂光 底漆四次油性补土 底漆砂光 底漆五次 检验 面漆一次 打磨 面漆二次 打磨 面漆三次 油漆检验 成品试组装 包装 检验 入库 油漆家具(纯实木餐桌、床)使用机械:拼板机、铣床、刨木机、电锯、电子开料锯、干燥机、螺旋机、手工刨、四面...

1、当您付费下载文档后,您只拥有了使用权限,并不意味着购买了版权,文档只能用于自身使用,不得用于其他商业用途(如 [转卖]进行直接盈利或[编辑后售卖]进行间接盈利)。
2、本站所有内容均由合作方或网友上传,本站不对文档的完整性、权威性及其观点立场正确性做任何保证或承诺!文档内容仅供研究参考,付费前请自行鉴别。
3、如文档内容存在违规,或者侵犯商业秘密、侵犯著作权等,请点击“违规举报”。

碎片内容

生产工艺流程图

确认删除?
VIP
微信客服
  • 扫码咨询
会员Q群
  • 会员专属群点击这里加入QQ群
客服邮箱
回到顶部