电脑桌面
添加小米粒文库到电脑桌面
安装后可以在桌面快捷访问

生产部主要岗位职责

生产部主要岗位职责_第1页
1/11
生产部主要岗位职责_第2页
2/11
生产部主要岗位职责_第3页
3/11
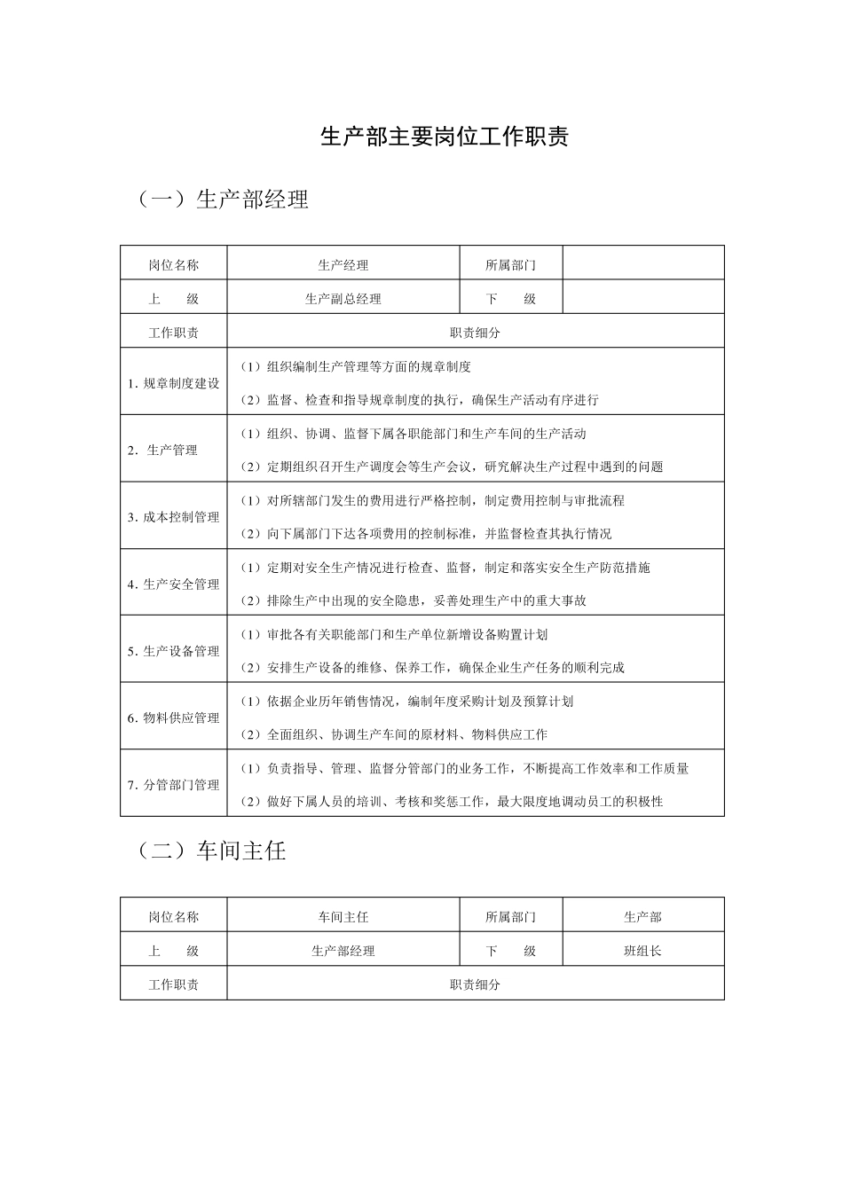
生产部主要岗位工作职责 (一)生产部经理 岗位名称 生产经理 所属部门 上 级 生产副总经理 下 级 工作职责 职责细分 1 .规章制度建设 (1 )组织编制生产管理等方面的规章制度 (2 )监督、检查和指导规章制度的执行,确保生产活动有序进行 2 .生产管理 (1 )组织、协调、监督下属各职能部门和生产车间的生产活动 (2 )定期组织召开生产调度会等生产会议,研究解决生产过程中遇到的问题 3 .成本控制管理 (1 )对所辖部门发生的费用进行严格控制,制定费用控制与审批流程 (2 )向下属部门下达各项费用的控制标准,并监督检查其执行情况 4 .生产安全管理 (1 )定期对安全生产情况进行检查、监督,制定和落实安全生产防范措施 (2 )排除生产中出现的安全隐患,妥善处理生产中的重大事故 5 .生产设备管理 (1 )审批各有关职能部门和生产单位新增设备购置计划 (2 )安排生产设备的维修、保养工作,确保企业生产任务的顺利完成 6 .物料供应管理 (1 )依据企业历年销售情况,编制年度采购计划及预算计划 (2 )全面组织、协调生产车间的原材 料、物料供应工作 7 .分管部门管理 (1 )负 责指导、管理、监督分管部门的业务工作,不 断 提 高 工作效 率 和工作质 量 (2 )做 好 下属人 员 的培 训 、考 核 和奖 惩 工作,最 大限 度地 调动员 工的积 极 性 (二 )车间主 任 岗位名称 车间主 任 所属部门 生产部 上 级 生产部经理 下 级 班 组长 工作职责 职责细分 1.组织实施车间生产计划 (1)根据企业生产计划,组织制订本车间的生产作业计划 (2)负责按计划组织、安排生产工作,确保完成本车间生产计划 (3)合理调配人力、物力,调整生产布局和生产负荷,提高生产效率 2.生产过程管理 (1)主持车间例会,全面协调车间工作 (2)对生产作业过程进行监督、指导,同时进行生产质量控制,保证生产质量 3.生产现场管理 (1)建立现场管理制度,并指导培训现场管理知识 (2)推进 5S 现场管理制度,实现生产车间标准化管理 (3)按时考核车间员工的5S 执行情况,实施奖惩,确保制度得到落实 4.车间生产安全管理 (1)负责落实企业各项生产安全制度,开展经常性安全检查 (2)控制关键要害部位,杜绝安全隐患,防止安全事故的发生 (3)定期组织安全生产教育培训,指导员工安全作业 5.车间生产成本控制 (1)...

1、当您付费下载文档后,您只拥有了使用权限,并不意味着购买了版权,文档只能用于自身使用,不得用于其他商业用途(如 [转卖]进行直接盈利或[编辑后售卖]进行间接盈利)。
2、本站所有内容均由合作方或网友上传,本站不对文档的完整性、权威性及其观点立场正确性做任何保证或承诺!文档内容仅供研究参考,付费前请自行鉴别。
3、如文档内容存在违规,或者侵犯商业秘密、侵犯著作权等,请点击“违规举报”。

碎片内容

生产部主要岗位职责

确认删除?
VIP
微信客服
  • 扫码咨询
会员Q群
  • 会员专属群点击这里加入QQ群
客服邮箱
回到顶部