电脑桌面
添加小米粒文库到电脑桌面
安装后可以在桌面快捷访问

外墙外保温现浇混凝土模板内置保温系统施工工艺

外墙外保温现浇混凝土模板内置保温系统施工工艺_第1页
1/6
外墙外保温现浇混凝土模板内置保温系统施工工艺_第2页
2/6
外墙外保温现浇混凝土模板内置保温系统施工工艺_第3页
3/6
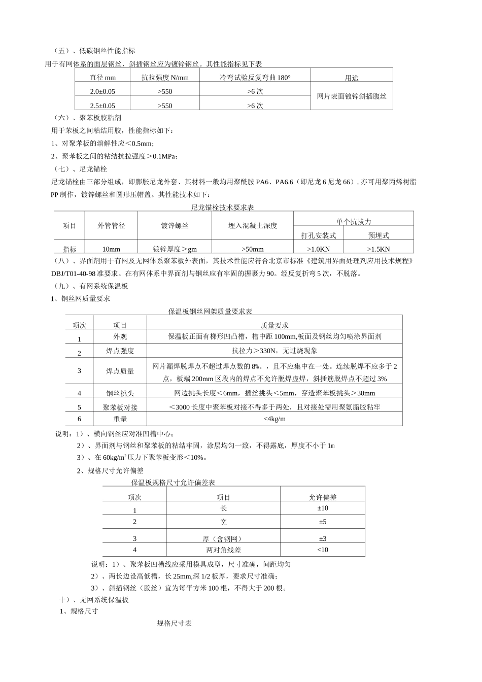
外墙外保温现浇混凝土模板内置保温系统施工工艺一、说明本系统适用于现浇混凝土外墙的外保温体系,外保温材料为聚苯乙烯泡沫塑料板(以下简称聚苯板)或挤塑板,本体系采用两种形式的聚苯板(挤塑板),一种是聚苯板外侧带有单片钢丝网架与穿过聚苯板的斜插钢丝(又称腹丝)焊接,形成三维空间的保温板(这种板与混凝土墙复合简称有网体系)。另一种将聚苯板(挤塑板)背面加工成凹凸齿状槽形的保温板(这种板与混凝土墙复合简称无网体体系)。两种体系的施工方法相同,即在浇灌混凝土墙体前,将保温板置于外模内侧,浇灌混凝土完毕后,保温层与墙体有机的结合在一起。面层处理:有网体系是带有钢丝网架一面的聚苯板上抹掺有抗裂剂的水泥砂浆找平层。最后做装饰层,该体系适宜做贴面型装饰层 (如面砖、磁砖等)。无网体系是在保温板表面抹聚合物砂浆,压入耐碱型玻璃纤维网格布作为加强防护面层,该体系适宜做涂料型装饰面层。二、原材料及制品主要性能指标:(一)、聚苯板(或挤塑板)采用阻燃型聚苯板(或挤塑板),其材料性能应符合《隔热用聚苯乙烯泡沫塑料》(GB10801-89)的各项性能指标。聚苯板主要性能指标表表观密度(kg/m3)导热系数(W/m.k)吸水率%(v/v)氧指数%拉伸强度 MPa养护时间(d)自然养护60。蒸汽养护18〜20<0.041<6>30>0.1>42>5(二)、聚合物砂浆用于有网体系及无网体系表面的防护层。其性能指标见下表聚合物砂浆防护层性能招标表18〜20kg/m3 聚苯板胶结强度(MPa)拉伸原强度,14d>0.10聚苯板破坏浸水,24h>0.08压剪原强度,14d>0.10浸水 24h>0.08抗压强度(MPa)>8-10抗压强度/抗折强度<390d 收缩率(%)<0.10吸水量比(g/m2)<500抗裂性(厚度 5mm)无裂纹可操作时间(h)>2水蒸汽透过湿流密度(g/m.h)>1加速冻融(循环 10 次)表面无裂纹、龟裂、剥落现象(三)、耐碱性玻纤网格布耐碱涂塑玻璃纤维网格布用作无网体系聚合物砂浆面层的加强和抗裂之用。其性能指标见下表耐碱性玻纤网格布性能指标表检测项目技术指标标准网孔尺寸,mm4〜6x4〜6单位面积质量,g/m>160经、纬向耐碱断裂强力,N/50mm>750经、纬向耐碱断裂强力保留值,%>50断裂应变,%<5(四)、聚苯颗粒保温浆料用于窗口外侧面保温、无网体系中个别局部找平和堵孔等,聚苯颗粒保温浆料的性能指标应符合北京市标准《外墙外保温施工技术规程》DBJ/T—50—2002 的要求,与聚苯板的粘结抗拉强度应 NO.IMPa。(五)、低碳钢丝性能指标用于有网体系的面...

1、当您付费下载文档后,您只拥有了使用权限,并不意味着购买了版权,文档只能用于自身使用,不得用于其他商业用途(如 [转卖]进行直接盈利或[编辑后售卖]进行间接盈利)。
2、本站所有内容均由合作方或网友上传,本站不对文档的完整性、权威性及其观点立场正确性做任何保证或承诺!文档内容仅供研究参考,付费前请自行鉴别。
3、如文档内容存在违规,或者侵犯商业秘密、侵犯著作权等,请点击“违规举报”。

碎片内容

外墙外保温现浇混凝土模板内置保温系统施工工艺

您可能关注的文档

确认删除?
VIP
微信客服
  • 扫码咨询
会员Q群
  • 会员专属群点击这里加入QQ群
客服邮箱
回到顶部