电脑桌面
添加小米粒文库到电脑桌面
安装后可以在桌面快捷访问

单开、菱形及复式交分道岔的检查方法带图解

单开、菱形及复式交分道岔的检查方法带图解_第1页
1/9
单开、菱形及复式交分道岔的检查方法带图解_第2页
2/9
单开、菱形及复式交分道岔的检查方法带图解_第3页
3/9
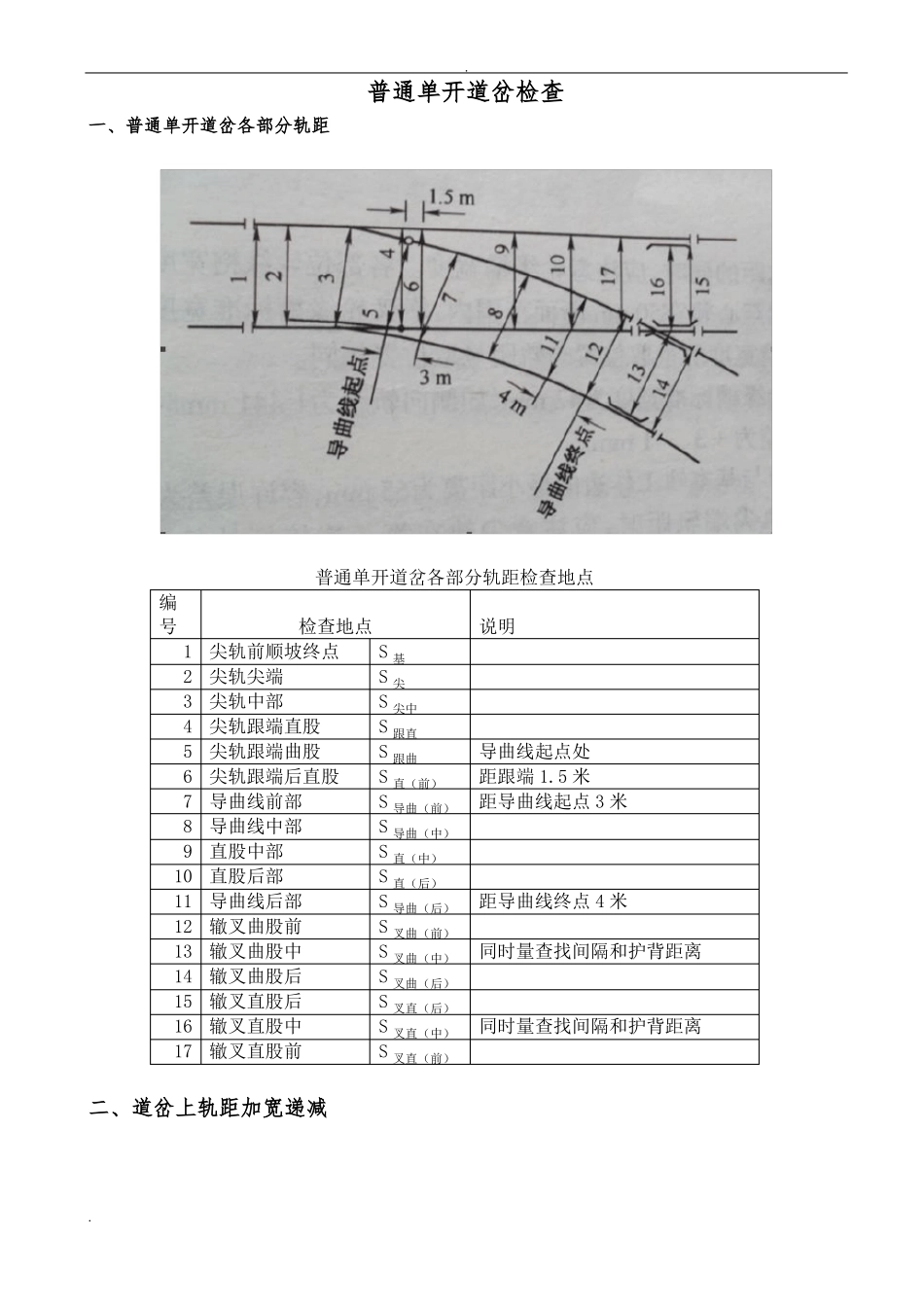
.普通单开道岔检查一、普通单开道岔各部分轨距普通单开道岔各部分轨距检查地点编号1234567891011121314151617检查地点尖轨前顺坡终点S 基尖轨尖端S 尖尖轨中部S 尖中尖轨跟端直股S 跟直尖轨跟端曲股S 跟曲尖轨跟端后直股S 直(前)导曲线前部S 导曲(前)导曲线中部S 导曲(中)直股中部S 直(中)直股后部S 直(后)导曲线后部S 导曲(后)辙叉曲股前S 叉曲(前)辙叉曲股中S 叉曲(中)辙叉曲股后S 叉曲(后)辙叉直股后S 叉直(后)辙叉直股中S 叉直(中)辙叉直股前S 叉直(前)说明导曲线起点处距跟端 1.5 米距导曲线起点 3 米距导曲线终点 4 米同时量查找间隔和护背距离同时量查找间隔和护背距离二、道岔上轨距加宽递减..三、50kg/m 钢轨 12 号单开道岔标记设置示意图菱形道岔检查方法菱形道岔的检查除普通单开道岔的检查内容要求除外,还必须检查前后锐角辙叉的叉前,叉后端的轨距、水平,以及叉心中的轨距,查照间隔,护背距离及轨距;钝角辙叉前、后半部..的叉前,叉后端的轨距、水平和叉心中的查照间隔,护背距离及轨距。菱形道岔轨距检查地点编检查地点号1叉后端2前锐角辙叉叉心中3叉前端4前半部叉后端5前半部叉心中钝角辙叉6后半部叉心中7后半部叉后端8叉前端9后锐角辙叉叉心中10叉后端注:乙股检查地点比照甲股进行说明同时量查找间隔和护背距离同时量查找间隔和护背距离同时量查找间隔和护背距离复式交分道岔的检查方法一、交道岔检查的甲、乙股方向确定:站在岔跟端脸向车站、分左右、左股为甲、右股为乙,检查的起点为始端。以该端左侧(面向钝角部分)一股线路为甲股的检查走向,该端右侧(面向钝角部分)线路为乙股的检查走向。二、甲股与乙股检查走向的范围划分:(见下图)..三、检查水平时的基准股确定:(见下图)当基准股高于非基准股时,水平为正“+”;反之,当基准股低于非基准股时,水平为负“—”。四、复式交分道岔轨距水平检查的顺序及地点序号123检查地点甲股前锐角辙叉跟甲股前锐角辙叉中甲股前尖轨距顺坡终点测点S1S2S3实际轨距尺寸9 号12 号14351435水平测点H1×H2备注9120×0辙叉心宽 50 至心宽 20mm 断面处9#复交该处距直线尖轨尖端 2273mm12#复交该处距直线尖轨尖端 2170mm1435143591-4891-4814351435..4甲股前尖轨尖S41449直1435曲14501435145014351435144514501435143514351450直1435曲1450144914351445直1435曲14451435144514351435144214451435143514351445直1435曲14...

1、当您付费下载文档后,您只拥有了使用权限,并不意味着购买了版权,文档只能用于自身使用,不得用于其他商业用途(如 [转卖]进行直接盈利或[编辑后售卖]进行间接盈利)。
2、本站所有内容均由合作方或网友上传,本站不对文档的完整性、权威性及其观点立场正确性做任何保证或承诺!文档内容仅供研究参考,付费前请自行鉴别。
3、如文档内容存在违规,或者侵犯商业秘密、侵犯著作权等,请点击“违规举报”。

碎片内容

单开、菱形及复式交分道岔的检查方法带图解

您可能关注的文档

文库响当当+ 关注
实名认证
内容提供者

该用户很懒,什么也没介绍

相关文档

确认删除?
VIP
微信客服
  • 扫码咨询
会员Q群
  • 会员专属群点击这里加入QQ群
客服邮箱
回到顶部