电脑桌面
添加小米粒文库到电脑桌面
安装后可以在桌面快捷访问

危险源辨识和风险评价程序文件

危险源辨识和风险评价程序文件_第1页
1/9
危险源辨识和风险评价程序文件_第2页
2/9
危险源辨识和风险评价程序文件_第3页
3/9
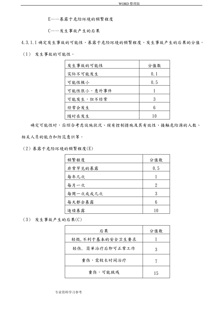
WORD 整理版1.目的对本公司活动、产品或服务中存在对人体健康、卫生、伤害的危害进行识别和危险评价,从中判定重要危险源,并加以控制。2.范围本程序适用于公司对所有危险源的识别和评价。3.职责3.1 公司各部门负责对本部门的危险源进行辨别和登记。3.2 各部门负责保持并更新本部门危险源登记表。3.3 行政办组织对各部门的危险源进行分类、汇总和评价,确定重要危险源。4.程序内容4.1 危险源辨识4.1.1 危险源辨识与风险评价范围各部门在对危险源进行辨识和对风险进行评价时,应覆盖到所有部门的所有工作活动场所,并考虑以下方面:1)各部门工作场所内的常规和非常规活动;2)所有进入工作场所的人员(包括合同方人员和访问者)的活动;3)人的行为、能力和其他的人的因素;4)识别来自工作场所外的、可能对组织控制下的工作场所内人员的健康和安全产生不利影响的危险源;5)由组织控制下与工作有关的活动的所产生的,在工作场所周围的危险源;6)工作场所内的基础设施、设备和材料(包括由外界所提供)的因素造成的危险源;7)组织、活动或材料的变化或提议的变化;8)职能健康安全管理体系的修改,包括临时的变化,以及他们对运行、过程和活动的影响;9)任何与风险评价和实施必要控制相关的法规要求;10)工作区域、过程、装置、机械/设备、运行程序和工作组织的设计,包括与人的能力相适应。4.1.2 危险源辨识与风险评价的时间:专业资料学习参考WORD 整理版1)每年在设定目标前进行;2)公司的职业健康安全管理体系建立之初进行;3)下列情况下,可适时再进行危险源辨识及风险评价、更新;a.相关法律法规变更或追加;b.作业区域有大的改变;c.产品或生产工艺或工序有较大调整;d.相关方有合理要求时;4.1.3 危险源辨识的方法公司各部门在对危险源辨识时,可视情况选择使用以下几种方法:a.询问和交流;b.现场观察;c.信息收集辨识;d.专业分组讨论;e.危害辨识调查;f.安全检查表法;通过以上方法可实施对活动的监视,同时也为确定设施要求、辨识培训需求和开展运行控制提供输入信息。对危险源进行辨识时,确定优先次序,并文件化填在《危险源辨识与风险评价表》(附件 2)中的“危险源”和“特性”列,指的是被辨识对象及可能造成的损失或意外情况。4.2 风险的评价4.2.1 各部门按危险源辨识方法、风险评价分级方法,对其部门所涉及的危险源进行辨识,对风险进行评价和分级,将结果填入《危险源辨识与风险评价表》中,并由各部门负...

1、当您付费下载文档后,您只拥有了使用权限,并不意味着购买了版权,文档只能用于自身使用,不得用于其他商业用途(如 [转卖]进行直接盈利或[编辑后售卖]进行间接盈利)。
2、本站所有内容均由合作方或网友上传,本站不对文档的完整性、权威性及其观点立场正确性做任何保证或承诺!文档内容仅供研究参考,付费前请自行鉴别。
3、如文档内容存在违规,或者侵犯商业秘密、侵犯著作权等,请点击“违规举报”。

碎片内容

危险源辨识和风险评价程序文件

您可能关注的文档

文库当当响+ 关注
实名认证
内容提供者

该用户很懒,什么也没介绍

确认删除?
VIP
微信客服
  • 扫码咨询
会员Q群
  • 会员专属群点击这里加入QQ群
客服邮箱
回到顶部