电脑桌面
添加小米粒文库到电脑桌面
安装后可以在桌面快捷访问

危险源辨识评价表化验室

危险源辨识评价表化验室_第1页
1/16
危险源辨识评价表化验室_第2页
2/16
危险源辨识评价表化验室_第3页
3/16
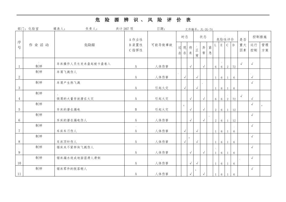
危险源辨识 、 风险评价表部门:化验室填表人:负责人:共计 207 项日期:文件编号:JL-ZG-74/序号作 业 活 动危险源A 作业性B 装置性C 指挥性时态可能导致事故!状态危险性评价LECD过 现 将异 紧正去 在 来常 急常;控制措施是否重大运行管理因素控制方案}!12制样制样制样车床操作人员长发未盘起被卡盘卷入车屑飞溅伤人272AA人体伤害人体伤害引起火灾引起火灾引起火灾人体伤害人体伤害人体伤害人体伤害:人体伤害人体伤害√√66√√,616"√√1√√车屑产生热飞溅3制样4制样5制样6制样7制样8、(A镁屑的大量存放潜在火灾车床的潜在漏电车床的潜在漏电伤人车床车刀伤人车床顶针伤人√√161,672ABA~√√6¥62√√√@√√2…6112√26112|√√√√√√√√√1@AAA616√√1\616制样制样锯床夹不紧样块飞溅伤人锯床漏水造成地面湿滑人滑倒16<910制样11√√16√ √1%A锯床零件的脱落砸人616A√√1616}锯条刮伤手.16√)1213制样制样制样锯床镁屑的燃烧AA阳极抓不紧落地砸脚人体伤害引起火灾人体伤害人体伤害人体伤害人体伤害人体伤害引起火灾人体伤害%人体伤害引起火灾人体伤害人体伤害人体伤害人体伤害√√1*6616;√√1√√61{14制样15制样16制样17制样18制样19^;A锯样式时被样块刮伤断裂锯条的存放锯齿伤人√√1√√1"66√√|AA61√√2、6112√样块夹不紧样块飞溅伤人A】√√1616\√√√√√√[√√1;锯条的潜在断裂刺伤人锯床的潜在漏电ABAA6166112【√√2制样锯床的潜在漏电伤人20制样21制样22!√√26√√2?112<钻床潜在漏电伤人钻床潜在漏电6112B钻床钻头潜在脱落砸人√√26$112162324制样制样样品加工产生热烫人AAAB√√1*6616}√√1√√制样25数据输入2661"加工车间的门潜在脱落砸人》电脑辐射人体√√1√√16661√化验27氩气瓶潜在漏气…√√√1616/B人体伤害危险源辨识 、 风险评价表部门:化验室填表人:王飞负责人:康凯共计 207 项日期:文件编号:MACH/JL-ZG-74,时态危险性评价控制措施状态A 作业性是否序…作业活动危险源B 装置性可能导致事故重大运行管理LECD号过现正异紧C 指挥性因素控制方案将去在常常急来~化验氩气瓶在搬运过程中潜在歪倒砸人,6112&√28化验29化验30(AABBAABBB<人体伤害|引起爆炸引起爆炸人体伤害引起火灾人体伤害环境污染人体伤害人体伤害引起火灾√√2√√6…氩气瓶在搬运过程中潜在歪倒爆炸氩气瓶在高温或是明火状态下潜在爆炸6272√√√√√√66{3108√光谱仪电脑辐射人体光谱仪潜在漏电1...

1、当您付费下载文档后,您只拥有了使用权限,并不意味着购买了版权,文档只能用于自身使用,不得用于其他商业用途(如 [转卖]进行直接盈利或[编辑后售卖]进行间接盈利)。
2、本站所有内容均由合作方或网友上传,本站不对文档的完整性、权威性及其观点立场正确性做任何保证或承诺!文档内容仅供研究参考,付费前请自行鉴别。
3、如文档内容存在违规,或者侵犯商业秘密、侵犯著作权等,请点击“违规举报”。

碎片内容

危险源辨识评价表化验室

确认删除?
VIP
微信客服
  • 扫码咨询
会员Q群
  • 会员专属群点击这里加入QQ群
客服邮箱
回到顶部