电脑桌面
添加小米粒文库到电脑桌面
安装后可以在桌面快捷访问

喷淋工程管道安装检验批

喷淋工程管道安装检验批_第1页
1/25
喷淋工程管道安装检验批_第2页
2/25
喷淋工程管道安装检验批_第3页
3/25
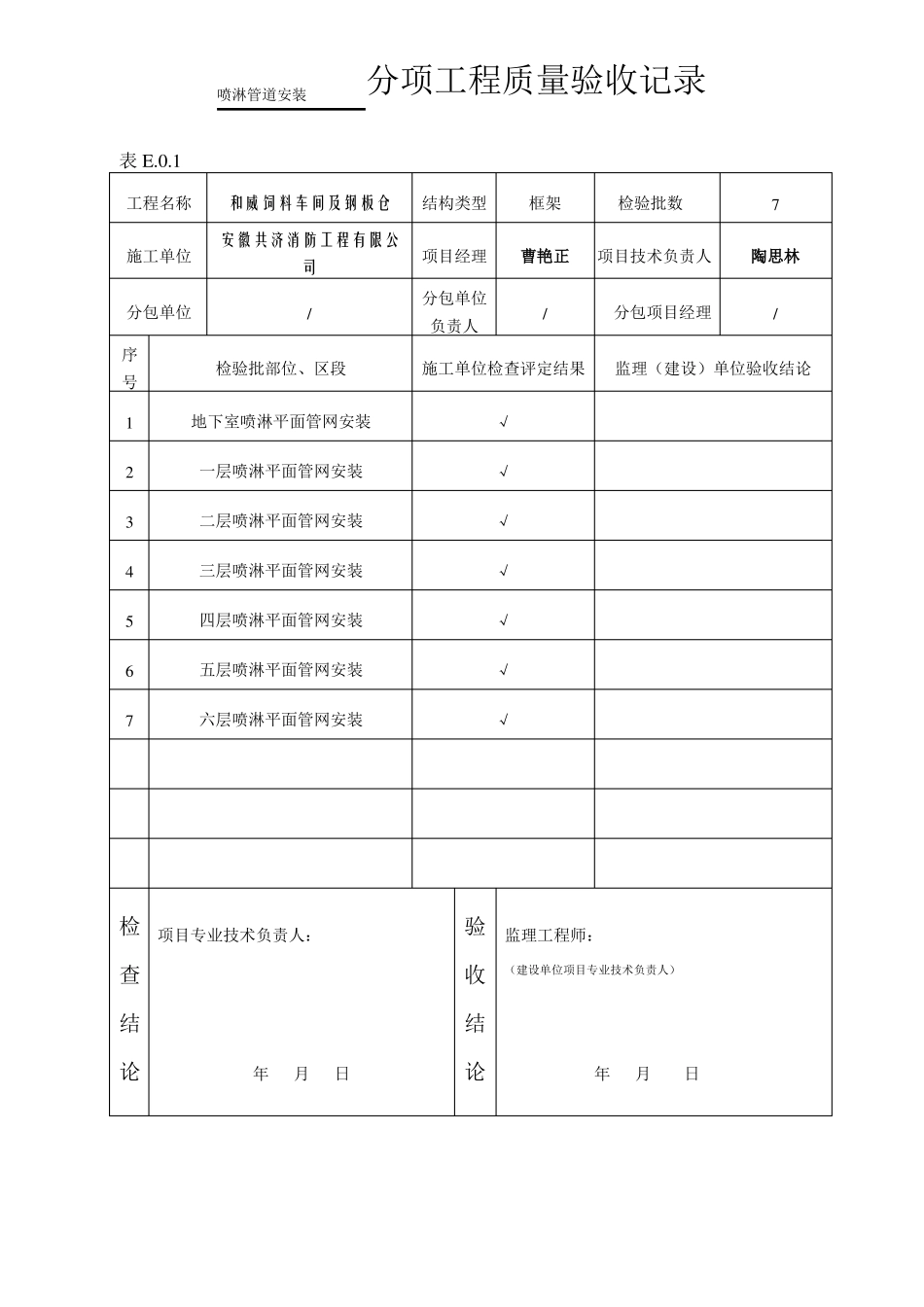
喷淋管道安装分项工程质量验收记录表 E.0.1工程名称施工单位分包单位序号1234567和威饲料车间及钢板仓安徽共济消防工程有限公司/检验批部位、区段地下室喷淋平面管网安装一层喷淋平面管网安装二层喷淋平面管网安装三层喷淋平面管网安装四层喷淋平面管网安装五层喷淋平面管网安装六层喷淋平面管网安装结构类型项目经理分包单位负责人框架检验批数曹艳正项目技术负责人分包项目经理7陶思林//施工单位检查评定结果√√√√√√√监理(建设)单位验收结论检查结论项目专业技术负责人:年月日验收结监理工程师:(建设单位项目专业技术负责人)年月日论喷淋管道试压及冲洗分项工程质量验收记录表 E.0.1工程名称施工单位分包单位序号1234567和威饲料车间及钢板仓结构类型项目经理分包单位负责人果√√√√√√√框架检验批数曹艳正/项目技术负责人分包项目经理7陶思林/安徽共济消防工程有限公司/检验批部位、区段施工单位检查评定结监理(建设)单位验收结论地下室喷淋平面管网试压及冲洗一层喷淋平面管网试压及冲洗二层喷淋平面管网试压及冲洗三层喷淋平面管网试压及冲洗四层喷淋平面管网试压及冲洗五层喷淋平面管网试压及冲洗六层喷淋平面管网试压及冲洗检查结论项目专业技术负责人:年月日验收结论监理工程师:(建设单位项目专业技术负责人)年月日工 程 检 验 批 报 验 单工程名称:和威饲料车间及钢板仓编号:致:安徽和威家业开发股份有限公司(监理单位)我单位已完成了一层喷淋平面管网的试压及冲洗 工作,现报上该工程报验申请表,请予以审查和验收。附件:1.喷淋平面管网试压记录 2.喷淋平面管网冲洗记录承包单位(章)项目经理日期 2010 年 7 月 8 日审查意见:项目监理机构总/专业监理工程师日期自动喷水灭火系统试压记录工程名称和威饲料车间及钢板仓安徽共济消防工程有限公司材质镀锌钢管建设单位监理单位强度试验安徽和威农业开发股份有限公司宁国建设咨询监理有限公司施工单位管段号设计工作压力(MPa)温度(℃)严密性试验结论意见符合规范要求介质水压力(MPa)时间(min)介质水压力(MPa)时间(min)结论意见符合规范要求一层平面管网0.4261.4300.924施工单位项目负责人:监理工程师:(签章)建设单位项目负责人:(签章)参加单位(签章)年月日年月日年月日自动喷水灭火系统管网冲洗记录工程名称和威饲料车间及钢板仓安徽共济消防工程有限公司建设单位监理单位冲洗安徽和威农业开发股份有限公司宁国建设咨询...

1、当您付费下载文档后,您只拥有了使用权限,并不意味着购买了版权,文档只能用于自身使用,不得用于其他商业用途(如 [转卖]进行直接盈利或[编辑后售卖]进行间接盈利)。
2、本站所有内容均由合作方或网友上传,本站不对文档的完整性、权威性及其观点立场正确性做任何保证或承诺!文档内容仅供研究参考,付费前请自行鉴别。
3、如文档内容存在违规,或者侵犯商业秘密、侵犯著作权等,请点击“违规举报”。

碎片内容

喷淋工程管道安装检验批

确认删除?
VIP
微信客服
  • 扫码咨询
会员Q群
  • 会员专属群点击这里加入QQ群
客服邮箱
回到顶部