电脑桌面
添加小米粒文库到电脑桌面
安装后可以在桌面快捷访问

地下连续墙施工技术交底

地下连续墙施工技术交底_第1页
1/14
地下连续墙施工技术交底_第2页
2/14
地下连续墙施工技术交底_第3页
3/14
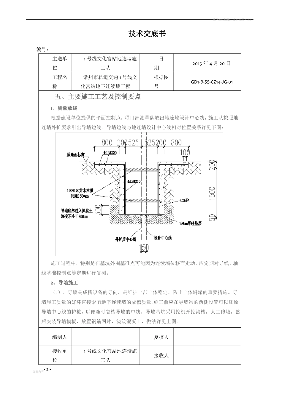
地下连续墙施工成本核算(上)技术交底书编号:主送单位工程名称1 号线文化宫站地连墙施工队常州市轨道交通 1 号线文化宫站地下连续墙工程日期根据图号2015 年 4 月 20 日GD1-B-SS-CZ14-JG-01一、交底范围常州市轨道交通 1 号线文化宫站地下连续墙工程。二、施工计划本工程地下连续墙设计 124 幅,计划分四期完成。第一期施工换乘段地下连续墙,共13幅;第二期施工和平北路与罗汉路交叉口东侧地下连续墙,共 11 幅;第三期施工 1-3 轴及8-25 轴东侧地下连续墙,共 34 幅;第四期施工 1 号线西侧及刀把段地下连续墙,共 66 幅。计划 2015 年 5 月 1 日开工,2016 年 4 月中旬全部完成。三、主要技术参数1 号线地下连续墙深度分 45m、48m、51m 三种,幅宽分 5m、5.5m、6m 三种,墙厚均为 1m,单侧外扩 150mm。导墙间宽度为 1050mm。导墙顶部与原地面齐平,平面中心线容许偏差为±10mm,墙面平整度不大于 5mm。导墙采用 C25 混凝土浇筑,钢筋保护层为 3cm。地连墙成槽垂直精度不得低于 1/300,接头处相邻两槽段的中心线在任一深度的偏差不得大于 50mm。地连墙采用 C35 水下混凝土灌注,钢筋保护层厚度为 7cm。四、主要投入设备1、金泰 SG60 成槽机 1 台;2、320t、180t 履带吊各 1 台;3、场内渣土倒运车 2 辆;4、渣土外运车 3 辆;5、泥浆外运车 1 辆;6、钢筋弯曲机、套丝机、电焊机若干。编制人接收单位页脚内容1 号线文化宫站地连墙施工队复核人接收人- 1 -地下连续墙施工成本核算(上)技术交底书编号:主送单位工程名称1 号线文化宫站地连墙施工队常州市轨道交通 1 号线文化宫站地下连续墙工程日期根据图号2015 年 4 月 20 日GD1-B-SS-CZ14-JG-01五、主要施工工艺及控制要点1、测量放线根据建设单位提供的平面控制点,项目部测量队放出地连墙设计中心线,施工队按照地连墙外扩要求引出导墙边线。导墙边线与地连墙设计中心线相对位置关系详见下图:施工过程中,特别是在基坑外围基准点可能因为连续墙位移而走动,应定期对导线、轴线基准控制点等定期进行复测。2、导墙施工(1)、导墙是成槽设备的导向,是维护上部土体稳定、防止土体坍塌的重要措施。导墙施工质量的好坏直接影响地下连续墙的成槽质量。施工前应在导墙沟的两侧设置可以还原导墙中心线的护桩,以便随时复核导墙的中线。导墙基坑采用挖机开挖沟槽,人工修坡,然后安装导墙模板,放置钢筋网片,浇筑混凝...

1、当您付费下载文档后,您只拥有了使用权限,并不意味着购买了版权,文档只能用于自身使用,不得用于其他商业用途(如 [转卖]进行直接盈利或[编辑后售卖]进行间接盈利)。
2、本站所有内容均由合作方或网友上传,本站不对文档的完整性、权威性及其观点立场正确性做任何保证或承诺!文档内容仅供研究参考,付费前请自行鉴别。
3、如文档内容存在违规,或者侵犯商业秘密、侵犯著作权等,请点击“违规举报”。

碎片内容

地下连续墙施工技术交底

您可能关注的文档

确认删除?
VIP
微信客服
  • 扫码咨询
会员Q群
  • 会员专属群点击这里加入QQ群
客服邮箱
回到顶部