电脑桌面
添加小米粒文库到电脑桌面
安装后可以在桌面快捷访问

地基与基础工程检验批填写范例的目录

地基与基础工程检验批填写范例的目录_第1页
1/51
地基与基础工程检验批填写范例的目录_第2页
2/51
地基与基础工程检验批填写范例的目录_第3页
3/51
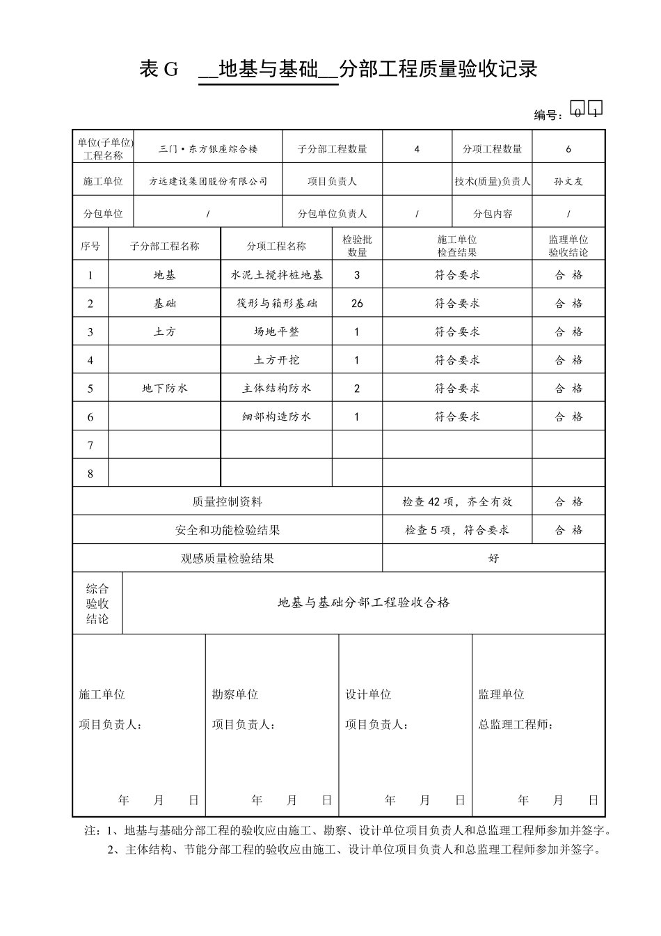
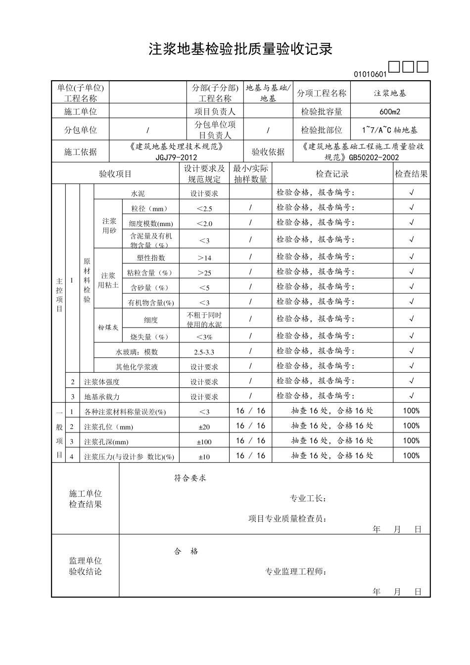
地基与基础工程检验批填写范例的目录0、1、2、3、4、5、6、7、8、9、10、11、12、13、14、15、16、17、18、19、20、21、22、23、24、25、26、27、28、29、30、31、32、33、34、35、36、37、38、39、40、41、42、43、44、45、46、47、48、地基与基础分部工程质量验收记录注浆地基检验批质量验收记录高压旋喷注浆地基检验批质量验收记录水泥土搅拌桩地基检验批质量验收记录钢筋混凝土预制桩(钢筋骨架)检验批质量验收记录(Ⅰ)钢筋混凝土预制桩(钢筋骨架)检验批质量验收记录 (Ⅱ)混凝土灌注桩(钢筋笼)检验批质量验收记录(Ⅰ)混凝土灌注桩检验批质量验收记录 (Ⅱ)钢桩(成品)检验批质量验收记录(Ⅰ)钢桩检验批质量验收记录(Ⅱ)锚杆静压桩检验批质量验收记录沉井与沉箱检验批质量验收记录混凝土灌注桩(钢筋笼)检验批质量验收记录(Ⅰ)-基坑支护混凝土灌注桩检验批质量验收记录 (Ⅱ)-基坑支护重复使用钢板桩围护墙检验批质量验收记录混凝土板桩围护墙检验批质量验收记录土钉墙检验批质量验收记录地下连续墙墙检验批质量验收记录钢或混凝土支撑系统检验批质量验收记录锚杆检验批质量验收记录降水与排水检验批质量验收记录土方开挖工程检验批质量验收记录土方回填工程检验批质量验收记录防水混凝土检验批质量验收记录水泥砂浆防水层检验批质量验收记录卷材防水层检验批质量验收记录涂料防水层检验批质量验收记录(例表:现场检查原始记录)塑料防水板防水层检验批质量验收记录金属板防水层检验批质量验收记录膨润土防水层检验批质量验收记录施工缝检验批质量验收记录变形缝检验批质量验收记录后浇带检验批质量验收记录穿墙管检验批质量验收记录埋设件检验批质量验收记录预留通道检验批质量验收记录桩头检验批质量验收记录孔口检验批质量验收记录坑、池检验批质量验收记录锚喷支护检验批质量验收记录地下连续墙检验批质量验收记录盾构隧道检验批质量验收记录沉井工程检验批质量验收记录逆筑结构检验批质量验收记录渗排水、盲沟排水检验批质量验收记录隧道排水、坑道排水检验批质量验收记录塑料排水板排水检验批质量验收记录预注浆、后注浆检验批质量验收记录结构裂缝注浆检验批质量验收记录表 G__地基与基础__分部工程质量验收记录0 □1编号:□单位(子单位)工程名称施工单位分包单位序号子分部工程名称三门·东方银座综合楼方远建设集团股份有限公司/子分部工程数量项目负责人分包单位负责人分项工程名称检验批数量4/分项工程数量技术(质量)负责人分包内容...

1、当您付费下载文档后,您只拥有了使用权限,并不意味着购买了版权,文档只能用于自身使用,不得用于其他商业用途(如 [转卖]进行直接盈利或[编辑后售卖]进行间接盈利)。
2、本站所有内容均由合作方或网友上传,本站不对文档的完整性、权威性及其观点立场正确性做任何保证或承诺!文档内容仅供研究参考,付费前请自行鉴别。
3、如文档内容存在违规,或者侵犯商业秘密、侵犯著作权等,请点击“违规举报”。

碎片内容

地基与基础工程检验批填写范例的目录

您可能关注的文档

确认删除?
VIP
微信客服
  • 扫码咨询
会员Q群
  • 会员专属群点击这里加入QQ群
客服邮箱
回到顶部