电脑桌面
添加小米粒文库到电脑桌面
安装后可以在桌面快捷访问

30m预应力混凝土简支T梁VIP专享

30m预应力混凝土简支T梁_第1页
1/33
30m预应力混凝土简支T梁_第2页
2/33
30m预应力混凝土简支T梁_第3页
3/33
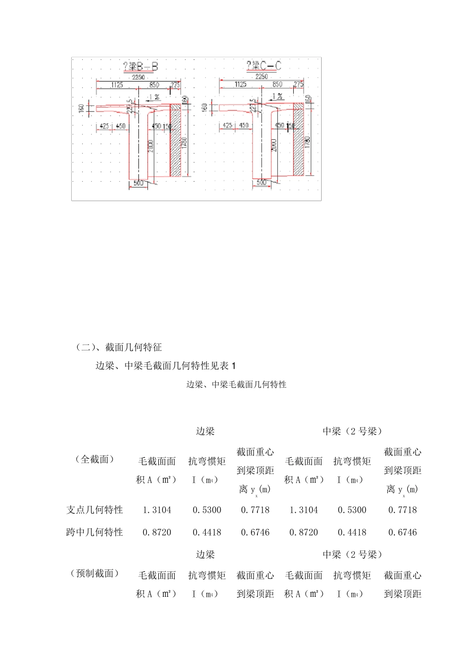
30m 预应力混凝土简支T 梁 一、计算依据与基础资料 (一)、设计标准及采用规范 1、标准 跨径:桥梁标准跨径30m;计算跨径(正交、简支)28.9m;预知T 梁长29.92m。 设计荷载:公路——Ⅱ级 桥面宽度:分离式路基宽28.0m(高速公路),半幅桥全宽 桥梁安全等级为一级,环境条件为Ⅱ类 2、采用规范:交通部颁布的预应力混凝土简支T 梁设计通用图; 《公路桥涵设计通用规范》JTG D60-2004; 《公路钢筋混凝土及预应力混凝土桥涵设计规范》JTG D62-2004; 刘效尧等编著,《公路桥涵设计手册-梁桥》,人民交通出版社,2011; 强士中,《桥梁工程(上)》,高等教育出版社,2004。 (二)、主要材料 1、混凝土:预制T 梁,湿接缝为C50、现浇铺装层为C50、护栏为C30. 2、预应力钢绞线:采用钢绞线s 15.2 ㎜,ƒpk=1860MPa,Ep=1.95×105MPa 3、普通钢筋:采用HRB335,ƒsk=335MPa,Es=2.0×105MPa (三)、设计要点 1、简支T 梁按全预应力构件进行设计,现浇层80mm 厚的C40 的混凝土不参与截面组合作用。 2、结构重要性系数取1.1; 3、预应力钢束张拉控制应力值σcon=0.75ƒpk; 4、计算混凝土收缩、徐变引起的预应力损失时传力锚固龄期为7d; 5、环境平均相 对 湿度RH=55% ; 6、存 梁时间 为90d; 7、湿度梯 度效应计算的温 度基数,T1=14℃,T2=5.5℃。 二、结构尺 寸 及结构特 征 (一)、构造图 构造图如图 1 ~图 3 所示。 (二)、截面几何特征 边梁、中梁毛截面几何特性见表 1 边梁、中梁毛截面几何特性 (全截面) 边梁 中梁(2 号梁) 毛截面面积 A(㎡) 抗弯惯矩I(m4) 截面重心到梁顶距离 yx(m) 毛截面面积 A(㎡) 抗弯惯矩I(m4) 截面重心到梁顶距离 yx(m) 支点几何特性 1.3104 0.5300 0.7718 1.3104 0.5300 0.7718 跨中几何特性 0.8720 0.4418 0.6746 0.8720 0.4418 0.6746 (预制截面) 边梁 中梁(2 号梁) 毛截面面积 A(㎡) 抗弯惯矩I(m4) 截面重心到梁顶距毛截面面积 A(㎡) 抗弯惯矩I(m4) 截面重心到梁顶距 表1 (三)、T 梁翼缘有效宽度计算 根据《桥规》4.2.2 条规定,T 梁翼缘有效宽度计算如下: 中梁:Bf1=min 故按全部翼缘参与受力考虑。 三、汽车荷载横向分布系数、冲击系数计算 (一)、汽车荷载横向分布系数计算 1、汽车横向折减系数 根据《通规》4.3.1 条第 7 款规定,三车道的横向折减系数为 0....

1、当您付费下载文档后,您只拥有了使用权限,并不意味着购买了版权,文档只能用于自身使用,不得用于其他商业用途(如 [转卖]进行直接盈利或[编辑后售卖]进行间接盈利)。
2、本站所有内容均由合作方或网友上传,本站不对文档的完整性、权威性及其观点立场正确性做任何保证或承诺!文档内容仅供研究参考,付费前请自行鉴别。
3、如文档内容存在违规,或者侵犯商业秘密、侵犯著作权等,请点击“违规举报”。

碎片内容

30m预应力混凝土简支T梁

确认删除?
VIP
微信客服
  • 扫码咨询
会员Q群
  • 会员专属群点击这里加入QQ群
客服邮箱
回到顶部