电脑桌面
添加小米粒文库到电脑桌面
安装后可以在桌面快捷访问

35kVGIS备品备件及专用工具

35kVGIS备品备件及专用工具_第1页
1/6
35kVGIS备品备件及专用工具_第2页
2/6
35kVGIS备品备件及专用工具_第3页
3/6
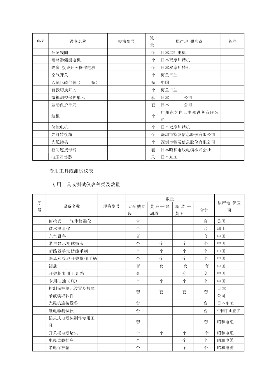
35kVGIS 备品备件及专用工具 一、广州四号线大学城专线 1 工程概况 四号线北起箩岗新区,南至南沙,线路全长 68km 。全线设 22 座车站,其中 14 座地下站、七座高架站,1 座地面站,在新造设置车辆段 1 座,在箩岗和南沙各设停车场 1 座。 四号线全线分四个阶段实施,北部从箩岗新区站至黄洲站(17.02km ),计划将在 2010年以后建设;中部从琶洲塔站到新造站(大学城专线段 14.11 km ),计划在 2005 年完成;南部从新造站至南沙站(34.81km ),计划将在 2006 年完成;中部从黄洲站到琶洲塔站(2.13km )计划将在 2009 年完成。 四号线采用直流电机车辆,最高运行速度为 90 km /h,旅行速度不小于 53 km /h。最大站间距 9570m ,最小站间距 1090m ,全线超过 5 km 的区间有 4 处。 供电系统采用110~33KV 二级电压供电方式,正线接触网(隧道内、地面、高架区段)采用DC1500V 三轨,车辆段接触网采用架空柔性悬挂接触网,不间断地供给运行中的电动列车。四号线从黄洲站到黄阁站牵引所布点如下: 牵引所 琶洲塔 官洲 小谷围 新造 新市 区间 市莲路 广州 新城 广东区间 东涌 东黄区间 黄阁 所间站(m ) 3682 3562 2290 4780 4780 2230 2850 2850 4245 4245 2 备品备件 备品备件按 3 年考虑,单独包装。 在现场调试及质保期后 3 年内,如实际运行所需要的备品备件种类或数量超出下表,卖方免费补足。 2.1 大学城专段 序号 设备名称 规格型号 数量 原产地/供应商 备注 1 电缆头(配套 1*300mm2电缆) S4B0150-01A 3套 日本昭和电线电 缆株式会社 2 电缆头(配套 1*150mm2电缆) S4B0149-01A 3套 日本昭和电线电缆株式会社 3 电缆头(配套 1*95mm2电缆) S4B0149-01A 3套 日本昭和电线电缆株式会社 4 避雷器 RVLQC-45Y 3套 廊坊电科院东芝避雷器有限公司 5 合闸线圈 5P9A2334P002 3个 日本二叶电机 DC110V 6 分闸线圈 5P9A2594P001 3个 日本二叶电机 DC110V 7 断路器储能电机 5P9A2357P002 3个 日本双摩川精机 DC110V 8 隔离/接地开关操作电机 5P9B7023P001 3个 日本双摩川精机 DC110V 9 空气开关 C32H IN=3A 4个 梅兰日兰 10 六氟化硫气体(10kg/瓶) 1瓶 中国 11 自投切换开关 IN=12A 1个 梅兰日兰 12 微机测控保护单元 GRD150 2套 日本TM T&D公司 13 差动保护单元 GRL100...

1、当您付费下载文档后,您只拥有了使用权限,并不意味着购买了版权,文档只能用于自身使用,不得用于其他商业用途(如 [转卖]进行直接盈利或[编辑后售卖]进行间接盈利)。
2、本站所有内容均由合作方或网友上传,本站不对文档的完整性、权威性及其观点立场正确性做任何保证或承诺!文档内容仅供研究参考,付费前请自行鉴别。
3、如文档内容存在违规,或者侵犯商业秘密、侵犯著作权等,请点击“违规举报”。

碎片内容

35kVGIS备品备件及专用工具

您可能关注的文档

小辰7+ 关注
实名认证
内容提供者

出售各种资料和文档

确认删除?
VIP
微信客服
  • 扫码咨询
会员Q群
  • 会员专属群点击这里加入QQ群
客服邮箱
回到顶部