电脑桌面
添加小米粒文库到电脑桌面
安装后可以在桌面快捷访问

51单片机AT89C52中文资料

51单片机AT89C52中文资料_第1页
1/20
51单片机AT89C52中文资料_第2页
2/20
51单片机AT89C52中文资料_第3页
3/20
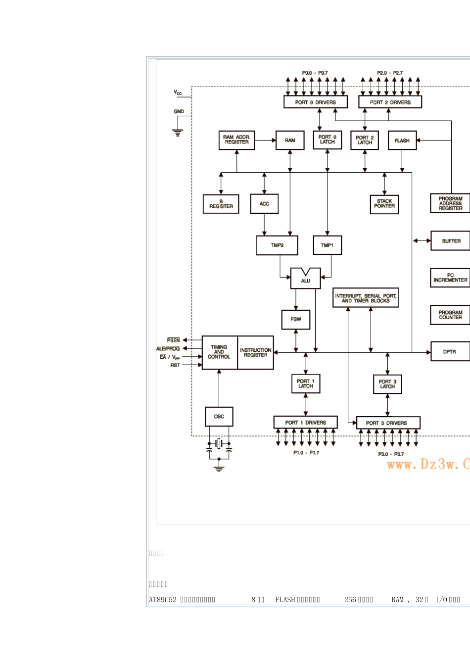
51 单片机AT89C52 中文资料51 单片机AT89C52 中文资料 AT89C52 ATMEL 公司生产的低电压,高性能CMOS 8 位单片机.片内含8K byTES 的可反复擦写据存储器(RAM),器件采用ATMEL 公司的高密度、非易失性存储技术生产,与标准MCS-51 指器(CPU )和FLASH 由存储单元,功能强大AT89C52 单片适用于许多较为复杂控制应用场合。主要性能参数: 与 Mcs-51 产品指令和引脚完全兼容。 8 字节可重擦写FLASH 闪速存储器 1000 次擦写周期 全静态操作:0HZ-24MHZ 三级加密程序存储器 256X8 字节内部RAM 32 个可编程I/0 口线 3 个 16 位定时/计数器 8 个中断源 可编程串行UART 通道 低功耗空闲和掉电模式 内部结构图 内部框图 功能特性: AT89C52 提供以下标准功能:8 字节FLASH 闪速存储器,256 字竹内部RAM , 32 个 I/O 口线, 全双工串行通信口,片内振荡器及时钟电路。同时,AT89c52 可降至OHz 的静态逻辑操作,并工作,但允许RAM,定时/计数器.串行通信口及中断系统继续工作。掉电方式保存RAM 中的一个硬件复位. 功能引脚说明: Vcc:电源电压 GND:地 P0: P0 口是一组8 位漏极开路型双向1/O 口,也即地址/数据总线复用口。作为输出口用时.P0 写“1”时,可作为高阻抗输入端用。 在访问外部数据存储器或程序存储器时,这组口线分时转换地址(低8 位)和数据总线复用,在 FLASH 由编程时,P0 口接收指令字节,而在程序校验时,输出指令字 节,校验时,要求外P1 口:PI 是一个带内部上拉电阻的8 位双向I/O 口,Pl 的输出缓冲级可驱动(吸收或输出电拉电阻把端口拉到高电平,此时可作输入口。作输入口使用时,因为内部存在上拉电阻某个引与 AT89C51 不同之处是,Pl.0 和 P1.1 还可分别作为定时/计数器2 的外部计数输入(Pl.0/T参见表1 FLASH 编程和程序校验期间,Pl 接收低8 位地址。 表 1 PI.O 和 PI.l 的第二功能 口:P2 是一个带有内部上拉电阻的8 位双向I/O 口,P2 的输出缓冲级可驱动(吸收或输出电拉电阻把端口拉到高电平,此时可作输入口,作输入口使用时,因为内部存在上拉电阻,某个在访问外部程序存储器或16 位地址的外部数据存储器(例如执行MOvx@DPTR 指令)时,P2 送如执行MOVX@RI 指令)时,P2 口输出P2 锁存器的内容。 FLASH 编程或校验时,P2 亦接收高位地址和一些控制信号。 · P3 口:P3 口是一组带有内部上拉电阻的8 ...

1、当您付费下载文档后,您只拥有了使用权限,并不意味着购买了版权,文档只能用于自身使用,不得用于其他商业用途(如 [转卖]进行直接盈利或[编辑后售卖]进行间接盈利)。
2、本站所有内容均由合作方或网友上传,本站不对文档的完整性、权威性及其观点立场正确性做任何保证或承诺!文档内容仅供研究参考,付费前请自行鉴别。
3、如文档内容存在违规,或者侵犯商业秘密、侵犯著作权等,请点击“违规举报”。

碎片内容

51单片机AT89C52中文资料

您可能关注的文档

确认删除?
VIP
微信客服
  • 扫码咨询
会员Q群
  • 会员专属群点击这里加入QQ群
客服邮箱
回到顶部