电脑桌面
添加小米粒文库到电脑桌面
安装后可以在桌面快捷访问

51单片机常用芯片引脚图

51单片机常用芯片引脚图_第1页
1/8
51单片机常用芯片引脚图_第2页
2/8
51单片机常用芯片引脚图_第3页
3/8
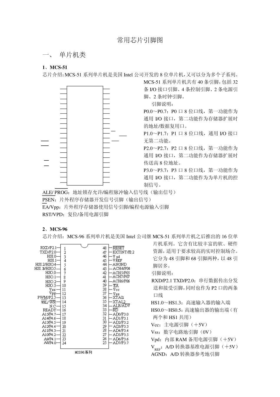
常用芯片引脚图 一、 单片机类 1、MCS-51 芯片介绍:MCS-51 系列单片机是美国 Intel 公司开发的 8 位单片机,又可以分为多个子系列。MCS-51 系列单片机共有 40 条引脚,包括 32条 I/O 接口引脚、4 条控制引脚、2 条电源引脚、2 条时钟引脚。 引脚说明: P0.0~P0.7:P0 口 8 位口线,第一功能作为通用I/O 接口,第二功能作为存储器扩展时的地址/数据复用口。 P1.0~P1.7:P1 口 8 位口线,通用I/O 接口无第二功能。 P2.0~P2.7:P2 口 8 位口线,第一功能作为通用I/O 接口,第二功能作为存储器扩展时传送高 8 位地址。 P3.0~P3.7:P3 口 8 位口线,第一功能作为通用I/O 接口,第二功能作为为单片机的控制信号。 ALE/ PROG:地址锁存允许/编程脉冲输入信号线(输出信号) PSEN:片外程序存储器开发信号引脚(输出信号) EA/Vpp:片外程序存储器使用信号引脚/编程电源输入引脚 RST/VPD:复位/备用电源引脚 2、MCS-96 芯片介绍:MCS-96 系列单片机是美国 Intel 公司继 MCS-51 系列单片机之后推出的 16 位单片机系列。它含有比较丰富的软、硬件资源,适用于要求较高的实时控制场合。它分为 48 引脚和 68 引脚两种,以 48 引脚居多。 引脚说明: RXD/P2.1 TXD/P2.0:串行数据传出分发送和接受引脚,同时也作为 P2 口的两条口线 HS1.0~HS1.3:高速输入器的输入端 HS0.0~HS0.5:高速输出器的输出端(有两个和 HS1 共用) Vcc:主电源引脚(+5V) Vss:数字电路地引脚(0V) Vpd:内部 RAM 备用电源引脚(+5V) VREF:A/D 转换器基准电源引脚(+5V) AGND:A/D 转换器参考地引脚 12345678910111213141516171819204039383736353433323130292827262524232221P1.0P1.1P1.2P1.3P1.4P1.5P1.6P1.7RSTRXD/P3.0TXD/P3.1INT0/P3.2INT1/P3.3T0/P3.4T1/P3.5WR/P3.6RD/P3.7XTAL2XTAL1VSSVCCP0.0/AD0P0.1/AD1P0.2/AD2P0.3/AD3P0.4/AD4P0.5/AD5P0.6/AD6P0.7/AD7EA/VPPALE/PROGPSENP2.7/A15P2.6/A14P2.5/A13P2.4/A12P2.3/A11P2.2/A10P2.1/A9P2.0/A8803180518751 XTAL1、XTAL2:内部振荡器反相器输入、输出端,常外接晶振。 CLKOUT:内部时钟发生器的输出引脚,提供频率位晶振频率的 1/3 的脉冲供外部使用。 PWM/P2.5:脉宽调制信号输出端/P2 口的一位口线 WR:写信号 N.C:未用 READY:片外存储器就绪信号 A8/P4.0~A15/P4.7:高 8 位地址线/P4 口口线 RST:复位引...

1、当您付费下载文档后,您只拥有了使用权限,并不意味着购买了版权,文档只能用于自身使用,不得用于其他商业用途(如 [转卖]进行直接盈利或[编辑后售卖]进行间接盈利)。
2、本站所有内容均由合作方或网友上传,本站不对文档的完整性、权威性及其观点立场正确性做任何保证或承诺!文档内容仅供研究参考,付费前请自行鉴别。
3、如文档内容存在违规,或者侵犯商业秘密、侵犯著作权等,请点击“违规举报”。

碎片内容

51单片机常用芯片引脚图

您可能关注的文档

小辰4+ 关注
实名认证
内容提供者

出售各种资料和文档

确认删除?
VIP
微信客服
  • 扫码咨询
会员Q群
  • 会员专属群点击这里加入QQ群
客服邮箱
回到顶部