电脑桌面
添加小米粒文库到电脑桌面
安装后可以在桌面快捷访问

7448简介及数码管简介

7448简介及数码管简介_第1页
1/8
7448简介及数码管简介_第2页
2/8
7448简介及数码管简介_第3页
3/8
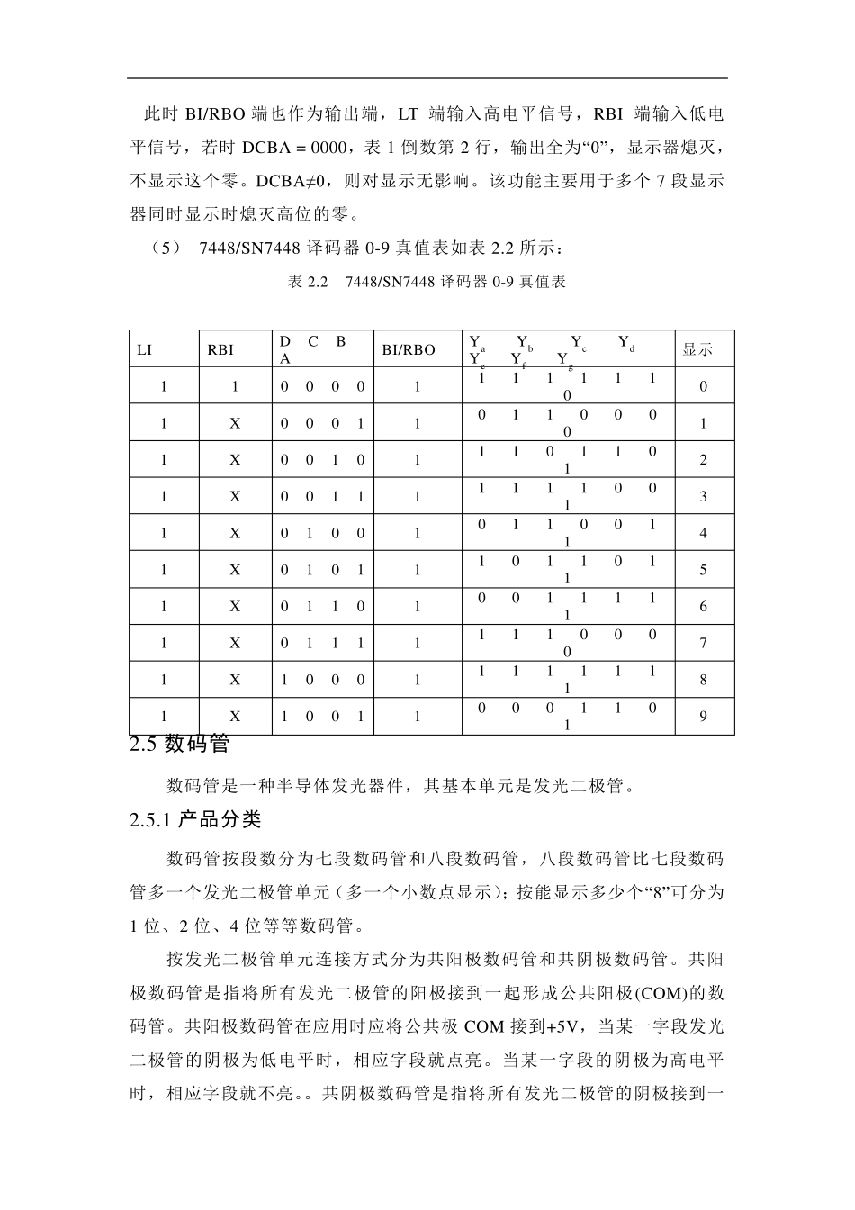
2.4 7448 译码器 7448 是7 段显示译码器,输出高电平有效的译码器。工作电压为5V,用于驱动共阴极数码管,7448 除了有实现8 段显示译码器基本功能的输入(DCBA)和输出(Ya~Yg)端外,7448 还引入了灯测试输入端(LT)和动态灭零输入端(RBI),以及既有输入功能又有输出功能的消隐输入/动态灭零输出(BI/RBO)端,如图2-8 所示。 由7448 真值表可获知7448 所具有的逻辑功能如下: 图2.8 7448 引脚功能图 (1)7 段译码功能(LT=1,RBI=1) 在灯测试输入端(LT)和动态灭零输入端(RBI)都接无效电平时,输入DCBA 经7448 译码,输出高电平有效的7 段字符显示器的驱动信号, 显示相应字符。除DCBA = 0000 外,RBI 也可以接低电平,见表1 中1~16行。 (2)消隐功能(BI=0) 此时BI/RBO 端作为输入端,该端输入低电平信号时,表1 倒数第3 行,无论LT 和RBI 输入什么电平信号,不管输入DCBA 为什么状态,输出全为“0”,7 段显示器熄灭。该功能主要用于多显示器的动态显示。 (3)灯测试功能(LT = 0) 此时BI/RBO 端作为输出端,该端输入低电平信号时,表1 最后一行,与 及DCBA 输入无关,输出全为“1”,显示器7 个字段都点亮。该功能用于7 段显示器测试,判别是否有损坏的字段。 (4)动态灭零功能(LT=1,RBI=1) 此时BI/RBO 端也作为输出端,LT 端输入高电平信号,RBI 端输入低电平信号,若时DCBA = 0000,表1 倒数第2 行,输出全为“0”,显示器熄灭,不显示这个零。DCBA≠0,则对显示无影响。该功能主要用于多个7 段显示器同时显示时熄灭高位的零。 (5) 7448/SN7448 译码器0-9 真值表如表2.2 所示: 表2.2 7448/SN7448 译码器0-9 真值表 LI RBI D C B A BI/RBO Ya Yb Yc Yd Ye Yf Yg 显示 1 1 0 0 0 0 1 1 1 1 1 1 1 0 0 1 X 0 0 0 1 1 0 1 1 0 0 0 0 1 1 X 0 0 1 0 1 1 1 0 1 1 0 1 2 1 X 0 0 1 1 1 1 1 1 1 0 0 1 3 1 X 0 1 0 0 1 0 1 1 0 0 1 1 4 1 X 0 1 0 1 1 1 0 1 1 0 1 1 5 1 X 0 1 1 0 1 0 0 1 1 1 1 1 6 1 X 0 1 1 1 1 1 1 1 0 0 0 0 7 1 X 1 0 0 0 1 1 1 1 1 1 1 1 8 1 X 1 0 0 1 1 0 0 0 1 1 0 1 9 2.5 数码管 数码管是一种半导体发光器件,其基本单元是发光二极管。 2.5.1 产...

1、当您付费下载文档后,您只拥有了使用权限,并不意味着购买了版权,文档只能用于自身使用,不得用于其他商业用途(如 [转卖]进行直接盈利或[编辑后售卖]进行间接盈利)。
2、本站所有内容均由合作方或网友上传,本站不对文档的完整性、权威性及其观点立场正确性做任何保证或承诺!文档内容仅供研究参考,付费前请自行鉴别。
3、如文档内容存在违规,或者侵犯商业秘密、侵犯著作权等,请点击“违规举报”。

碎片内容

7448简介及数码管简介

确认删除?
VIP
微信客服
  • 扫码咨询
会员Q群
  • 会员专属群点击这里加入QQ群
客服邮箱
回到顶部