电脑桌面
添加小米粒文库到电脑桌面
安装后可以在桌面快捷访问

安全检查隐患整改单

安全检查隐患整改单_第1页
1/9
安全检查隐患整改单_第2页
2/9
安全检查隐患整改单_第3页
3/9
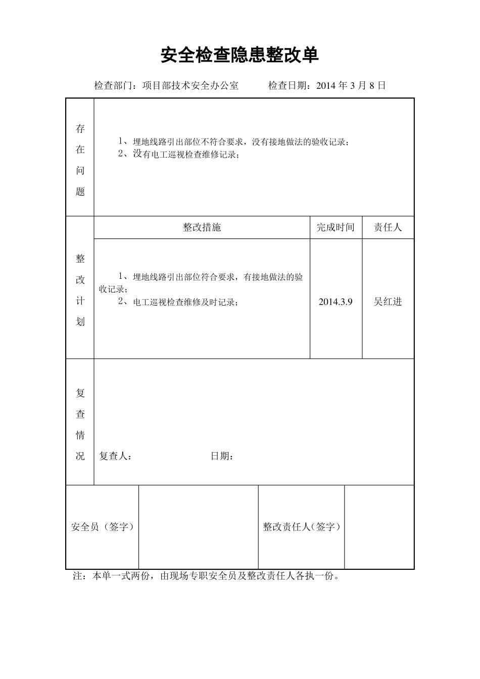
安全检查隐患整改单检查部门:项目部技术安全办公室检查日期:2014 年 2 月 28 日存在问题1、围挡未按规范要求设置,围挡边堆放重物。2、作业区及建筑物楼层内建筑垃圾未及时清理;3、施工现场没有配置消防灭火器材;4、施工现场没有必要的安全宣传标语。整改措施整改计划1、围挡必须按要求连续设置,围挡边不得堆放重压物。2、作业区及建筑物楼层内建筑垃圾及时清理;3、施工现场消防平面布置图,并按图配置消防灭火器材;4、施工现场在明显处有必要的安全宣传标语。复查情况复查人:日期:完成时间责任人2014.3.1吴红进安全员(签字)整改责任人(签字)注:本单一式两份,由现场专职安全员及整改责任人各执一份。安全检查隐患整改单检查部门:项目部技术安全办公室检查日期:2014 年 3 月 5 日存在问题1、25#楼未按规定设置扫地杆;2、建筑物单元门及其他门洞口位置未按要求采取加固措施。整改措施整改计划1、按规定设置扫地杆;2、建筑物单元门及其他门洞口位置按要求采取加固措施。完成时间责任人2014.3.6吴红进复查情况复查人:日期:安全员(签字)整改责任人(签字)注:本单一式两份,由现场专职安全员及整改责任人各执一份。安全检查隐患整改单检查部门:项目部技术安全办公室检查日期:2014 年 3 月 8 日存在问题1、埋地线路引出部位不符合要求,没有接地做法的验收记录;2、没有电工巡视检查维修记录;整改措施整改计划1、埋地线路引出部位符合要求,有接地做法的验收记录;2、电工巡视检查维修及时记录;完成时间责任人2014.3.9吴红进复查情况复查人:日期:安全员(签字)整改责任人(签字)注:本单一式两份,由现场专职安全员及整改责任人各执一份。安全检查隐患整改单检查部门:项目部技术安全办公室检查日期:2014 年 3 月 13 日存在问题1、卸料平台未按规定设置防护栏杆;2、脚手架立杆未放在金属底座、垫木底、混凝土预制块上;3、洞口未挂安全标志;整改措施整改计划1、卸料平台按规定设置防护栏杆;2、脚手架立杆放在金属底座、垫木底、混凝土预制块上;3、洞口按要求挂安全标志;完成时间责任人2014.3.14吴红进复查情况复查人:日期:安全员(签字)整改责任人(签字)注:本单一式两份,由现场专职安全员及整改责任人各执一份。安全检查隐患整改单检查部门:项目部技术安全办公室检查日期:2014 年 3 月 16 日存在问题1、电焊机没有保护接零和漏电保护器及防护罩。2、气瓶使用不符合安全距离要求...

1、当您付费下载文档后,您只拥有了使用权限,并不意味着购买了版权,文档只能用于自身使用,不得用于其他商业用途(如 [转卖]进行直接盈利或[编辑后售卖]进行间接盈利)。
2、本站所有内容均由合作方或网友上传,本站不对文档的完整性、权威性及其观点立场正确性做任何保证或承诺!文档内容仅供研究参考,付费前请自行鉴别。
3、如文档内容存在违规,或者侵犯商业秘密、侵犯著作权等,请点击“违规举报”。

碎片内容

安全检查隐患整改单

您可能关注的文档

确认删除?
VIP
微信客服
  • 扫码咨询
会员Q群
  • 会员专属群点击这里加入QQ群
客服邮箱
回到顶部