电脑桌面
添加小米粒文库到电脑桌面
安装后可以在桌面快捷访问

7_受拉构件

7_受拉构件_第1页
1/7
7_受拉构件_第2页
2/7
7_受拉构件_第3页
3/7
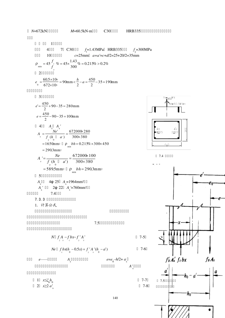
138 7 钢筋混凝土受拉构件承载力计算 7.1 受拉构件的分类 在钢筋混凝土结构中,承受轴向拉力或承受轴向拉力及弯矩共同作用的构件称为受拉构件。其中,轴向拉力作用点通过截面质量中心连线且不受弯矩作用的构件称为轴心受拉构件,轴向拉力作用点偏离构件截面质量中心连线或构件承受轴向拉力及弯矩共同作用的构件称为偏心受拉构件。由于混凝土是一种非匀质材料,加之施工上的误差,无法做到纵向拉力能通过构件任意横截面的质量中心连线,因此严格地说实际工程中没有真正的轴心受拉构件。但当构件上弯矩很小(或偏心距很小)时,为方便计算,可将此类构件简化为轴心受拉构件进行设计。如圆形水池的池壁、钢筋混凝土屋架的下弦杆等就是轴心受拉构件,如图7-1(a)、(b);矩形水池的池壁,承受节间荷载的桁架下弦杆则是偏心受拉件,如图7-1(c)。 (a) (b) (c) 图 7-1 受拉构件工程实例 7.2 轴心受拉构件的正截面承载力 7.2.1 轴心受拉构件的受力特点 与适筋受弯构件相似,轴心受拉构件从开始加载到破坏,其受力过程也可分为三个受力阶段:第I阶段为从加载到混凝土开裂前;第II阶段为混凝土开裂到受拉钢筋屈服前;第III阶段为受拉钢筋达到屈服,此时,拉力N值基本不变,构件裂缝开展很大,可认为构件达到极限承载力。 7.2.2 轴心受拉构件正截面承载力计算 轴心受拉构件破坏时,混凝土不承受拉力,全部拉力由钢筋来承受,故轴心受拉构件正截面承载力计算公式如下 ys fAN  ( 7-1) 式中,N——轴向拉力设计值; As——受拉钢筋截面面积; fy——钢筋抗拉强度设计值。 7.3 偏心受拉构件的正截面承载力 7.3.1 偏心受拉构件的分类 根据偏心拉力N的作用位置不同,将偏心受拉构件分为大偏心受拉构件和小偏心受拉构件两种。如图 7.2所示,设轴向拉力N的作用点距构件截面重心轴的距离为e0,在截面上靠近偏心拉力N一侧的钢筋截面积为As、在截面另一侧的钢筋截面积为A's。 当纵向拉力N作用在As合力点与A's合力点之间时(图7.2a),构件全截面混凝土裂通,仅由钢筋As 139 和 A's提供的拉力Asfy和 A'sf'y与轴向拉力N平衡,构件的破坏取决于As和 A's的抗拉强度。这类情况称为小偏心受拉。 当纵向拉力N作用在As外侧时(图7.2b),构件截面As一侧受拉,A's一侧受压,截面部分开裂但不会裂通,构件的破坏取决于As的抗拉强度或混凝土受压区的抗压能力。这类情况称为大偏心受拉。 可见,大、小偏心受拉构件的本质界限是构件截面上...

1、当您付费下载文档后,您只拥有了使用权限,并不意味着购买了版权,文档只能用于自身使用,不得用于其他商业用途(如 [转卖]进行直接盈利或[编辑后售卖]进行间接盈利)。
2、本站所有内容均由合作方或网友上传,本站不对文档的完整性、权威性及其观点立场正确性做任何保证或承诺!文档内容仅供研究参考,付费前请自行鉴别。
3、如文档内容存在违规,或者侵犯商业秘密、侵犯著作权等,请点击“违规举报”。

碎片内容

您可能关注的文档

确认删除?
VIP
微信客服
  • 扫码咨询
会员Q群
  • 会员专属群点击这里加入QQ群
客服邮箱
回到顶部