电脑桌面
添加小米粒文库到电脑桌面
安装后可以在桌面快捷访问

AECQ100简表

AECQ100简表_第1页
1/8
AECQ100简表_第2页
2/8
AECQ100简表_第3页
3/8
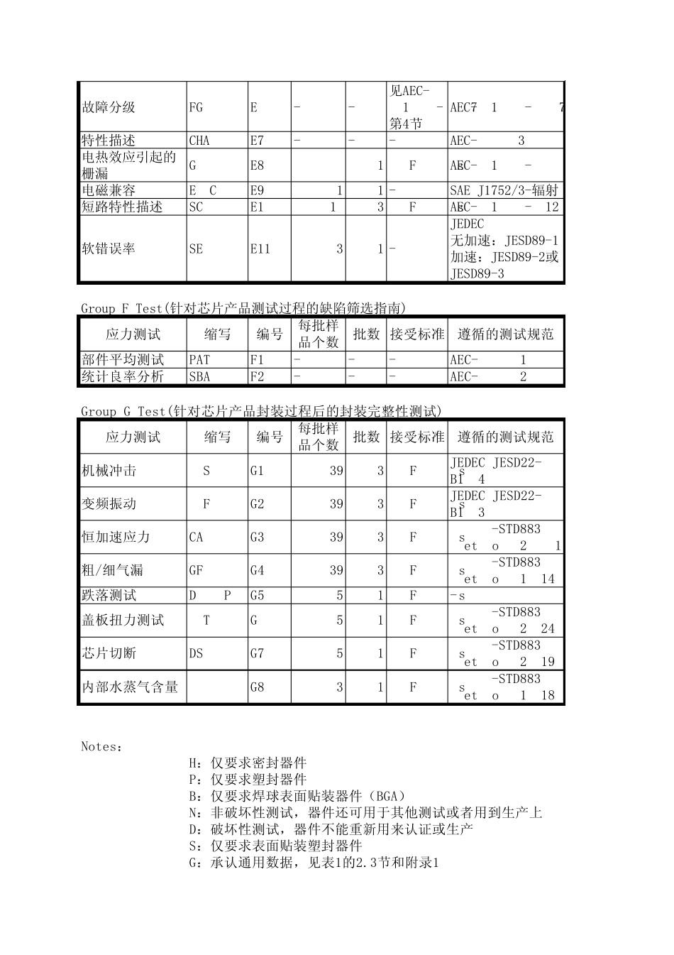
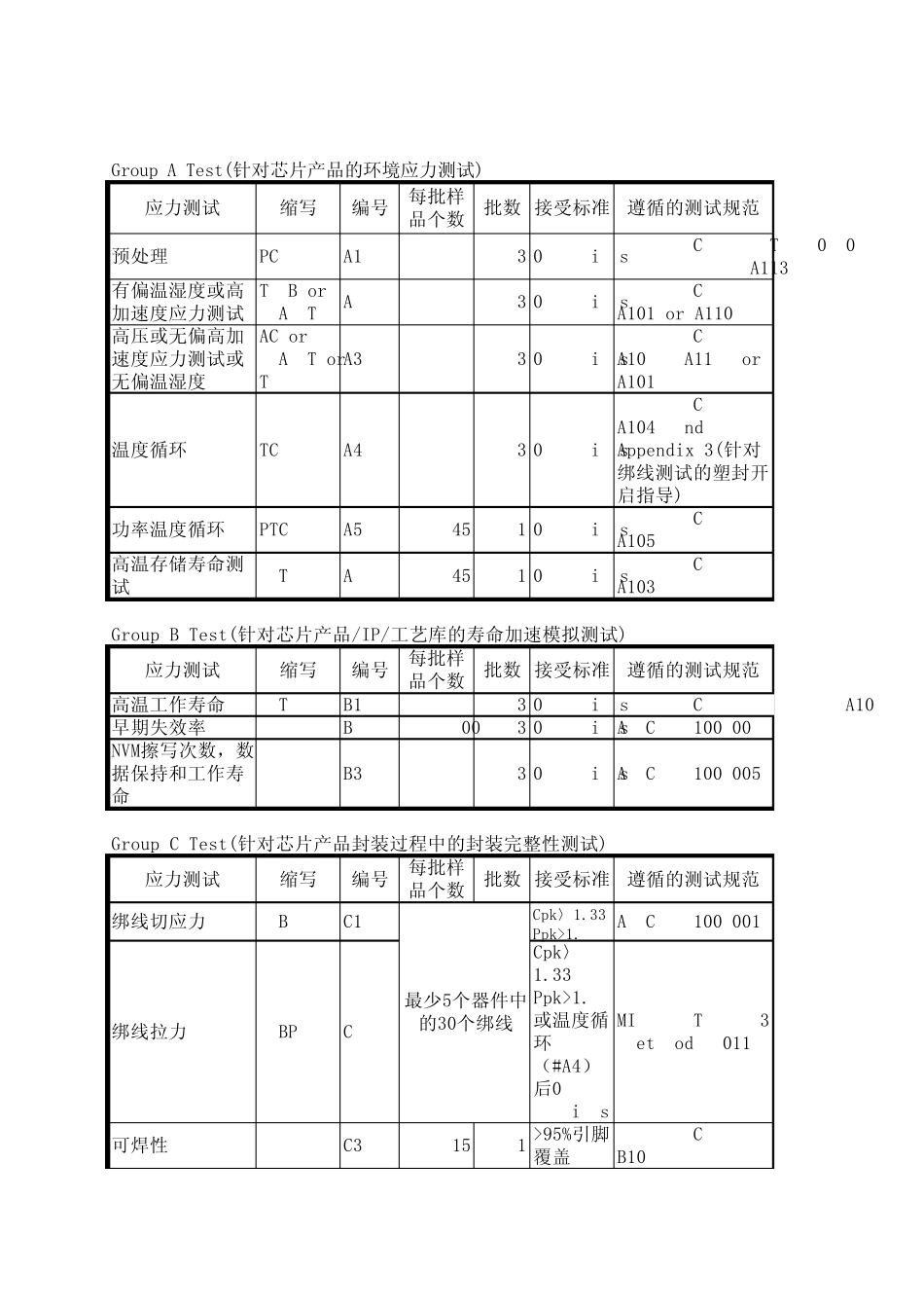
Group A Test(针对芯片产品的环境应力测试)应力测试 缩写编号每批样品个数批数接受标准遵循的测试规范预处理PCA1773 0 FailsJEDEC J-STD-020JESD22-A113有偏温湿度或高加速度应力测试THB orHASTA2773 0 FailsJEDEC JESD22-A101 or A110高压或无偏高加速度应力测试或无偏温湿度AC orUAST orTHA3773 0 FailsJEDEC JESD22-A102,A118 orA101温度循环TCA4773 0 FailsJEDEC JESD22-A104 andAppendix 3(针对绑线测试的塑封开启指导)功率温度循环PTCA5451 0 FailsJEDEC JESD22-A105高温存储寿命测试HTSLA6451 0 FailsJEDEC JESD22-A103Group B Test(针对芯片产品/IP/工艺库的寿命加速模拟测试)应力测试 缩写编号每批样品个数批数接受标准遵循的测试规范高温工作寿命HTOLB1773 0 FailsJEDEC JESD22-A108早期失效率ELFR B28003 0 FailsAEC-Q100 008NVM擦写次数,数据保持和工作寿命EDRB3773 0 FailsAEC-Q100 005Group C Test(针对芯片产品封装过程中的封装完整性测试)应力测试 缩写编号每批样品个数批数接受标准遵循的测试规范绑线切应力WBSC1Cpk〉1.33Ppk>1.67 AEC-Q100 001绑线拉力WBPC2Cpk〉1.33Ppk>1.67或温度循环(#A4)后0FailsMIL-STD883method 2011可焊性SDC3151 >95%引脚覆盖JEDEC JESD22-B102最少5个器件中的30个绑线物理尺寸PDC4103 Cpk>1.33Ppk>1.67JEDEC JESD22-B100 and B108锡球切应力SBSC5最少10个器件中的5个锡球3 Cpk>1.33Ppk>1.67AEC-Q100 010引线完整性LIC65个零件每一个的10个引线1 无破损或开裂JEDEC JESD22-B105Group D Test(针对Foundry厂的工艺可靠性测试)应力测试缩写编号每批样品个数批数 接受标准遵循的测试规范电迁移EMD1----经时介质击穿TDDBD2----热载流子注入HCID3----负偏压温度不稳定性NBTID4----应力迁移SMD5----Group E Test(针对芯片产品/IO库的电气可靠性测试)应力测试缩写编号每批样品个数批数 接受标准遵循的测试规范应力测试前后功能参数TESTE1ALLALL 0 Fails测试项目根据供应者数据规格或用户手册人体模式/机器模式静电放电HBM/MME2参考测试规范10 Fails2KV HBM(H2或更高)200V MM(M3或更高)AEC-Q100-002AEC-Q100-003带电器件模式静电放电CDME3参考测试规范10 Fails700V边角引脚500V其他引脚(C3B或更高)AEC-Q100-011闩锁效应LUE461 0 FailsAEC-Q100-004电分配EDE5303 见AEC-Q100-009AEC-Q100-009故 障 分 级FGE6--见 AEC-Q100-007第...

1、当您付费下载文档后,您只拥有了使用权限,并不意味着购买了版权,文档只能用于自身使用,不得用于其他商业用途(如 [转卖]进行直接盈利或[编辑后售卖]进行间接盈利)。
2、本站所有内容均由合作方或网友上传,本站不对文档的完整性、权威性及其观点立场正确性做任何保证或承诺!文档内容仅供研究参考,付费前请自行鉴别。
3、如文档内容存在违规,或者侵犯商业秘密、侵犯著作权等,请点击“违规举报”。

碎片内容

您可能关注的文档

确认删除?
VIP
微信客服
  • 扫码咨询
会员Q群
  • 会员专属群点击这里加入QQ群
客服邮箱
回到顶部