电脑桌面
添加小米粒文库到电脑桌面
安装后可以在桌面快捷访问

AMT电控系统设计方案

AMT电控系统设计方案_第1页
1/10
AMT电控系统设计方案_第2页
2/10
AMT电控系统设计方案_第3页
3/10
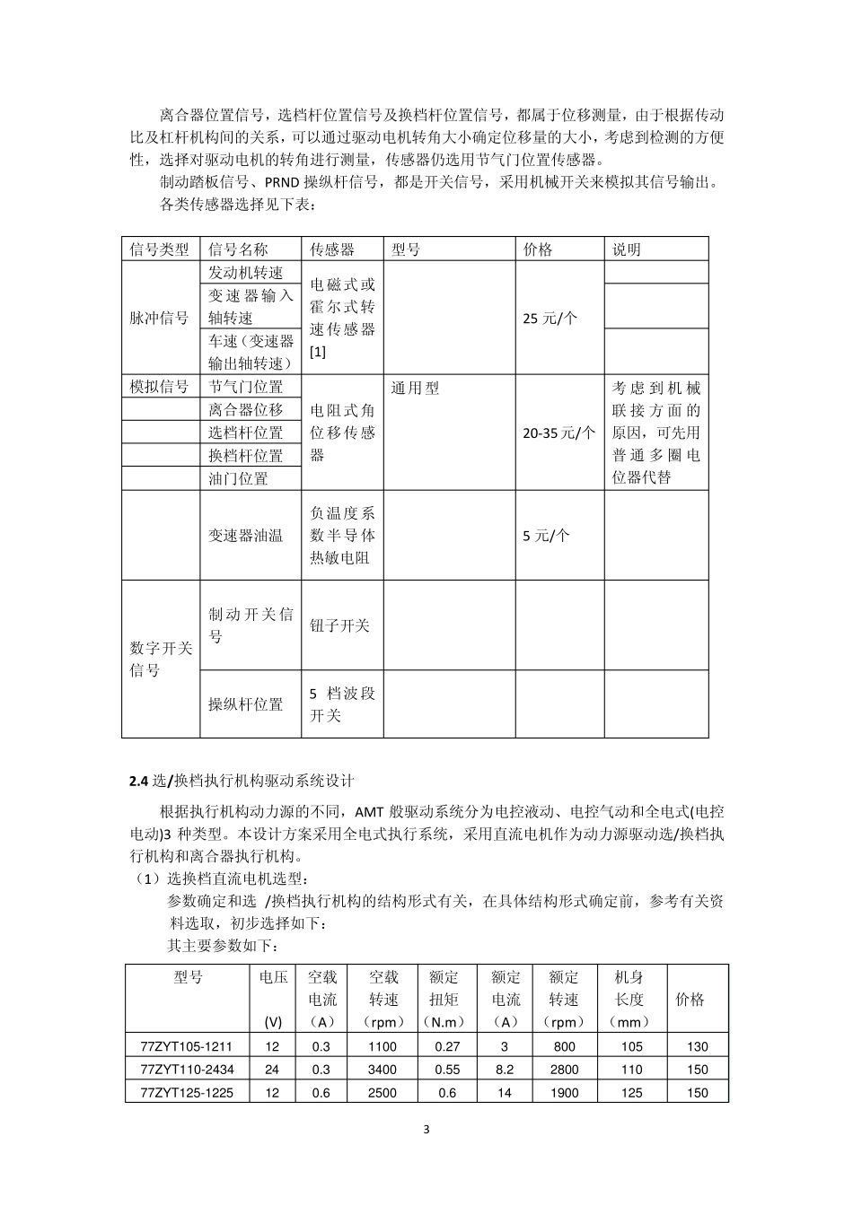
1 AMT模拟实验台电控系统设计方案 1. AMT系统组成及工作原理 AMT 变速系统由换档手柄机构、节气门调整机构、离合器操纵机构、 变速器档位操纵机构、电控单元 (ECU)、传感器、显示单元、线束和插接件等部分组成。 驾驶员通过操纵手柄机构,发出自动档或手动换档指令后,电控单元依据传感器采集的加速/制动踏板等反映驾驶员意图的电信号,并结合当前车辆的行驶工况数据进行计算分析,利用制定换档规律,综合协调电子节气门系统、 离合器操纵机构、 变速器操纵机构运行,完成升档、降档或者保持档位的动作,完全替代驾驶员的换档操纵动作,显示单元实现变速器当前档位或自动操纵系统运行故障显示。 AM T 主要控制对象及控制要求如下: (1)离合器的控制 对于离合器,要求控制好离合器的行程以及分离/结合速度。一般离合器结合过程经历主从动盘分离状态、滑摩传递扭矩和主从动盘同步 3 个阶段,要求以快-慢-快的控制规律对离合器动作速度进行控制。分离要求快速分离,实现及时切断动力目的。 (2)变速器档位的控制 为使车辆获得良好的动力性和燃油经济性,根据换档策略,选档和换档控制要求有严格的时序,并且需要控制好与离合器控制和发动机控制之间的协调。 (3)发动机的控制 对于发动机,由于在换档过程中,需要分离离合器,因此需要控制发动机中断供油,并在换档过程中,通过对电子节气门开度的调节,主动调节发动转速,缩小离合器主从动盘转速差,减少离合器结合磨损和换档冲击。 2. AMT控制系统硬件设计方案 2.1 控制器芯片选择 2.1.1 选择要求 (1)具有高速数据处理能力,满足 AMT 动作快速性要求; (2)具有多路快速高精度的 A /D 采样能力和高速处理能力,满足 AMT 换档过程中对离 2 合器、选档、换档位置的检测需求,满足对节气门位置、加速踏板置及变速器油温等模拟信号的检测; (3)具有多路 PWM 输出控制能力,满足 AMT 换档过程中离合器、选换档执行电机的需求; (4)具有丰富的通讯接口,能满足 AMT 控制器与整车控制器、及发动机 ECU 的通信需求; (5)具有丰富的定时器、中断资源,具有足够的存储器容量; (6)具有高可靠性,满足车辆级标准; 2.1.2 MC9S12XDP512 基本资源及性能 根据 以上要求 ,选择飞思卡 尔公司推 出的车用高性 能 16 位 HCS12X 处理 器MC9S12XDP512,能满足复杂时序系统的要求。 该芯片运算速度快,最高 CPU 时钟频率可达 40MH;...

1、当您付费下载文档后,您只拥有了使用权限,并不意味着购买了版权,文档只能用于自身使用,不得用于其他商业用途(如 [转卖]进行直接盈利或[编辑后售卖]进行间接盈利)。
2、本站所有内容均由合作方或网友上传,本站不对文档的完整性、权威性及其观点立场正确性做任何保证或承诺!文档内容仅供研究参考,付费前请自行鉴别。
3、如文档内容存在违规,或者侵犯商业秘密、侵犯著作权等,请点击“违规举报”。

碎片内容

AMT电控系统设计方案

确认删除?
VIP
微信客服
  • 扫码咨询
会员Q群
  • 会员专属群点击这里加入QQ群
客服邮箱
回到顶部