电脑桌面
添加小米粒文库到电脑桌面
安装后可以在桌面快捷访问

ATmega816AU

ATmega816AU_第1页
1/23
ATmega816AU_第2页
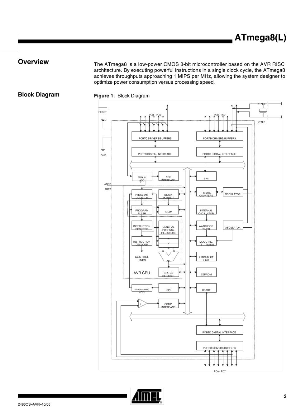
2/23
ATmega816AU_第3页
3/23
2486QS–AVR–10/06Features• High-performance, Low-power AVR® 8-bit Microcontroller• Advanced RISC Architecture– 130 Powerful Instructions – Most Single-clock Cycle Execution– 32 x 8 General Purpose Working Registers– Fully Static Operation– Up to 16 MIPS Throughput at 16 MHz– On-chip 2-cycle Multiplier• Nonvolatile Program and Data Memories– 8K Bytes of In-System Self-Programmable Flash Endurance: 10,000 Write/Erase Cycles– Optional Boot Code Section with Independent Lock BitsIn-System Programming by On-chip Boot ProgramTrue Read-While-Write Operation– 512 Bytes EEPROMEndurance: 100,000 Write/Erase Cycles– 1K Byte Internal SRAM– Programming Lock for Software Security• Peripheral Features– Two 8-bit Timer/Counters with Separate Prescaler, one Compare Mode– One 16-bit Timer/Counter with Separate Prescaler, Compare Mode, and Capture Mode– Real Time Counter with Separate Oscillator– Three PWM Channels– 8-channel ADC in TQFP and QFN/MLF packageEight Channels 10-bit Accuracy– 6-channel ADC in PDIP packageEight Channels 10-bit Accuracy– Byte-oriented Two-wire Serial Interface– Programmable Serial USART– Master/Slave SPI Serial Interface– Programmable Watchdog Timer with Separate On-chip Oscillator– On-chip Analog Comparator• Special Microcontroller Features– Power-on Reset and Programmable Brown-out Detection– Internal Calibrated RC Oscillator– External and Internal Interrupt Sources– Five Sleep Modes: Idle, ADC Noise Reduction, Power-save, Power-down, and Standby• I/O and Packages– 23 Programmable I/O Lines– 28-lead PDIP, 32-lead TQFP, and 32-pad QFN/MLF• Operating Voltages– 2.7 - 5.5V (ATmega8L) – 4.5 - 5.5V (ATmega8)• Speed Grades– 0 - 8 MHz (ATmega8L)– 0 - 16 MHz (ATmega8)• Power Consumption at 4 Mhz, 3V,...

1、当您付费下载文档后,您只拥有了使用权限,并不意味着购买了版权,文档只能用于自身使用,不得用于其他商业用途(如 [转卖]进行直接盈利或[编辑后售卖]进行间接盈利)。
2、本站所有内容均由合作方或网友上传,本站不对文档的完整性、权威性及其观点立场正确性做任何保证或承诺!文档内容仅供研究参考,付费前请自行鉴别。
3、如文档内容存在违规,或者侵犯商业秘密、侵犯著作权等,请点击“违规举报”。

碎片内容

您可能关注的文档

确认删除?
VIP
微信客服
  • 扫码咨询
会员Q群
  • 会员专属群点击这里加入QQ群
客服邮箱
回到顶部