电脑桌面
添加小米粒文库到电脑桌面
安装后可以在桌面快捷访问

CD4051中文资料

CD4051中文资料_第1页
1/6
CD4051中文资料_第2页
2/6
CD4051中文资料_第3页
3/6
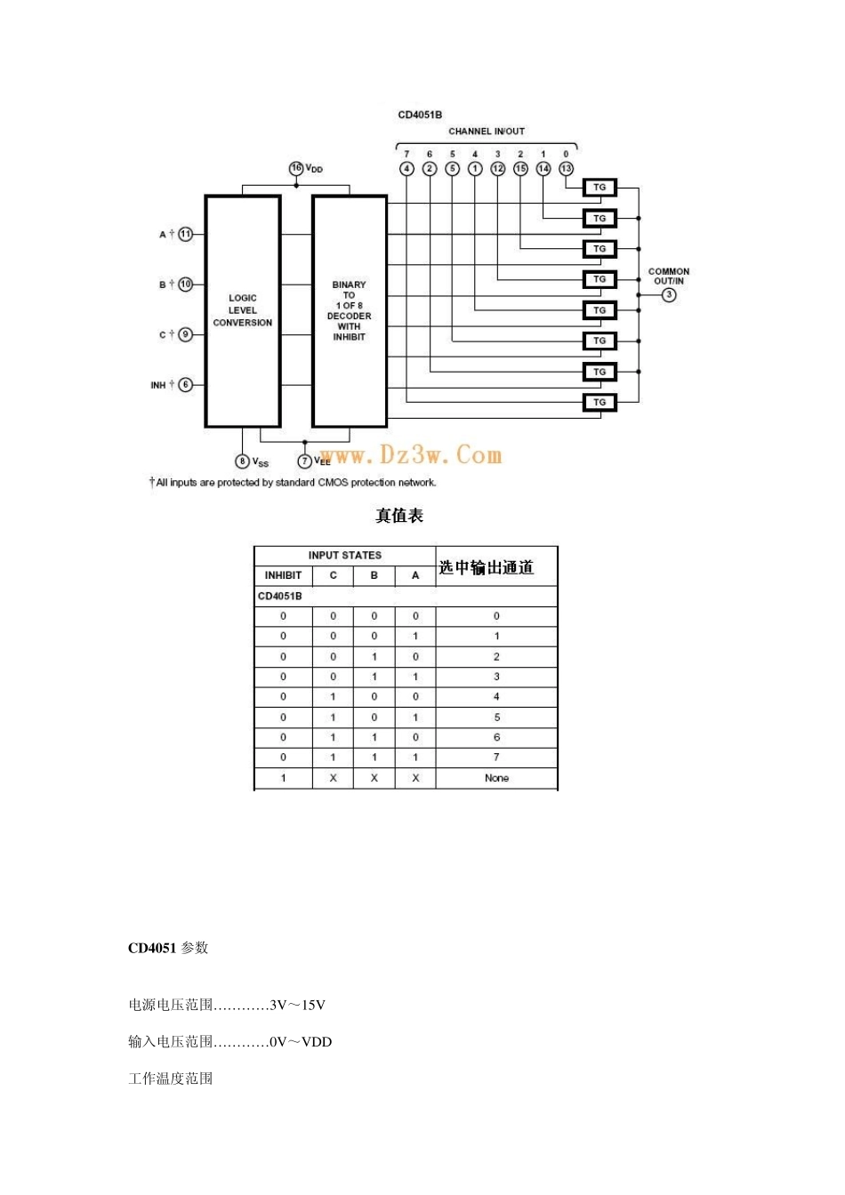
C D 4051 中文资料(管脚,功能,参数使用介绍) C D 4051 功能及使用概述: CD4051 相当于一个单刀八掷开关,开关接通哪一通道,由输入的3 位地址码ABC 来决定。INH”是禁止端,当 “INH”=1 时,各通道均不接通。此外,CD4051 还设有另外一个电源端 VEE,以作为电平位移时使用,从而使得通常在单组电源供电条件下工作的 CMOS 电路所提供的数字信号能直接控制这种多路开关,并使这种多路开关可传输峰-峰值达 15V 的交流信号。例如,若模拟开关的供电电源 VDD=+5V,VSS=0V,当VEE=-5V 时,只要对此模拟开关施加 0~5V的数字控制信号,就可控制幅度范围为-5V~+5V 的模拟信号。 . 使用十六进制代码就可以对CD4051 进行操作了。比如说 P1=0X07,这样 CD4051 就选择的是 7 号(二进制 111)通道了。 如果在八个通道输入一模拟量,在输出端将输出什么,输入什么是自己设定 例如,若模拟开关的供电电源 VDD=+5V,VSS=0V,只要对此模拟开关施加 0~5V 的数字控制信号,... 这里,ABC 数字控制信号就可以使用5V 信号了,因为 VDD 是 5v,里面控制部分就都是 5V 逻辑. 当VEE=-5V 时,就可控制幅度范围为-5V~+5V 的模拟信号。 当Vee=-8V 时,就可以可控制幅度范围为-8V~+5V 的模拟信号. Vee 就是电子开关的8 个输入端可以允许的信号范围下限. 注意不要超过它的极限参数.峰-峰值达 15V C D 4051 管脚图及逻辑符号图 引脚功能描述: A0~A2 地址端 I0/O0~I7/O7 输入输出端 INH 禁止端 O/I 公共输出/输入端 VDD 正电源 VEE 模拟信号地 Vss 数字信号地 C D 4051 逻辑图与真值表 C D 4051 参数 电源电压范围… … … … 3V~15V 输入电压范围… … … … 0V~VDD 工作温度范围 M 类…………-55℃~125℃ E 类………….-40℃~85℃ 极限值: 电源电压…...-0.5V~18V 输入电压……-0.5V~VDD+0.5V 输入电流…………….±10mA 储存温度…………-65℃~150℃

1、当您付费下载文档后,您只拥有了使用权限,并不意味着购买了版权,文档只能用于自身使用,不得用于其他商业用途(如 [转卖]进行直接盈利或[编辑后售卖]进行间接盈利)。
2、本站所有内容均由合作方或网友上传,本站不对文档的完整性、权威性及其观点立场正确性做任何保证或承诺!文档内容仅供研究参考,付费前请自行鉴别。
3、如文档内容存在违规,或者侵犯商业秘密、侵犯著作权等,请点击“违规举报”。

碎片内容

CD4051中文资料

您可能关注的文档

确认删除?
VIP
微信客服
  • 扫码咨询
会员Q群
  • 会员专属群点击这里加入QQ群
客服邮箱
回到顶部