电脑桌面
添加小米粒文库到电脑桌面
安装后可以在桌面快捷访问

ch63自动化控制系统VIP专享

ch63自动化控制系统_第1页
1/13
ch63自动化控制系统_第2页
2/13
ch63自动化控制系统_第3页
3/13
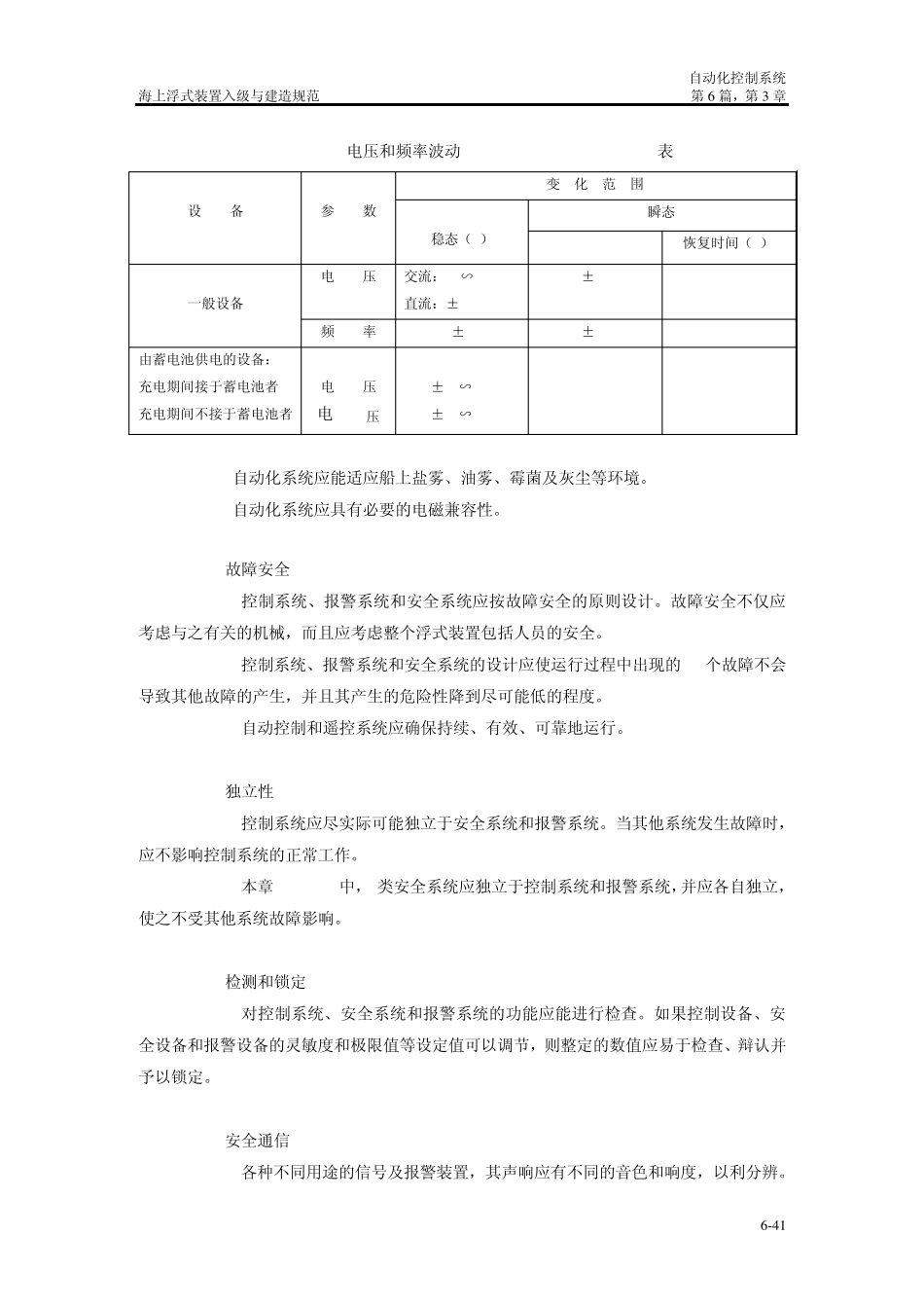
自动化控制系统 海上浮式装置入级与建造规范 第6 篇,第3 章 6 -3 9 第3章 自动化控制系统 第1节 一般规定 3.1.1 适用范围 3.1.1.1 本章要求适用于授予UMS符号浮式装置的设计、安装和检验。 3.1.1.2 其他自动化系统可参照本章进行设计和安装,但不作入级的检验要求。 3.1.2 定义 3.1.2.1 自动控制:系指具有自动调节特性,无须操作人员参与即可按预定指令对设备进行操作的控制。 3.1.2.2 遥控:系指由操作人员通过机械、电气、电子、气动、液压、电磁(无线电)及光学方式或组合方式远距离对设备进行操作的控制。 3.1.2.3 就地控制:系指位于机器设备近旁,由操作人员对设备进行直接的人工操作的控制。 3.1.2.4 控制站(室):系指具有监视功能且能够对安全设备、生产处理设备及通用机电设备实施控制的处所。在本章中的控制站(室)主要有以下 3类: (1) 主控制站:系指所有自动化设备的监控设施集中布置并在正常工作实施操作监控的处所; (2) 就地控制站:系指对机电设备旁或附近实施就地控制的控制站; (3) 其他控制站:系指除上述两种以外的控制站。 3.1.2.5 安全系统:系指当发生危及电站及其他重要机电设备的严重故障时,能使发生故障的设备按下列 3种类型自动产生保护性动作的系统: a类:立即停止运行,如锅炉紧急停炉、紧急切断用电设备电源等,且非经人工复位该设备不应再投入运行; b类:暂时调节到可以勉强运行状态,如降低功率或转速等; c类:起动和投入备用设备以恢复正常的运行状态。 3.1.2.6 报警:系指当受监控的机电设备或系统运行超出预定参数范围时,所发出的听觉和视觉信号。 3.1.2.7 组合报警:系指受监控的机电设备或系统处于任何非正常状态下,所发出的公共报警。 3.1.2.8 安全通信:系指为保证整个装置和人员生命安全而设置的单向声、光警报和语音广播以及双向的声、光和语音通信。 自动化控制系统 海上浮式装置入级与建造规范 第 6 篇,第 3 章 6-40 3.1.2.9 故障安全原则:系指当 1个元件或 1个系统出现故障或误动作时,该元件或系统的输出能自动处于预定的安全状态而不使故障扩大。 3.1.2.10 越控:系指越过控制过程中的某一程序或某一安全保护功能,在短时间内强制机电设备继续运行,以保证设备安全或减少损失的特殊控制措施。 3.1.2.11 紧急停止装置:系指独立于自动化系统而设置的,在紧急状况下用人工来切断机电设备运行的装置。 3.1.2.12 局...

1、当您付费下载文档后,您只拥有了使用权限,并不意味着购买了版权,文档只能用于自身使用,不得用于其他商业用途(如 [转卖]进行直接盈利或[编辑后售卖]进行间接盈利)。
2、本站所有内容均由合作方或网友上传,本站不对文档的完整性、权威性及其观点立场正确性做任何保证或承诺!文档内容仅供研究参考,付费前请自行鉴别。
3、如文档内容存在违规,或者侵犯商业秘密、侵犯著作权等,请点击“违规举报”。

碎片内容

ch63自动化控制系统

小辰2+ 关注
实名认证
内容提供者

出售各种资料和文档

确认删除?
VIP
微信客服
  • 扫码咨询
会员Q群
  • 会员专属群点击这里加入QQ群
客服邮箱
回到顶部