电脑桌面
添加小米粒文库到电脑桌面
安装后可以在桌面快捷访问

DFMEA底盘悬架系各零件

DFMEA底盘悬架系各零件_第1页
1/36
DFMEA底盘悬架系各零件_第2页
2/36
DFMEA底盘悬架系各零件_第3页
3/36
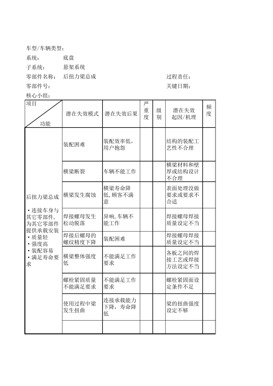
系 统 :子 系 统 :零 部 件 名 称 :过 程 责 任 :零 部 件 号 :关 键 日 期 :核 心 小 组 :不 能 正 常 工 作顾 客 不 满 意8A无 标 识 要 求 ,左 右 件 误 装 ,前 后 、 上 下 方向 装 错1零 部 件 间 的 配合 不 好装 配 困 难7零 部 件 之 间 的配 合 尺 寸 和 公差 设 计 不 合 理5零 部 件 脱 落8A 拧 紧 力 矩 规 范不 合 理2加 速 磨 损 ,寿命 降 低6B 拧 紧 力 矩 规 范不 合 理3噪 声4拧 紧 力 矩 规 范不 合 理3轮 胎 磨 损 快顾 客 不 满 意6B 车 轮 定 位 参 数设 计 不 合 理2B 悬 架 结 构 设 计不 合 理2B 悬 架 刚 度 和 阻尼 设 计 不 合 理2操 纵 稳 定 性 差转 弯 半 径 过大 , 制 动 跑 偏7B 车 轮 定 位 参 数设 计 不 合 理2频度O潜 在 失 效起 因 /机 理级别潜 在 失 效 后 果冲 击 大 ,减 振效 果 差 ,点头,侧倾过 大潜 在 失 效 模式螺母、 螺栓松动行驶平顺性 和乘坐舒适性 差项目 功能后 悬 架 装 置·连接车 身与前 轴,传递两者之 间 作 用 力和 力 矩 ;·缓 和 冲 击 ,衰 减 振 动 ,保证 汽 车 的 行驶平顺性 ;·控 制 车 轮 的定 位 参 数 ,减少 轮 胎 磨 损 ,保 证 汽 车 的 行操 纵 稳 定 性 ;·装 配 容 易 ;·具 有 一 定 的寿 命设 计 潜 在严重度S6后 悬 架 装 置设 计 潜 在车 型 /车 辆 类 型 :底 盘悬 架 系 统系 统 :子 系 统 :零 部 件 名 称 :过 程 责 任 :零 部 件 号 :关 键 日 期 :核 心 小 组 :装 配 困 难装 配 效 率 低 ,用 户 抱 怨5结 构 的 装 配 工艺 性 不 合 理5横 梁 断 裂车 辆 不 能 工 作8A横 梁 材 料 和 壁厚 或 结 构 设 计不 合 理3横 梁 发 生 腐 蚀横 梁 寿 命 降低 ,顾 客 不 满意8B表 面 处 理 没 做要 求 或 要 求 不合 适1焊 接 螺 母 发 生松 动 脱 落异 响 ,车 辆 不能 工 作8B 焊 接 螺 母 焊 接质 量 设 定 不 当1焊 接 后 螺 母 的螺 纹 精 度 下 降装 配 困 难5焊 接 螺 母 焊 接质 量 设 定 不 当1横 ...

1、当您付费下载文档后,您只拥有了使用权限,并不意味着购买了版权,文档只能用于自身使用,不得用于其他商业用途(如 [转卖]进行直接盈利或[编辑后售卖]进行间接盈利)。
2、本站所有内容均由合作方或网友上传,本站不对文档的完整性、权威性及其观点立场正确性做任何保证或承诺!文档内容仅供研究参考,付费前请自行鉴别。
3、如文档内容存在违规,或者侵犯商业秘密、侵犯著作权等,请点击“违规举报”。

碎片内容

DFMEA底盘悬架系各零件

确认删除?
VIP
微信客服
  • 扫码咨询
会员Q群
  • 会员专属群点击这里加入QQ群
客服邮箱
回到顶部