电脑桌面
添加小米粒文库到电脑桌面
安装后可以在桌面快捷访问

客车通道引道测量装置作业指导书

客车通道引道测量装置作业指导书_第1页
1/6
客车通道引道测量装置作业指导书_第2页
2/6
客车通道引道测量装置作业指导书_第3页
3/6
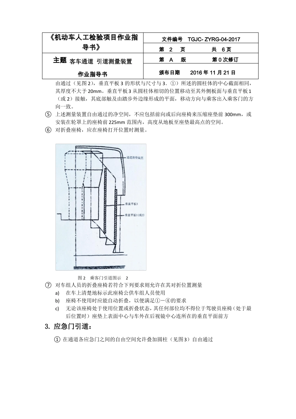
《机动车人工检验项目作业指导书》主题 客车通道 引道测量装置作业指导书文件编号TGJC- ZYRG-04-2017第1页共6 页第A版第 0 次修订颁布日期2016 年 11 月 21 日检验标准:1. 本产品依据标准 GB13094-2007测量方法:2. 乘客门引道① 从乘客门向车内的延伸空间应允许垂直平板(见图 1a 和表 1)自由通过、垂直平板 1在起始位置时,靠近车辆内侧的板面应切于车门开口的最外边缘,移动时应保持与乘客的出入方向垂直。注:(可以用垂直平板 2[见图 1b]替代垂直平板 1)② 当垂直平板 1(或 2)的中心线从起始位置移过300mm,将平板底部接触踏步表面并保持在此位置单位为毫米.注:顶部宽度可由 550mm 减为 400mm,其过度斜面与水平夹角不应超过 30°图 1乘客门引道图示表 1垂直平面 1 的上板高度 A单位为毫米车辆类别A 值Ⅰ级1100Ⅱ级950Ⅲ级850③ 用来检查直通道空间的圆柱体(图4 表 2)从通道开始沿乘客离开车辆的方向移动,直到其中心线达到最上一级踏步外边缘所在的垂直平面或上圆柱接触垂直平板 1(或 2)(以先出现为准)并保持在此位置。见图 2④ 在上述位置的圆柱体同 1.③所述位置的垂直平板 1(或 2)之间应允许垂直平板 3 自《机动车人工检验项目作业指导书》主题 客车通道 引道测量装置作业指导书文件编号TGJC- ZYRG-04-2017第2页共6 页第A版第 0 次修订颁布日期2016 年 11 月 21 日由通过(见图 2),垂直平板 3 的形状与尺寸与 3.①)所述的圆柱体的中心截面相同,其厚度不大予 20mm。垂直平板3 从圆柱体相切的位置移动至其外侧板面与垂直平板1(或 2)接触,其底部触及由踏步外边缘形成的平面,移动方向与乘客出入乘客门的方向一致。⑤ 上述测量装置自由通过的净空间,不应包括前向或后向座椅来压缩座垫前 300mm,或安装在轮罩上的座椅前 225mm 范围内,高度从地板至座垫最高点的空间。⑥ 对折叠座椅,应在座椅打开位置时测量。图 2乘客门引道图示2⑦ 对车组人员的折叠座椅若符合下列要求则允许在其对折位置测量a)在车上清楚地标示此座椅公供车组人员使用b)座椅不使用时应能自动折叠,以便满足①-④的要求c)无论该座椅处于使用位置或折叠状态,其任何部位均不得位于驾驶员座椅(处于最后位置时)座垫上表面中心与车外在后视镜中心连所在的垂直平面前方3. 应急门引道:① 在通道各应急门之间的自由空间允许叠加圆柱(见图3)自由通过《机动车人工检验项目作...

1、当您付费下载文档后,您只拥有了使用权限,并不意味着购买了版权,文档只能用于自身使用,不得用于其他商业用途(如 [转卖]进行直接盈利或[编辑后售卖]进行间接盈利)。
2、本站所有内容均由合作方或网友上传,本站不对文档的完整性、权威性及其观点立场正确性做任何保证或承诺!文档内容仅供研究参考,付费前请自行鉴别。
3、如文档内容存在违规,或者侵犯商业秘密、侵犯著作权等,请点击“违规举报”。

碎片内容

客车通道引道测量装置作业指导书

爱的疯狂+ 关注
实名认证
内容提供者

该用户很懒,什么也没介绍

确认删除?
VIP
微信客服
  • 扫码咨询
会员Q群
  • 会员专属群点击这里加入QQ群
客服邮箱
回到顶部