电脑桌面
添加小米粒文库到电脑桌面
安装后可以在桌面快捷访问

工艺文件格式范例VIP专享

工艺文件格式范例_第1页
1/8
工艺文件格式范例_第2页
2/8
工艺文件格式范例_第3页
3/8
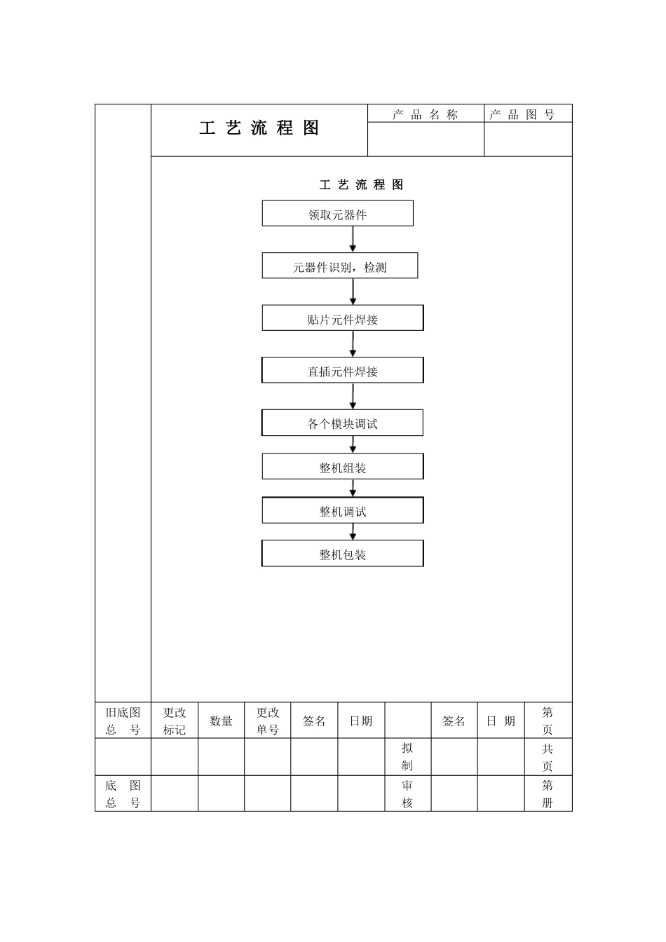
工 艺 文 件第 1 册共 1 册共页文件类别:专业工艺文件文件名称:电子产品制作工艺文件产品名称: 数控步进直流稳压电源系统产品图号:本册内容:批准:年月日工艺文件目录序号1234567旧底图总号底图总号更改标记封面目录工艺流程图元器件清单仪器仪表明细表电气安装图(表)调试单卡数量更改单号产品名称超声测试仪的设计与制作页号签名日期拟制审核标准化签名计划生产件数1 件备注日期第页共页第册共册工 艺 文 件 名 称产 品 名 称产 品 图 号工 艺 流 程 图工 艺 流 程 图领取元器件元器件识别,检测贴片元件焊接直插元件焊接各个模块调试整机组装整机调试整机包装旧底图总号底图总号更改标记数量更改单号签名日期拟制审核签名日 期第页共页第册标准化共册产 品 名 称产 品 图 号数 量签名日期拟制审签名日 期第页共页第备注元 器 件 清 单序号旧底图总号底图更改标记数量更改单号器 件 类 型器件参数总号核标准化册共册产 品 名 称产 品 图 号数 量签名日期拟制审签名日 期第页共页第备注仪器仪表明细表序号旧底图总号底图更改标记数量型号更改单号名称总号核标准化产品名称接线图12v220v稳压电源电路册产品图号共册线缆连接图(表)GNDMCUD/A转换191817P13 P12P11 P10数码显示按键电路A/D转换器ADC0809旧底图总号底图总号更改标记数量更改单号签名日期拟制审核标准化签名日 期第页共页第册共册产品名称调 试 项 目调 试 单 卡一.调试单卡填写以下内容 (1)软件调试过程 (2)电路调试过程 (3)电子产品总体功能调试 二.各工艺文件的旧底图总号、更改标记、更改单号、底图总号等可以自定义填写.步骤1调试内容清场检查部件安装检查主板连接调试结果完成完成完成1、通过“+”、“-”键步进调整输出电压,可调范围为0~+12V,步进幅度为2、电压值通过 4 位LED 显示,显示精度分别为和输出电流值通过 4 位LED 显示,显示精度分别为和 0.01A正常正常完成备注234输出电压范围5输出电流范围678旧底图总号底图总号更改标记数量更改单号签名日期过流保护与报警功能电压/电流显示切换清场拟制审核签名日 期第页共页第册标准化共册

1、当您付费下载文档后,您只拥有了使用权限,并不意味着购买了版权,文档只能用于自身使用,不得用于其他商业用途(如 [转卖]进行直接盈利或[编辑后售卖]进行间接盈利)。
2、本站所有内容均由合作方或网友上传,本站不对文档的完整性、权威性及其观点立场正确性做任何保证或承诺!文档内容仅供研究参考,付费前请自行鉴别。
3、如文档内容存在违规,或者侵犯商业秘密、侵犯著作权等,请点击“违规举报”。

碎片内容

工艺文件格式范例

确认删除?
VIP
微信客服
  • 扫码咨询
会员Q群
  • 会员专属群点击这里加入QQ群
客服邮箱
回到顶部