电脑桌面
添加小米粒文库到电脑桌面
安装后可以在桌面快捷访问

EDA9017模拟量测量模块使用说明书V2.1071031VIP专享

EDA9017模拟量测量模块使用说明书V2.1071031_第1页
1/7
EDA9017模拟量测量模块使用说明书V2.1071031_第2页
2/7
EDA9017模拟量测量模块使用说明书V2.1071031_第3页
3/7
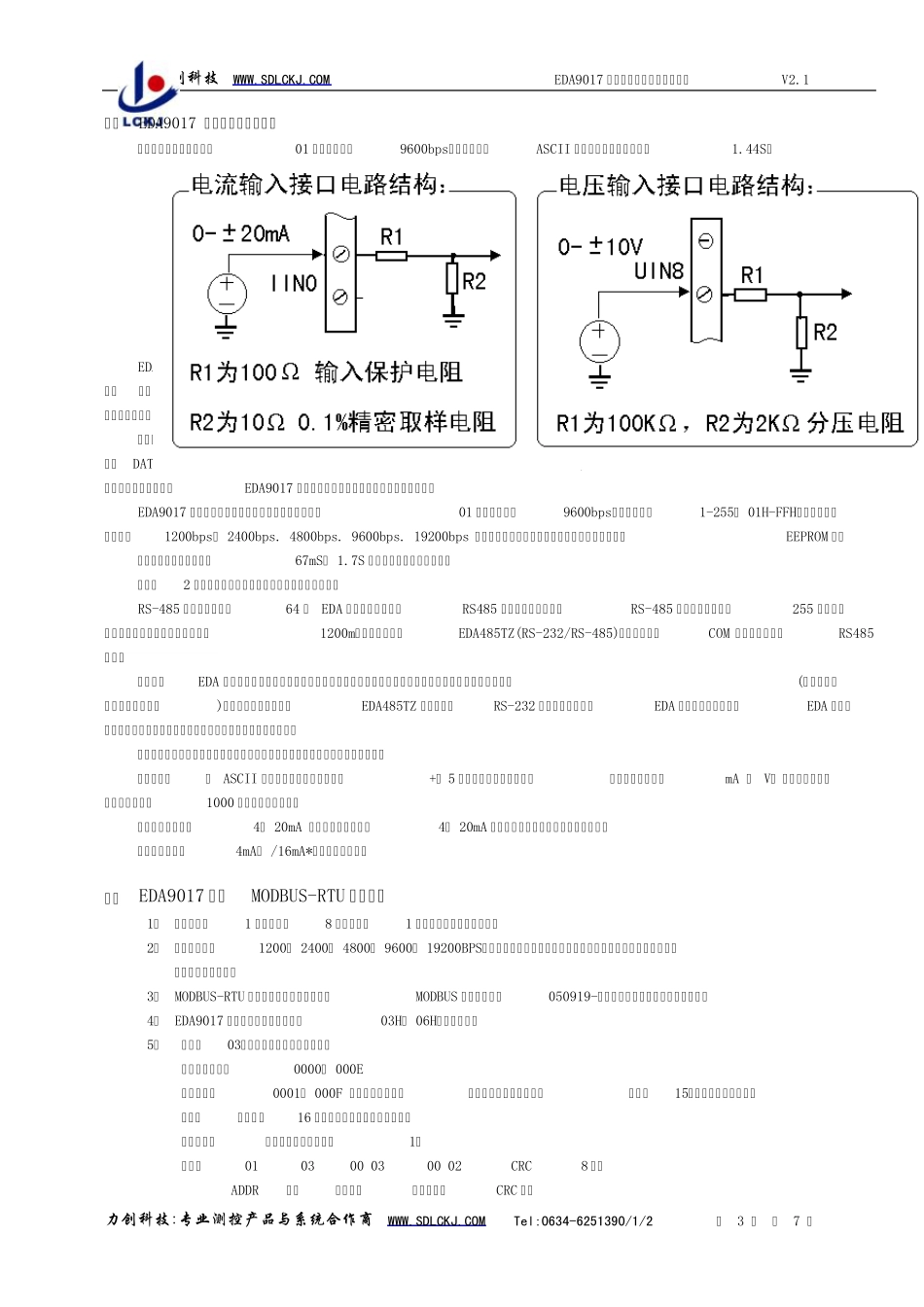
力创科技 WWW.SDLCKJ.COM EDA9017 模拟量测量模块使用说明书 V2.1 力创科技:专业测控产品与系统合作商 WWW.SDLCKJ.COM Tel:0634-6251390/1/2 第 1 页 共 7 页 EDA9017 模拟量测量模块 使用说明书 V2.1 目录 一、 EDA9017 模拟量测量模块主要性能简介 二、 EDA9017 模拟量测量模块外形结构图、引脚定义与功能框图 三、 EDA9017 模拟量测量模块应用 四、 EDA9017 模块MODBUS-RTU 协议说明 五、 EDA9017 模块MODBUS-RTU 协议的功能码与所对应的数据表 六、 EDA9017 模拟量测量模块ASCII 码操作指令集 七、 EDA9017 模拟量测量模块十六进制LC-02 接口协议 版本记录 V1.0 2002-07-01 版本创建 V2.0 2007-08-30 增加了MODBUS-RTU 协议,三种协议自动识别。 V2.1 2007-10-31 修正了MODBUS-RTU 协议中测量值计算公式存在的错误。 一、 EDA9017 模拟量测量模块主要性能简介 EDA9017 模拟量测量模块可测量:8 路电流、4 路电压输入信号。 EDA9017 模块可广泛应用于各种工业控制与测量系统中。它能测量压力、温度、电量等变送器输出的4~ 20mA 或0~ 10V信号。通讯接口为RS485 或 RS232,电源为DC 8~ 30V,通讯协议为MODBUS-RTU、 ASCII 码、十六进制LC-02 协议3 种,协议可自动识别。其功能与技术指标如下:  输入信号 输入: 8 路 0~ 20mA 电流及4 路 0~ 10V 电压。输入信号为直流或交流(频率 25~ 75Hz)。 信号处理:16 位 A/D 采样;采样速率: 5400 次采样/S。输出真有效值。 数据更新周期:可设定;范围为67mS~ 1.7S,出厂默认设定的更新时间为1.44S; 过载能力:1.2 倍量程可正确测量;过载 3 倍量程输入1s 不损坏。 隔离: 信号输入与通讯接口输出之间隔离,隔离电压1000V DC。 A/T、 B/R、 VCC 与 GND 端共地; 12 路信号输入共地端为AGND 端子。 电流通道:输入阻抗 110Ω ; 电压通道:输入阻抗 > 100KΩ ;  通讯输出 接口:RS-485 接口,二线制,±15KV ESD 保护;或RS-232 接口,±2KV ESD 保护。 协议:MODBUS-RTU、 ASCII 码、十六进制LC-02 协议3 种,协议可自动识别 速率:1200、 2400、 4800、 9600、 19200 Bps , 可软件设定。 模块地址:01H~ FFH 可软件设定;00H 为广播地址。  测量精度: 电流、电压:0.2 级 或更高。  模块电源: DC 8~ 30V ;功耗:典...

1、当您付费下载文档后,您只拥有了使用权限,并不意味着购买了版权,文档只能用于自身使用,不得用于其他商业用途(如 [转卖]进行直接盈利或[编辑后售卖]进行间接盈利)。
2、本站所有内容均由合作方或网友上传,本站不对文档的完整性、权威性及其观点立场正确性做任何保证或承诺!文档内容仅供研究参考,付费前请自行鉴别。
3、如文档内容存在违规,或者侵犯商业秘密、侵犯著作权等,请点击“违规举报”。

碎片内容

EDA9017模拟量测量模块使用说明书V2.1071031

确认删除?
VIP
微信客服
  • 扫码咨询
会员Q群
  • 会员专属群点击这里加入QQ群
客服邮箱
回到顶部