电脑桌面
添加小米粒文库到电脑桌面
安装后可以在桌面快捷访问

2024年新版安全评价师历年模拟真题专业综合版VIP免费

2024年新版安全评价师历年模拟真题专业综合版_第1页
1/19
2024年新版安全评价师历年模拟真题专业综合版_第2页
2/19
2024年新版安全评价师历年模拟真题专业综合版_第3页
3/19
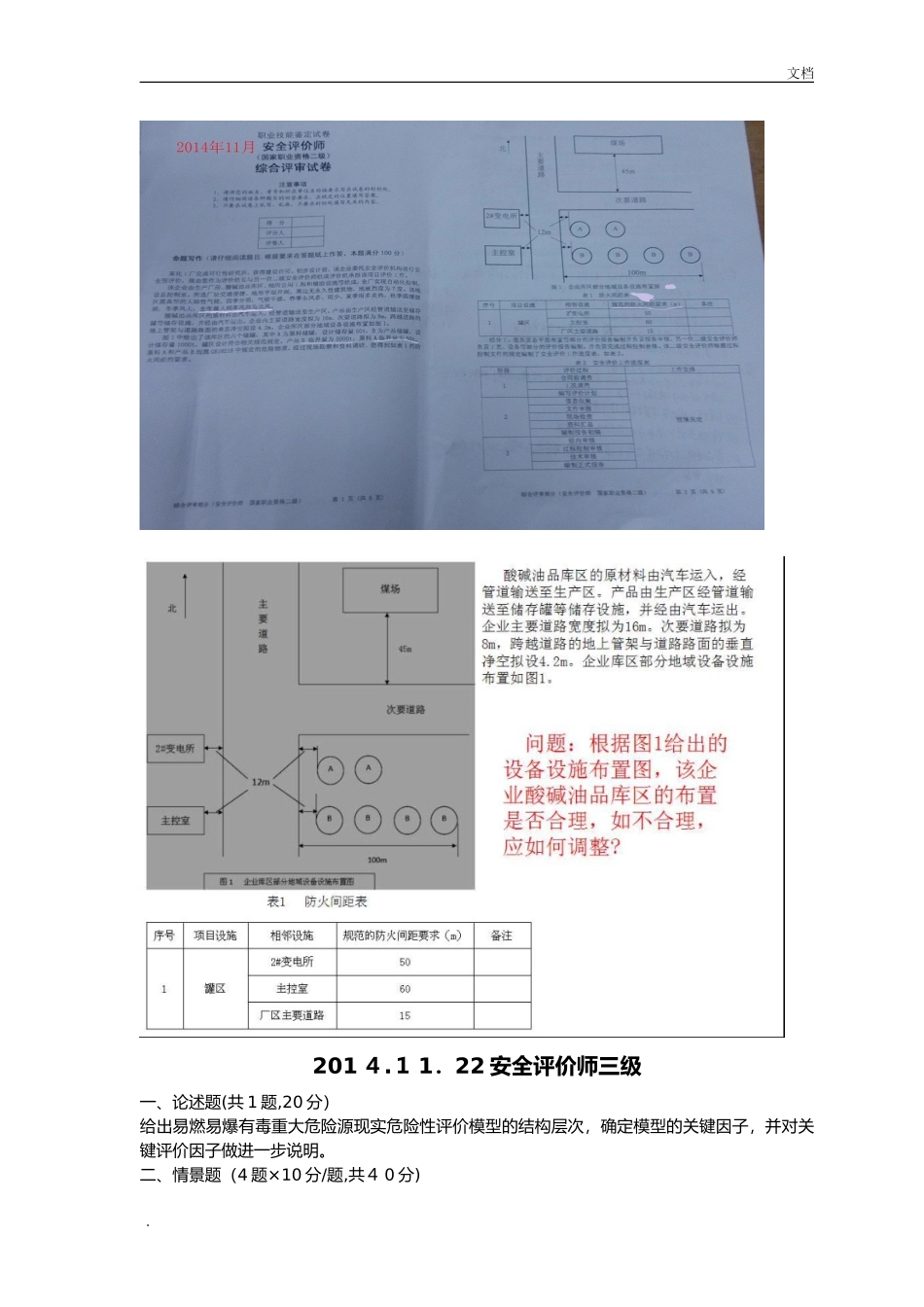
文档2014.11.22安全评价师二级一、专业能力(120分钟)1、论述题(20分)通过学习安全评价过程控制指南,论述风险分析在安全评价过程控制中的重要性;2、简答题(40分,每小题10分)(1)给出一个事故树,要求:求出该事故树的最小割集。画出该事故树的成功树。求出该事故树的最小径集。求出该事故树顶上事件的概率。分析各基本事件的结构重要度。(2)9人死亡,问事故调查的主要流程?负责调查的是哪一级的部门?事故调查组长是如何产生的?事故调查报告的内容包括哪些?较大事故:由事故发生地设区的市级人民政府负责调查;事故调查组组长由负责事故调查的人民政府指定。事故调查组组长主持事故调查组的工作。事故调查报告包括下列内容:(一)事故发生单位概况;(二)事故发生经过和事故救援情况;(三)事故造成的人员伤亡和直接经济损失;(四)事故发生的原因和事故性质;(五)事故责任的认定以及对事故责任者的处理建议;(六)事故防范和整改措施。(3)提供了一个机械加工车间的总平面布置及建构筑物之间的距离,要求根据已列好的检查表完成空白内容,符合填写“符合”,不符合填写“不符合”;就不符合的项目,提出安全对策措施。(4)给出一个机械加工车间的变压器室的相关指标及要求,要求根据已有的检查表,检查现场情况,完成该检查表。列出该项目不符合的内容。根据不符合情况,提出相应的安全对策措施。3、情景分析题(40分)一个企业需要做现状评价,安全评价机构安排了一个二级评价师做项目负责人,同时安排了一个三级评价师做为项目组成员,二级评价师指导三级评价师完成现场检查,根据已给条件完成以下内容。该三级评价师用了DOW法及作业环境危险性评估法两种评价方法,得出了书面结论,对他采用的方法及结论进行评价;找出该三级评价师的在评价过程中的相关问题;针对三级评价师的现实情况,做出一个对此三级评价师的为期为4天的短期培训计划。二、综合评审:(60分钟)某化工厂完成可行性研究报告后,获得建设许可。初步设计前,该企业委托安全评价机构进行安全预评价,现由您作为评价组长与另一位二级安全评价师组成评价组承担该项目评价过工作。该企业由生产厂房、酸碱油品库区、相应公用工程和辅助设施等组成,全厂实现自动化控制,设总控制室。所选厂址交通便捷,地形平坦开阔,周边无永久性建筑物,地震烈度为7度。该地区属典型的大陆性气候,四季分明,气候干燥,春季东风多、雨少,夏季雨多炎热,秋季温暖湿润,冬季风大,全年最大频率风向为北风。酸碱油品库区的原材料由汽车运入,经管道输送至生产区。产品由生产区经管道输送至储存罐等储存设施,并经由汽车运出。企业主要道路宽度拟为16米。次要道路拟为8米,跨越道路的地上管架与道路路面的垂直净空拟设为4.2米。企业库区部分地域设备设施布置如图1.图1中给出了该库区的六个储罐,其中A为原料储罐,设计储存量为50t,B为产品储罐,设计储存量为1000t,罐区设计符合相关规范要求。产品B的临界量为5000t,原料A临界量为50t,原料A和产品B均属于GB18218中规定的危险物质。经过现场勘察和资料调.文档研,您得到如表1的防火间距的要求。序号项目设施相邻设施规范防火间距要求(m)1罐区2#变电所50主控室60厂区主要道路15经分工,您负责总平面布置等部分的评价报告编制并负责报告审核,另一位二级安全评价师负责工艺、设备等部分的评价报告编制。该二级评价师根据过程文件的规定编制了安全评价工作进度表。如表2.阶段评价过程工作安排1合同前调查视情况定工况调查编写评价计划2信息收集文件审核现场检查资料汇总编制报告初稿3组内审核过程控制审核技术审核编制正式报告问题:1、您负责编制化工总平面布置时应考虑哪几个方面的内容?2、根据图1给出的设备设施布置图,该企业酸碱库区的布置是否合理,如不合理,如何调整?3、判断该罐区是否构成重大危险源?(属于)4、你审核同组二级安全评价师安全评价工作进度,是否同意其计划安排,如不同意,请提出修改建议?(3.初稿确认、整改复查、编制正式报告、报告评审)5、你对火灾、爆炸危险爆炸指数评价结果的审核意见。.文档2014.11.22安全评价师三级一、论述题(共1题,20分)给出易燃易爆有...

1、当您付费下载文档后,您只拥有了使用权限,并不意味着购买了版权,文档只能用于自身使用,不得用于其他商业用途(如 [转卖]进行直接盈利或[编辑后售卖]进行间接盈利)。
2、本站所有内容均由合作方或网友上传,本站不对文档的完整性、权威性及其观点立场正确性做任何保证或承诺!文档内容仅供研究参考,付费前请自行鉴别。
3、如文档内容存在违规,或者侵犯商业秘密、侵犯著作权等,请点击“违规举报”。

碎片内容

2024年新版安全评价师历年模拟真题专业综合版

您可能关注的文档

山水人家+ 关注
实名认证
内容提供者

读万卷书,行万里路。

相关文档

确认删除?
VIP
微信客服
  • 扫码咨询
会员Q群
  • 会员专属群点击这里加入QQ群
客服邮箱
回到顶部