电脑桌面
添加小米粒文库到电脑桌面
安装后可以在桌面快捷访问

建筑施工企业资质动态考核表更新版

建筑施工企业资质动态考核表更新版_第1页
1/13
建筑施工企业资质动态考核表更新版_第2页
2/13
建筑施工企业资质动态考核表更新版_第3页
3/13
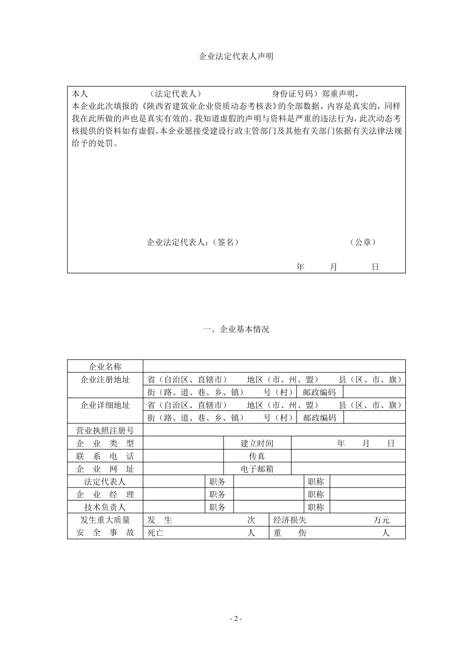
附件 1:建筑施工企业资质动态考核表企业名称(公章):填表日期:年月陕西省住房和城乡建设厅制日企业法定代表人声明本人(法定代表人)身份证号码)郑重声明,本企业此次填报的《陕西省建筑业企业资质动态考核表》的全部数据、内容是真实的,同样我在此所做的声也是真实有效的。我知道虚假的声明与资料是严重的违法行为,此次动态考核提供的资料如有虚假,本企业愿接受建设行政主管部门及其他有关部门依据有关法律法规给予的处罚。企业法定代表人:(签名)(公章)年月日一、企业基本情况企业名称企业注册地址企业详细地址营业执照注册号企业类型联系电话企业网址法定代表人企业经理技术负责人发生重大质量安全事故- 2 -省(自治区、直辖市)地区(市、州、盟)县(区、市、旗)街(路、道、巷、乡、镇)号(村) 邮政编码街(路、道、巷、乡、镇)号(村) 邮政编码职务职务职务建立时间传真电子邮箱年月日职称职称职称经济损失万元重伤人省(自治区、直辖市)地区(市、州、盟)县(区、市、旗)发生次死亡人从业人员年末人数人;年末离退休人员人从业人员年平均人数人;其中:管理人员人有中专以上学历人工总数人企有职称人员人程其中:中级职称人业其中:中级职称人技从高级职称人术高级职称人业人聘用退休技术人员人人员员 建总数人持施工员人,其中持证上岗人状 造证质检员人,其中持证上岗人一级人况 师上预算员人,其中持证上岗人二级人岗安全员人,其中持证上岗人三级人企业财务生产经营状况注册资本资产总额固定资产流动资产负债总额净资产企业总收入建筑业总产值利润总额所得税净利润净资产收益率生产经营用固定资产原值生产经营用固定资产净值近三年工程结算收入设备机械设备总台数机械设备原值动力装备率企业主项资质及批准时间建筑业企业资质证书编号企业安全生产许可证编号万元万元万元万元万元万元万元万元万元万元万元%万元万元年万元台(件)万元千瓦/人收实资本国有资本法人资本个人资本港澳台商资本外商资本建筑业增加值固定资产年折旧额劳动者报酬生产税净额营业利润建筑业劳动生产率资产负债率资本保值增值率年万元机械设备总功率机械设备净值技术装备率万元万元万元万元万元万元万元万元万元万元万元万元/人%%年万元千瓦万元万元/人注:1.企业填报数据以企业最新年度统计及财务报表为准;2.建造师三级为小型项目管理师;3.本表所有数据不得有空项,如无内容填写应在该项填空处用“无”表示。- 3 -二、企...

1、当您付费下载文档后,您只拥有了使用权限,并不意味着购买了版权,文档只能用于自身使用,不得用于其他商业用途(如 [转卖]进行直接盈利或[编辑后售卖]进行间接盈利)。
2、本站所有内容均由合作方或网友上传,本站不对文档的完整性、权威性及其观点立场正确性做任何保证或承诺!文档内容仅供研究参考,付费前请自行鉴别。
3、如文档内容存在违规,或者侵犯商业秘密、侵犯著作权等,请点击“违规举报”。

碎片内容

建筑施工企业资质动态考核表更新版

文库响当当+ 关注
实名认证
内容提供者

该用户很懒,什么也没介绍

相关文档

确认删除?
VIP
微信客服
  • 扫码咨询
会员Q群
  • 会员专属群点击这里加入QQ群
客服邮箱
回到顶部