电脑桌面
添加小米粒文库到电脑桌面
安装后可以在桌面快捷访问

建筑节能工程检验批填写范例的目录VIP专享

建筑节能工程检验批填写范例的目录_第1页
1/16
建筑节能工程检验批填写范例的目录_第2页
2/16
建筑节能工程检验批填写范例的目录_第3页
3/16
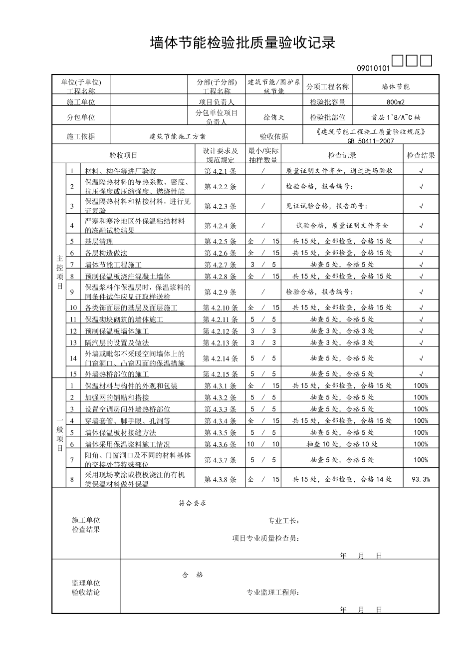
建筑节能工程检验批填写范例的目录0、 建筑节能分部工程质量验收记录1、 墙体节能检验批质量验收记录2、 幕墙节能检验批质量验收记录3、 门窗节能检验批质量验收记录4、 屋面节能检验批质量验收记录5、 地面节能检验批质量验收记录6、 供暖节能检验批质量验收记录7、 通风与空调设备节能检验批质量验收记录8、 空调与供暖系统冷热源节能检验批质量验收记录9、 空调与供暖系统管网节能检验批质量验收记录10、 配电节能检验批质量验收记录(现场检查原始记录)11、 照明节能检验批质量验收记录12、 监测系统节能检验批质量验收记录13、 控制系统节能检验批质量验收记录表 G__建筑节能__分部工程质量验收记录0 □9编号:□单位(子单位)工程名称施工单位分包单位序号子分部工程名称三门·东方银座综合楼方远建设集团股份有限公司/子分部工程数量项目负责人分包单位负责人分项工程名称检验批数量3/分项工程数量技术(质量)负责人分包内容施工单位检查结果8孙文友/监理单位验收结论12345678维护系统节能供暖空调设备及管网节能电气动力节能墙体节能门窗节能层面节能供暖节能通风与空调节能空调与供暖系统管网节能配电节能照明节能44155555符合要求符合要求符合要求符合要求符合要求符合要求符合要求符合要求检查 16 项,齐全有效检查 5 项,符合要求一般合 格合 格合 格合 格合 格合 格合 格合 格合 格合 格质量控制资料安全和功能检验结果观感质量检验结果综合验收结论建筑节能分部工程验收合格施工单位项目负责人:年月日勘察单位项目负责人:年月日设计单位项目负责人:年月日监理单位总监理工程师:年月日注:1、地基与基础分部工程的验收应由施工、勘察、设计单位项目负责人和总监理工程师参加并签字。2、主体结构、节能分部工程的验收应由施工、设计单位项目负责人和总监理工程师参加并签字。墙体节能检验批质量验收记录09010101单位(子单位)工程名称施工单位分包单位施工依据验收项目123456主控7项8目9材料、构件等进厂验收保温隔热材料的导热系数、密度、抗压强度或压缩强度、燃烧性能保温隔热材料和粘接材料,进行见证复验严寒和寒冷地区外保温粘结材料的冻融试验结果基层清理各层构造做法墙体节能工程施工预制保温板浇注混凝土墙体保温浆料作保温层时,保温浆料的同条件试件应见证取样送检分部(子分部)工程名称项目负责人分包单位项目负责人建筑节能/围护系 分项工程名称统节能检验批容量徐侑天验收依据检验批部位...

1、当您付费下载文档后,您只拥有了使用权限,并不意味着购买了版权,文档只能用于自身使用,不得用于其他商业用途(如 [转卖]进行直接盈利或[编辑后售卖]进行间接盈利)。
2、本站所有内容均由合作方或网友上传,本站不对文档的完整性、权威性及其观点立场正确性做任何保证或承诺!文档内容仅供研究参考,付费前请自行鉴别。
3、如文档内容存在违规,或者侵犯商业秘密、侵犯著作权等,请点击“违规举报”。

碎片内容

建筑节能工程检验批填写范例的目录

确认删除?
VIP
微信客服
  • 扫码咨询
会员Q群
  • 会员专属群点击这里加入QQ群
客服邮箱
回到顶部